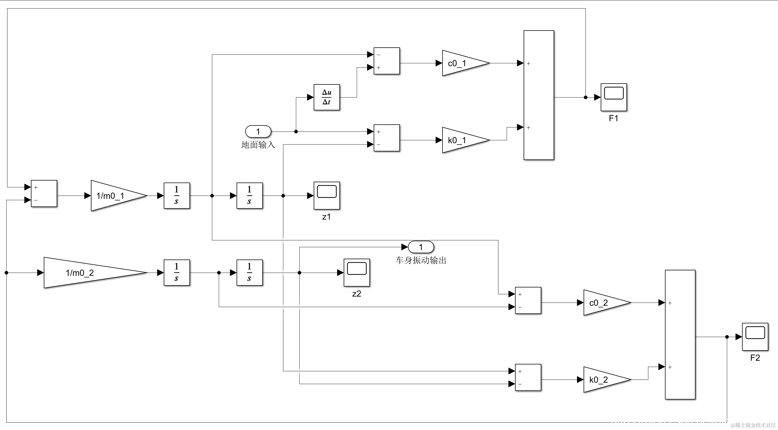
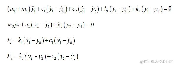
matlab simulink 四分之一1/4车辆垂向振动模型 轮毂电机 算法工程师的学习日志 2021-06-17 140 阅读1分钟 轮毂电机的引入增大了非簧载质量,根据这一特性,经过简化的含有轮毂电机的1/4车辆垂向振动模型如图所示。 由图中的车辆振动模型,可得到车辆垂向振动的动力学微分方程: Matlab/Simulink仿真 结果: