【STM32Cube_20】在SD卡上移植FATFS文件系统

298 阅读7分钟

本篇详细的记录了如何使用STM32CubeMX移植FATFS文件系统到SD卡上。

1. 准备工作

硬件准备

  • 开发板
    首先需要准备一个开发板,这里我准备的是STM32L4的开发板(BearPi):

mark

  • Micro SD卡
    小熊派开发板板载 Micro SD 卡槽,需要提前自行准备一张 Micro SD卡,如图:

mark

软件准备

  • 需要安装好Keil - MDK及芯片对应的包,以便编译和下载生成的代码;
  • 准备一个串口调试助手,这里我使用的是Serial Port Utility

Keil MDK和串口助手Serial Port Utility 的安装包都可以在文末关注公众号获取,回复关键字获取相应的安装包:

mark

2.生成MDK工程

选择芯片型号

打开STM32CubeMX,打开MCU选择器:
mark

搜索并选中芯片STM32L431RCT6:
mark

配置时钟源

  • 如果选择使用外部高速时钟(HSE),则需要在System Core中配置RCC;
  • 如果使用默认内部时钟(HSI),这一步可以略过;

这里我都使用外部时钟:

mark

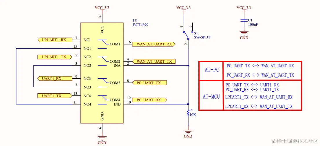
配置串口

小熊派开发板板载ST-Link并且虚拟了一个串口,原理图如下:

mark

这里我将开关拨到AT-MCU模式,使PC的串口与USART1之间连接。

接下来开始配置USART1

mark

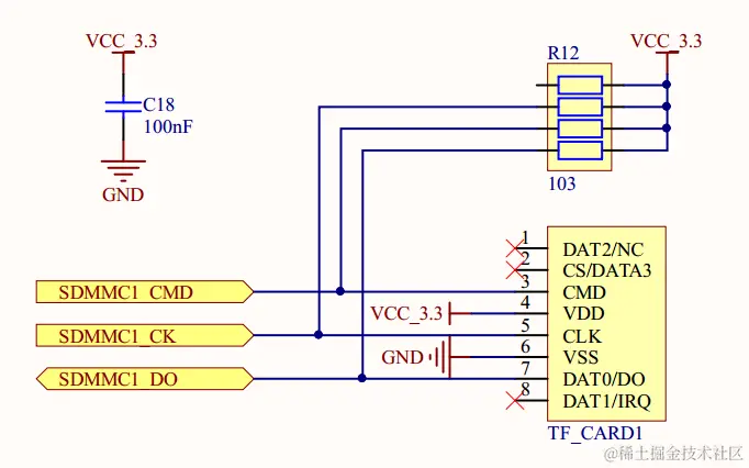
配置 SDMMC 接口

知识小卡片 —— SDMMC接口

SDMMC接口的全称叫SD/SDIO MMC card host interface,SD/SDIO MMC 卡 主机接口,通俗的来说,就是这个接口支持SD卡,支持SDIO设备,支持MMC卡。

知识小卡片结束啦~

首先查看小熊派开发板的原理图:

mark

然后根据原理图配置 SDMMC 接口:

mark

配置FATFS文件系统

使用STM32CubeMX配置FATFS文件系统非常方便,只需要在软件中开启即可,软件会自动帮我们移植好。

这里需要修改两个配置:

  • 开启文件名支持简体中文;
  • 开启长文件名支持,并将长文件名动态缓存在栈中(普通文件名最多8个字节,开启长文件名支持后可达255个字节)

mark

配置时钟树

STM32L4的最高主频到80M,所以配置PLL,最后使HCLK = 80Mhz即可:

mark

生成工程设置

因为之前开启FATFS选择了长文件名动态缓存在栈中,所以我们要将栈空间修改大一点:

mark

代码生成设置

最后设置生成独立的初始化文件:

mark

生成代码

点击GENERATE CODE即可生成MDK-V5工程:

mark

3. 在MDK中编写、编译、下载用户代码

重定向printf( )函数

参考:【STM32Cube_09】重定向printf函数到串口输出的多种方法

SD卡分区并格式化为FAT文件系统

正常SD卡不需要该步骤!

如果已经使用SD卡进行了裸机读写SD卡的实验(【STM32Cube-19】使用SDMMC接口读写SD卡数据),那么需要注意:该实验中读写的是0扇区,实验之后已经破坏了SD卡的分区表和FAT文件系统信息

重新建立SD卡的分区表和FAT文件系统有两种方法:

  • 使用FATFS提供的API
  • 在PC上直接格式化
  • 在PC上使用DiskGenius软件重新分区和格式化

这里我使用第二种方法,比较简单方便,如果对FATFS提供的API感兴趣,请前去FATFS官网查看:

首先使用读卡器将SD卡插到电脑上,会显示如下:

mark

然后直接右键选择格式化:

mark

如果第二种方法没用的话,可以使用第三种方法,来打开 DiskGenius 软件查看SD卡:

[外链图片转存失败,源站可能有防盗链机制,建议将图片保存下来直接上传(img-tF4pvH8V-1571741039011)(mculover666.cn/blog/201910…)]

重新建立分区表并格式化:

mark

mark

mark

之后可以看到SD卡恢复正常,可以进行FATFS实验啦:

mark

使用FATFS挂载SD卡

注意:在挂载之前必须要保证SD卡正常拥有FAT文件系统。

挂载文件系统使用f_mount API,该API将文件系统对象注册/注销到FatFs模块,API原型如下:

FRESULT f_mount (
  FATFS*       fs,    /* [IN] Filesystem object */
  const TCHAR* path,  /* [IN] Logical drive number */
  BYTE         opt    /* [IN] Initialization option */
);

在main.c文件中添加如下代码,先定义FATFS所使用的一些全局变量:

/* Private variables ---------------------------------------------------------*/

/* USER CODE BEGIN PV */
FATFS   fs;			/* FATFS 文件系统对象 */
FRESULT fr; 		/* FATFS API 返回值 */
/* USER CODE END PV */

然后在 main 函数中,while(1)之前添加如下代码:

/* USER CODE BEGIN 2 */
printf("FATFS test...\r\n");
/* 挂载SD卡 */
fr = f_mount(&fs, "", 0);
if(fr == FR_OK)
{
    printf("SD card mount ok!\r\n");
}
else
{
    printf("SD card mount error, error code:%d.\r\n",fr);
}
/* USER CODE END 2 */

编译下载,运行结果如下:

mark

创建文件并向文件中写入内容

要想操作文件,需要先创建文件对象:

/* USER CODE BEGIN PV */
FATFS   fs;			/* FATFS 文件系统对象 */
FRESULT fr; 		/* FATFS API 返回值 */
FIL     fd;         /* FATFS 文件对象    */
/* USER CODE END 2 */

在main函数中的开始定义要写入文件的内容:

/* USER CODE BEGIN 1 */
//要操作的文件名
char filename[] = "test.txt";
//文件写入内容
uint8_t write_dat[] = "Hello,FATFS!\n";
//用于接收API返回写入成功的字节数
uint16_t write_num = 0;
/* USER CODE END 1 */

然后在挂载操作成功之后进行打开->写入->关闭一个完整的操作:

/* 打开文件(若文件不存在则创建) */
fr = f_open(&fd, filename, FA_CREATE_ALWAYS | FA_WRITE);
if(fr == FR_OK)
{
    printf("open file \"%s\" ok! \r\n", filename);
}
else
{
printf("open file \"%s\" error : %d\r\n", filename, fr);
}

/* 向打开的文件中写入内容 */
fr = f_write(&fd, write_dat, sizeof(write_dat), (void *)&write_num);
if(fr == FR_OK)
{
    printf("write %d dat to file \"%s\" ok,dat is \"%s\".\r\n", write_num, filename, write_dat);
}
else
{
    printf("write dat to file \"%s\" error,error code is:%d\r\n", filename, fr);
}

/* 操作完成,关闭文件 */
fr = f_close(&fd);
if(fr == FR_OK)
{
    printf("close file \"%s\" ok!\r\n", filename);
}
else
{
    printf("close file \"%s\" error, error code is:%d.\r\n", filename, fr);
}

实验结果如下:

mark

再将SD卡插到电脑,可以看到文件及其内容:

mark

读取SD卡中的文件内容

同样的,先在main函数开始开辟一块缓冲区,用于存放读取的数据:

/* USER CODE BEGIN 1 */
//要操作的文件名
char filename[] = "test.txt";
//文件写入内容
uint8_t write_dat[] = "Hello,FATFS!";
//用于接收API返回写入成功的字节数
uint16_t write_num = 0;

//用于存放从文件中读取出的内容
uint8_t read_dat[20];
//用于接收API返回成功读取的字节数
uint16_t read_num = 0;
/* USER CODE END 1 */

然后进行打开->读取->关闭一个完整的操作:

/* 打开文件用于读取 */
fr = f_open(&fd, filename, FA_READ);
if(fr == FR_OK)
{
    printf("open file \"%s\" ok! \r\n", filename);
}
else
{
printf("open file \"%s\" error : %d\r\n", filename, fr);
}

/* 从打开的文件中读取内容 */
fr = f_read(&fd, read_dat, sizeof(read_dat), (void *)&read_num);
if(fr == FR_OK)
{
    printf("read %d dat to file \"%s\" ok,dat is \"%s\".\r\n", read_num, filename, read_dat);
}
else
{
    printf("read dat to file \"%s\" error,error code is:%d\r\n", filename, fr);
}

/* 操作完成,关闭文件 */
fr = f_close(&fd);
if(fr == FR_OK)
{
    printf("close file \"%s\" ok!\r\n", filename);
}
else
{
    printf("close file \"%s\" error, error code is:%d.\r\n", filename, fr);
}

实验现象如下:

mark

FATFS API 错误码的使用

不知道大家有没有注意到,在本文中所有使用FATFS API的时候,都是如下的格式:

  • 使用FRESULT类型的变量fr接收API返回值
  • API执行之后进行判断,错误的话输出错误码

那么,API 所返回的错误码,有什么用呢?下面用一个实例来给大家演示一下~

假如本文中的实验现象如下:

mark

可以看到,FATFS创建文件时,返回的错误码是13,那么如何定位该问题呢?13代表什么?

打开FATFS的ff.h文件即可看到所有错误码所表示的含义:

mark

这样问题就定位到了,我们使用的SD卡是之前用于裸机实验的卡,SD卡分区被破坏,SD卡文件系统被破坏,所以FATFS创建文件时才会提示FR_NO_FILESYSTEM问题

至此,我们已经学会如何使用硬件SDMMC接口读取SD数据,STM32CubeMX系列教程完结。

更多精彩文章及资源,请关注我的微信公众号:『mculover666』。

mark