【STM32Cube-19】使用SDMMC接口读写SD卡数据

197 阅读5分钟

寻求更好的阅读体验,请移步:Mculover666的个人博客

本篇详细的记录了如何使用STM32CubeMX配置STM32L431RCT6的硬件SDMMC外设读取SD卡数据。

1. 准备工作

硬件准备

  • 开发板
    首先需要准备一个开发板,这里我准备的是STM32L4的开发板(BearPi):

mark

  • Micro SD卡
    小熊派开发板板载 Micro SD 卡槽,最大支持 32 GB,需要提前自行准备一张 Micro SD卡,如图:

mark

软件准备

  • 需要安装好Keil - MDK及芯片对应的包,以便编译和下载生成的代码;
  • 准备一个串口调试助手,这里我使用的是Serial Port Utility

Keil MDK和串口助手Serial Port Utility 的安装包都可以在文末关注公众号获取,回复关键字获取相应的安装包:

mark

2.生成MDK工程

选择芯片型号

打开STM32CubeMX,打开MCU选择器:
mark

搜索并选中芯片STM32L431RCT6:
mark

配置时钟源

  • 如果选择使用外部高速时钟(HSE),则需要在System Core中配置RCC;
  • 如果使用默认内部时钟(HSI),这一步可以略过;

这里我都使用外部时钟:

mark

配置串口

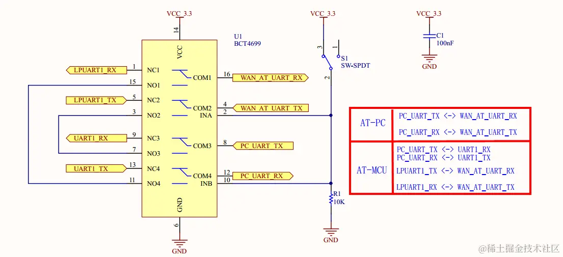
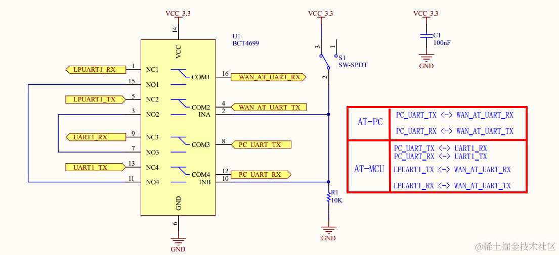
小熊派开发板板载ST-Link并且虚拟了一个串口,原理图如下:

mark

这里我将开关拨到AT-MCU模式,使PC的串口与USART1之间连接。

接下来开始配置USART1

mark

配置 SDMMC 接口

知识小卡片 —— SDMMC接口

SDMMC接口的全称叫SD/SDIO MMC card host interface,SD/SDIO MMC 卡 主机接口,通俗的来说,就是这个接口支持SD卡,支持SDIO设备,支持MMC卡。

知识小卡片结束啦~

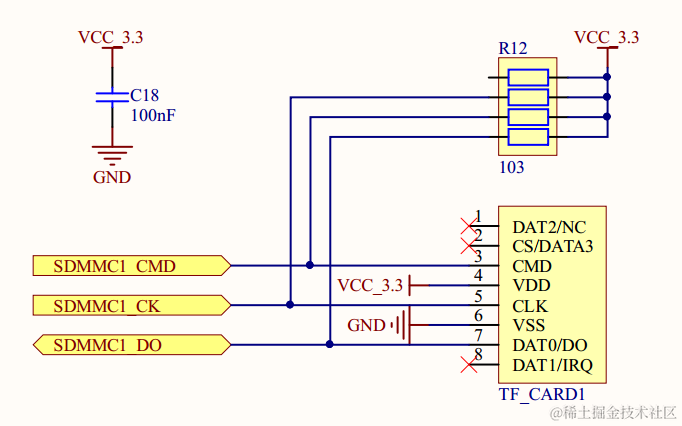
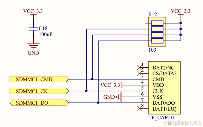
首先查看小熊派开发板的原理图:

mark

然后根据原理图配置 SDMMC 接口:

mark

配置时钟树

STM32L4的最高主频到80M,所以配置PLL,最后使HCLK = 80Mhz即可:

mark

生成工程设置

mark

代码生成设置

最后设置生成独立的初始化文件:

mark

生成代码

点击GENERATE CODE即可生成MDK-V5工程:

mark

3. 在MDK中编写、编译、下载用户代码

重定向printf( )函数

参考:【STM32Cube_09】重定向printf函数到串口输出的多种方法

读取SD卡信息并打印

SD 卡系统(包括主机和 SD 卡)定义了两种操作模式:

  • 卡识别模式
  • 数据传输模式

系统复位后,主机处于卡识别模式,寻找总线上可用的 SD卡设备;同时,SD 卡也处于卡
识别模式,直到被主机识别到。

使用STM32CubeMX初始化的工程中会自动生成 SDMMC 初始化函数,向 SD 卡发送命令,当 SD 卡接收到命令后, SD 卡就会进入数据传输模式,而主机在总线上所有卡被识别后也进入数据传输模式

所以在操作之前,需要先检查 SD 卡是否处于数据传输模式并且处于数据传输状态:

main函数中首先定义一个变量用于存储 SD 卡状态:

int sdcard_status = 0;
HAL_SD_CardCIDTypeDef sdcard_cid;

然后在while(1)之前编写如下读取信息代码:

/* USER CODE BEGIN 2 */
printf("Micro SD Card Test...\r\n");

/* 检测SD卡是否正常(处于数据传输模式的传输状态) */
sdcard_status = HAL_SD_GetCardState(&hsd1);
if(sdcard_status == HAL_SD_CARD_TRANSFER)
{
    printf("SD card init ok!\r\n\r\n");
    
    //打印SD卡基本信息
    printf("SD card information!\r\n");
    printf("CardCapacity: %llu\r\n",((unsigned long long)hsd1.SdCard.BlockSize*hsd1.SdCard.BlockNbr));
    printf("CardBlockSize: %d \r\n",hsd1.SdCard.BlockSize);
    printf("RCA: %d \r\n",hsd1.SdCard.RelCardAdd);
    printf("CardType: %d \r\n",hsd1.SdCard.CardType);
    
    //读取并打印SD卡的CID信息
    HAL_SD_GetCardCID(&hsd1,&sdcard_cid);
    printf("ManufacturerID: %d \r\n",sdcard_cid.ManufacturerID);
}
else
{ 
    printf("SD card init fail!\r\n" );
    return 0;
}
/* USER CODE END 2 */

编译下载后串口助手输出结果如下:

mark

擦除SD卡块数据

为了验证实验的正确性或,先擦除数据:

/* 擦除SD卡块 */
printf("------------------- Block Erase -------------------------------\r\n");
sdcard_status = HAL_SD_Erase(&hsd1, 0, 512);
if (sdcard_status == 0)
{
    printf("Erase block ok\r\n");
}
else
{
    printf("Erase block fail\r\n");
}

读取SD卡块数据

首先开辟一个全局缓冲区,用于存放从SD卡读出的数据:

/* Private user code ---------------------------------------------------------*/
/* USER CODE BEGIN 0 */
uint8_t read_buf[512];
/* USER CODE END 0 */

然后在之前读取信息的代码之后添加读取数据的代码:

/* 读取未操作之前的数据 */
printf("------------------- Read SD card block data Test ------------------\r\n");
sdcard_status = HAL_SD_ReadBlocks(&hsd1,(uint8_t *)read_buf,0,1,0xffff);
if(sdcard_status == 0)
{ 
    printf("Read block data ok \r\n" );
    for(i = 0; i < 512; i++)
    {
        printf("0x%02x ", read_buf[i]);
        if((i+1)%16 == 0)
        {
            printf("\r\n");
        }
    }
}
else
{
    printf("Read block data fail!\r\n " );
}

向SD卡块写入数据

同样的,开辟一个全局缓冲区,用于存放即将要写入SD卡的数据:

uint8_t write_buf[512];

然后在之前读取数据的代码之后添加的代码,将缓冲区的数据赋初值:

/* 填充缓冲区数据 */
for(i = 0; i < 512; i++)
{
    write_buf[i] = i % 256;
}

然后继续添加代码,将该缓冲区数据写入SD卡:

/* 向SD卡块写入数据 */
printf("------------------- Write SD card block data Test ------------------\r\n");
sdcard_status = HAL_SD_WriteBlocks(&hsd1,(uint8_t *)write_buf,0,1,0xffff);
if(sdcard_status == 0)
{ 
    printf("Write block data ok \r\n" );
}
else
{
    printf("Write block data fail!\r\n " );
}

添加完之后,为了检查数据是否正常写入,再将数据读出:

/* 读取操作之后的数据 */
printf("------------------- Read SD card block data after Write ------------------\r\n");
sdcard_status = HAL_SD_ReadBlocks(&hsd1,(uint8_t *)read_buf,0,1,0xffff);
if(sdcard_status == 0)
{ 
    printf("Read block data ok \r\n" );
    for(i = 0; i < 512; i++)
    {
        printf("0x%02x ", read_buf[i]);
        if((i+1)%16 == 0)
        {
            printf("\r\n");
        }
    }
}

将程序编译下载,最终的实验结果如下:

mark

mark

mark

mark

mark

至此,我们已经学会如何使用硬件SDMMC接口读取SD数据,STM32CubeMX系列教程完结。

更多精彩文章及资源,请关注我的微信公众号:『mculover666』。

mark