【STM32Cube-18】使用硬件QSPI读写SPI Flash(W25Q64)

549 阅读8分钟

寻求更好的阅读体验,请移步:Mculover666的个人博客

本篇详细的记录了如何使用STM32CubeMX配置STM32L431RCT6的硬件QSPI外设与 SPI Flash 通信(W25Q64)。

1. 准备工作

硬件准备

  • 开发板
    首先需要准备一个开发板,这里我准备的是STM32L4的开发板(BearPi):

mark

  • SPI Flash
    小熊派开发板板载一片SPI Flash,型号为 W25Q64,大小为 8 MB,最大支持 80 Mhz的操作频率。

软件准备

  • 需要安装好Keil - MDK及芯片对应的包,以便编译和下载生成的代码;
  • 准备一个串口调试助手,这里我使用的是Serial Port Utility

Keil MDK和串口助手Serial Port Utility 的安装包都可以在文末关注公众号获取,回复关键字获取相应的安装包:

mark

2.生成MDK工程

选择芯片型号

打开STM32CubeMX,打开MCU选择器:
mark

搜索并选中芯片STM32L431RCT6:
mark

配置时钟源

  • 如果选择使用外部高速时钟(HSE),则需要在System Core中配置RCC;
  • 如果使用默认内部时钟(HSI),这一步可以略过;

这里我都使用外部时钟:

mark

配置串口

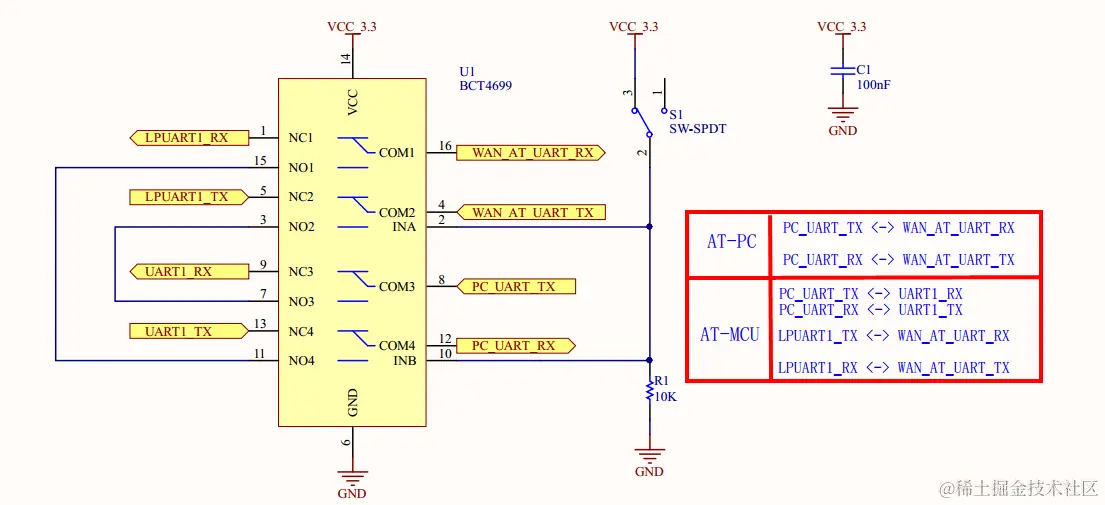
小熊派开发板板载ST-Link并且虚拟了一个串口,原理图如下:

mark

这里我将开关拨到AT-MCU模式,使PC的串口与USART1之间连接。

接下来开始配置USART1

mark

配置QSPI接口

首先查看小熊派开发板上 SPI Flash 的原理图:

mark

其引脚连接情况如下:

SPI Flash连接引脚对应引脚
QUADSPI_BK1_NCSPB11
QUADSPI_BK1_CLKPB10
QUADSPI_BK1_IO0PB1
QUADSPI_BK1_IO1PB0

接下来配置 QSPI 接口:

mark

配置时钟树

STM32L4的最高主频到80M,所以配置PLL,最后使HCLK = 80Mhz即可:
mark

生成工程设置

mark

代码生成设置

最后设置生成独立的初始化文件:

mark

生成代码

点击GENERATE CODE即可生成MDK-V5工程:

mark

3. 在MDK中编写、编译、下载用户代码

重定向printf( )函数

参考:【STM32Cube_09】重定向printf函数到串口输出的多种方法

4. 封装 SPI Flash(W25Q64)的命令和底层函数

MCU 通过向 SPI Flash 发送各种命令 来读写 SPI Flash内部的寄存器,所以这种裸机驱动,首先要先宏定义出需要使用的命令,然后利用 HAL 库提供的库函数,封装出三个底层函数,便于移植

  • 向 SPI Flash 发送命令的函数
  • 向 SPI Flash 发送数据的函数
  • 从 SPI Flash 接收数据的函数

接下来开始编写代码~

宏定义操作命令

#define ManufactDeviceID_CMD	0x90
#define READ_STATU_REGISTER_1   0x05
#define READ_STATU_REGISTER_2   0x35
#define READ_DATA_CMD	        0x03
#define WRITE_ENABLE_CMD	    0x06
#define WRITE_DISABLE_CMD	    0x04
#define SECTOR_ERASE_CMD	    0x20
#define CHIP_ERASE_CMD	        0xc7
#define PAGE_PROGRAM_CMD        0x02

封装发送命令的函数(重点)

/**
 * @brief		向SPI Flash发送指令
 * @param		instruction —— 要发送的指令
 * @param		address     —— 要发送的地址
 * @param		dummyCycles	—— 空指令周期数
 * @param		instructionMode —— 指令发送模式
 * @param		addressMode —— 地址发送模式
 * @param		addressSize	—— 地址大小
 * @param		dataMode    —— 数据发送模式
 * @retval	    成功返回HAL_OK
*/
HAL_StatusTypeDef QSPI_Send_Command(uint32_t instruction, 
									uint32_t address, 
									uint32_t dummyCycles, 
									uint32_t instructionMode, 
									uint32_t addressMode, 
									uint32_t addressSize, 
									uint32_t dataMode)
{
    QSPI_CommandTypeDef cmd;

    cmd.Instruction = instruction;                 	//指令
    cmd.Address = address;                          //地址
    cmd.DummyCycles = dummyCycles;                  //设置空指令周期数
    cmd.InstructionMode = instructionMode;			//指令模式
    cmd.AddressMode = addressMode;   				//地址模式
    cmd.AddressSize = addressSize;   				//地址长度
    cmd.DataMode = dataMode;             			//数据模式
    cmd.SIOOMode = QSPI_SIOO_INST_EVERY_CMD;       	//每次都发送指令
    cmd.AlternateByteMode = QSPI_ALTERNATE_BYTES_NONE; //无交替字节
    cmd.DdrMode = QSPI_DDR_MODE_DISABLE;           	//关闭DDR模式
    cmd.DdrHoldHalfCycle = QSPI_DDR_HHC_ANALOG_DELAY;
    
	return HAL_QSPI_Command(&hqspi, &cmd, 5000);
}

封装发送数据的函数

/**
* @brief    QSPI发送指定长度的数据
* @param    buf  —— 发送数据缓冲区首地址
* @param    size —— 要发送数据的字节数
 * @retval	成功返回HAL_OK
 */
HAL_StatusTypeDef QSPI_Transmit(uint8_t* send_buf, uint32_t size)
{
    hqspi.Instance->DLR = size - 1;                         //配置数据长度
    return HAL_QSPI_Transmit(&hqspi, send_buf, 5000);	    //接收数据
}

封装接收数据的函数

/**
 * @brief	  QSPI接收指定长度的数据
 * @param   buf  —— 接收数据缓冲区首地址
 * @param   size —— 要接收数据的字节数
 * @retval	成功返回HAL_OK
 */
HAL_StatusTypeDef QSPI_Receive(uint8_t* recv_buf, uint32_t size)
{
    hqspi.Instance->DLR = size - 1;                       //配置数据长度
    return HAL_QSPI_Receive(&hqspi, recv_buf, 5000);			//接收数据
}

5. 编写W25Q64的驱动程序

接下来开始利用上一节封装的宏定义和底层函数,编写W25Q64的驱动程序:

读取Manufacture ID和Device ID

读取 Flash 内部这两个ID有两个作用:

  • 检测SPI Flash是否存在
  • 可以根据ID判断Flash具体型号

数据手册上给出的操作时序如图:

mark

根据该时序,编写代码如下:

/**
 * @brief   读取Flash内部的ID
 * @param   none
 * @retval	成功返回device_id
 */
uint16_t W25QXX_ReadID(void)
{
	uint8_t recv_buf[2] = {0};	//recv_buf[0]存放Manufacture ID, recv_buf[1]存放Device ID
	uint16_t device_id = 0;
	if(HAL_OK == QSPI_Send_Command(ManufactDeviceID_CMD, 0, 0, QSPI_INSTRUCTION_1_LINE, QSPI_ADDRESS_1_LINE, QSPI_ADDRESS_24_BITS, QSPI_DATA_1_LINE))
	{
        //读取ID
        if(HAL_OK == QSPI_Receive(recv_buf, 2))
        {
            device_id = (recv_buf[0] << 8) | recv_buf[1];
            return device_id;
        }
        else
        {
            return 0;
        }
	}
	else
	{
		return 0;
	}
}

读取数据

SPI Flash读取数据可以任意地址(地址长度32bit)读任意长度数据(最大 65535 Byte),没有任何限制,数据手册给出的时序如下:

mark

根据该时序图编写代码如下:

/**
 * @brief	读取SPI FLASH数据
 * @param   dat_buffer —— 数据存储区
 * @param   start_read_addr —— 开始读取的地址(最大32bit)
 * @param   byte_to_read —— 要读取的字节数(最大65535)
 * @retval  none
 */
void W25QXX_Read(uint8_t* dat_buffer, uint32_t start_read_addr, uint16_t byte_to_read)
{
	QSPI_Send_Command(READ_DATA_CMD, start_read_addr, 0, QSPI_INSTRUCTION_1_LINE, QSPI_ADDRESS_1_LINE, QSPI_ADDRESS_24_BITS, QSPI_DATA_1_LINE);
    QSPI_Receive(dat_buffer, byte_to_read);
}

读取状态寄存器数据并判断Flash是否忙碌

上文中提到,SPI Flash的所有操作都是靠发送命令完成的,但是 Flash 接收到命令后,需要一段时间去执行该操作,这段时间内 Flash 处于“忙”状态,MCU 发送的命令无效,不能执行,在 Flash 内部有2-3个状态寄存器,指示出 Flash 当前的状态,有趣的一点是:

当 Flash 内部在执行命令时,不能再执行 MCU 发来的命令,但是 MCU 可以一直读取状态寄存器,这下就很好办了,MCU可以一直读取,然后判断Flash是否忙完

mark

首先读取状态寄存器的代码如下:

/**
 * @brief	读取W25QXX的状态寄存器,W25Q64一共有2个状态寄存器
 * @param 	reg  —— 状态寄存器编号(1~2)
 * @retval	状态寄存器的值
 */
uint8_t W25QXX_ReadSR(uint8_t reg)
{
	uint8_t cmd = 0, result = 0;	
	switch(reg)
	{
		case 1:
			/* 读取状态寄存器1的值 */
			cmd = READ_STATU_REGISTER_1;
		case 2:
			cmd = READ_STATU_REGISTER_2;
		case 0:
		default:
			cmd = READ_STATU_REGISTER_1;
	}
	QSPI_Send_Command(cmd, 0, 0, QSPI_INSTRUCTION_1_LINE, QSPI_ADDRESS_NONE, QSPI_ADDRESS_24_BITS, QSPI_DATA_1_LINE);
	QSPI_Receive(&result, 1);
	
	return result;
}

然后编写阻塞判断Flash是否忙碌的函数:

/**
 * @brief	阻塞等待Flash处于空闲状态
 * @param   none
 * @retval  none
 */
void W25QXX_Wait_Busy(void)
{
    while((W25QXX_ReadSR(1) & 0x01) == 0x01); // 等待BUSY位清空
}

写使能/禁止

Flash 芯片默认禁止写数据,所以在向 Flash 写数据之前,必须发送命令开启写使能,数据手册中给出的时序如下:

mark

mark

编写函数如下:

/**
 * @brief	W25QXX写使能,将S1寄存器的WEL置位
 * @param	none
 * @retval
 */
void W25QXX_Write_Enable(void)
{
    QSPI_Send_Command(WRITE_ENABLE_CMD, 0, 0, QSPI_INSTRUCTION_1_LINE, QSPI_ADDRESS_NONE, QSPI_ADDRESS_8_BITS, QSPI_DATA_NONE);
		W25QXX_Wait_Busy();
}

/**
 * @brief	W25QXX写禁止,将WEL清零
 * @param	none
 * @retval	none
 */
void W25QXX_Write_Disable(void)
{
    QSPI_Send_Command(WRITE_DISABLE_CMD, 0, 0, QSPI_INSTRUCTION_1_LINE, QSPI_ADDRESS_NONE, QSPI_ADDRESS_8_BITS, QSPI_DATA_NONE);
		W25QXX_Wait_Busy();
}

擦除扇区

SPI Flash有个特性:

数据位可以由1变为0,但是不能由0变为1。

所以在向 Flash 写数据之前,必须要先进行擦除操作,并且 Flash 最小只能擦除一个扇区,擦除之后该扇区所有的数据变为 0xFF(即全为1),数据手册中给出的时序如下:

mark

根据此时序编写函数如下:

/**
 * @brief	W25QXX擦除一个扇区
 * @param   sector_addr	—— 扇区地址 根据实际容量设置
 * @retval  none
 * @note	阻塞操作
 */
void W25QXX_Erase_Sector(uint32_t sector_addr)
{
    sector_addr *= 4096;	//每个块有16个扇区,每个扇区的大小是4KB,需要换算为实际地址
    W25QXX_Write_Enable();  //擦除操作即写入0xFF,需要开启写使能
    W25QXX_Wait_Busy();		//等待写使能完成
    QSPI_Send_Command(SECTOR_ERASE_CMD, sector_addr, 0, QSPI_INSTRUCTION_1_LINE, QSPI_ADDRESS_1_LINE, QSPI_ADDRESS_24_BITS, QSPI_DATA_NONE);
    W25QXX_Wait_Busy();   	//等待扇区擦除完成
}

页写入操作

向 Flash 芯片写数据的时候,因为 Flash 内部的构造,可以按页写入:

mark

页写入的时序如图:

mark

编写代码如下:

/**
 * @brief	页写入操作
 * @param	dat —— 要写入的数据缓冲区首地址
 * @param	WriteAddr —— 要写入的地址
 * @param   byte_to_write —— 要写入的字节数(0-256)
 * @retval	none
 */
void W25QXX_Page_Program(uint8_t* dat, uint32_t WriteAddr, uint16_t byte_to_write)
{
	W25QXX_Write_Enable();
	QSPI_Send_Command(PAGE_PROGRAM_CMD, WriteAddr, 0, QSPI_INSTRUCTION_1_LINE, QSPI_ADDRESS_1_LINE, QSPI_ADDRESS_24_BITS, QSPI_DATA_1_LINE);
	QSPI_Transmit(dat, byte_to_write);
    W25QXX_Wait_Busy();
}

6. 测试驱动

main.c 函数中编写代码,测试驱动:

首先定义两个缓存:

/* Private user code ---------------------------------------------------------*/
/* USER CODE BEGIN 0 */
uint8_t dat[11] = "mculover666";
uint8_t read_buf[11] = {0};
/* USER CODE END 0 */

然后在 main 函数中编写代码:

/* USER CODE BEGIN 2 */
printf("Test W25QXX...\r\n");
device_id = W25QXX_ReadID();
printf("device_id = 0x%04X\r\n\r\n", device_id);

/* 为了验证,首先读取要写入地址处的数据 */
printf("-------- read data before write -----------\r\n");
W25QXX_Read(read_buf, 5, 11);
printf("read date is %s\r\n", (char*)read_buf);

/* 擦除该扇区 */
printf("-------- erase sector 0 -----------\r\n");
W25QXX_Erase_Sector(0);

/* 写数据 */
printf("-------- write data -----------\r\n");
W25QXX_Page_Program(dat, 5, 11);

/* 再次读数据 */
printf("-------- read data after write -----------\r\n");
W25QXX_Read(read_buf, 5, 11);
printf("read date is %s\r\n", (char*)read_buf);
/* USER CODE END 2 */

测试结果如下:

mark

至此,我们已经学会如何使用硬件QSPI接口读写SPI Flash的数据,下一节将讲述如何使用硬件SDMMC接口读取SD卡数据。

更多精彩文章及资源,请关注我的微信公众号:『mculover666』。

mark