【STM32Cube_16】使用硬件CRC校验数据(以SHT30为例)

250 阅读2分钟

寻求更好的阅读体验,请移步:Mculover666的个人博客

本篇详细的记录了如何使用STM32CubeMX配置STM32L431RCT6的硬件CRC外设校验数据,并用SHT30温湿度传感器为例检查是否可以正确校验。

1. 准备工作

硬件准备

  • 开发板
    首先需要准备一个开发板,这里我准备的是STM32L4的开发板(BearPi):
    mark

软件准备

  • 需要安装好Keil - MDK及芯片对应的包,以便编译和下载生成的代码;
  • 准备一个串口调试助手,这里我使用的是Serial Port Utility

Keil MDK和串口助手Serial Port Utility 的安装包都可以在文末关注公众号获取,回复关键字获取相应的安装包:

mark

2.生成MDK工程

选择芯片型号

打开STM32CubeMX,打开MCU选择器:
mark

搜索并选中芯片STM32L431RCT6:
mark

配置时钟源

  • 如果选择使用外部高速时钟(HSE),则需要在System Core中配置RCC;
  • 如果使用默认内部时钟(HSI),这一步可以略过;

这里我都使用外部时钟:
mark

配置串口

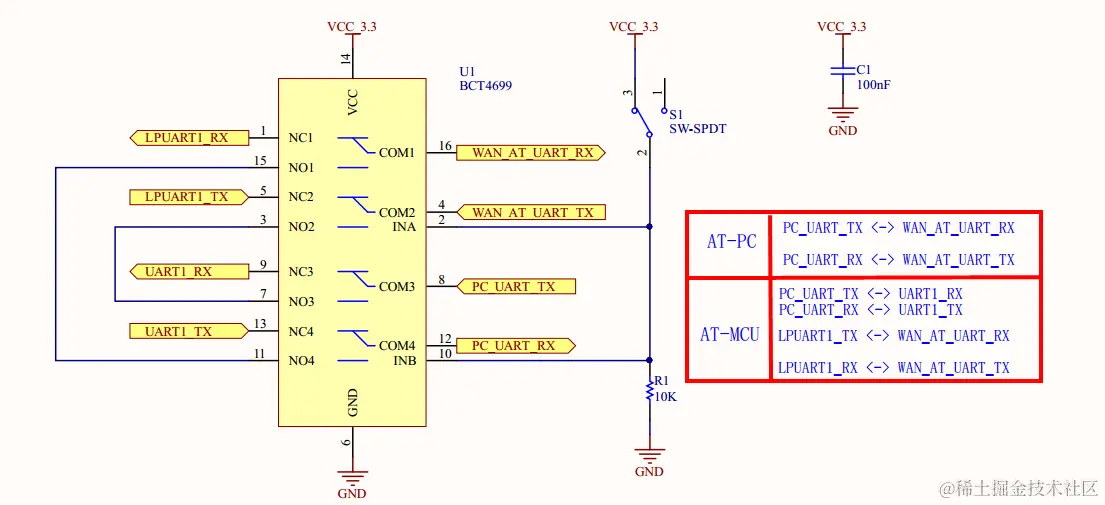
小熊派开发板板载ST-Link并且虚拟了一个串口,原理图如下:

mark

这里我将开关拨到AT-MCU模式,使PC的串口与USART1之间连接。

接下来开始配置USART1

mark

配置CRC外设

首先激活CRC:
mark

然后配置CRC校验的初始值:

这里我们以SHT30为例,其数据手册中已给出,如图:

mark

据此,CRC外设的配置如下:
mark

配置时钟树

STM32L4的最高主频到80M,所以配置PLL,最后使HCLK = 80Mhz即可:
mark

生成工程设置

mark

代码生成设置

最后设置生成独立的初始化文件:
mark

生成代码

点击GENERATE CODE即可生成MDK-V5工程:
mark

3. 在MDK中编写、编译、下载用户代码

重定向printf( )函数

参考:【STM32Cube_09】重定向printf函数到串口输出的多种方法

测试CRC校验

main.c文件中添加如下代码:

/* USER CODE BEGIN Includes */
#include <stdio.h>
/* USER CODE END Includes */

然后修改main函数:

int main(void)
{
    /* USER CODE BEGIN 1 */
	uint8_t dat[2] = {0xBE, 0xEF};
	uint8_t crc = 0;

    /* USER CODE END 1 */
    HAL_Init();

    SystemClock_Config();

    MX_GPIO_Init();
    MX_CRC_Init();
    MX_USART1_UART_Init();
  
    /* USER CODE BEGIN 2 */
	printf("Test CRC check:\n");
	crc = HAL_CRC_Accumulate(&hcrc, (uint32_t*)dat, 2);
	printf("crc = %#x\n", crc);
    /* USER CODE END 2 */

    while (1)
    {
    }
}

测试结果

测试结果如下:

mark

至此,我们已经学会如何使用硬件CRC校验SHT30的数据,下一节将讲述如何使用硬件SPI驱动LCD屏幕(ST7789)。

更多精彩文章及资源,请关注我的微信公众号:『mculover666』。

mark