【STM32Cube_15】使用硬件I2C读取温湿度传感器数据(SHT30)

464 阅读4分钟

寻求更好的阅读体验,请移步:Mculover666的个人博客

本篇详细的记录了如何使用STM32CubeMX配置STM32L431RCT6的硬件I2C外设,读取SHT30温湿度传感器的数据并通过串口发送。

1. 准备工作

硬件准备

  • 开发板
    首先需要准备一个开发板,这里我准备的是STM32L4的开发板(BearPi):

mark

  • SHT30温湿度传感器
    SHT30温湿度传感器是一个完全校准的、现行的、带有温度补偿的数字输出型传感器,具有 2.4V-5.5V 的宽电压支持,使用IIC接口进行通信,最高速率可达1M并且有两个用户可选地址,除此之外,它还具有8个引脚的DFN超小封装,如图:

mark

SHT30的原理图如下:
mark

软件准备

  • 需要安装好Keil - MDK及芯片对应的包,以便编译和下载生成的代码;
  • 准备一个串口调试助手,这里我使用的是Serial Port Utility

Keil MDK和串口助手Serial Port Utility 的安装包都可以在文末关注公众号获取,回复关键字获取相应的安装包:

mark

2.生成MDK工程

选择芯片型号

打开STM32CubeMX,打开MCU选择器:
mark

搜索并选中芯片STM32L431RCT6:
mark

配置时钟源

  • 如果选择使用外部高速时钟(HSE),则需要在System Core中配置RCC;
  • 如果使用默认内部时钟(HSI),这一步可以略过;

这里我都使用外部时钟:
mark

配置串口

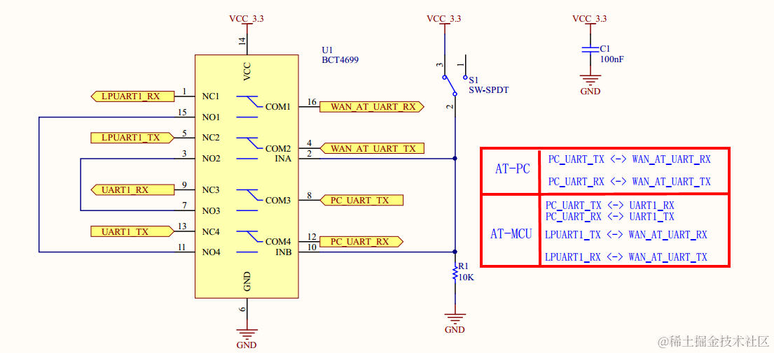
小熊派开发板板载ST-Link并且虚拟了一个串口,原理图如下:

mark

这里我将开关拨到AT-MCU模式,使PC的串口与USART1之间连接。

接下来开始配置USART1

mark

配置I2C接口

查看小熊派E53接口的原理图:
mark

接下来开始配置I2C接口1:
mark

配置时钟树

STM32L4的最高主频到80M,所以配置PLL,最后使HCLK = 80Mhz即可:
mark

生成工程设置

mark

代码生成设置

最后设置生成独立的初始化文件:
mark

生成代码

点击GENERATE CODE即可生成MDK-V5工程:
mark

3. 在MDK中编写、编译、下载用户代码

重定向printf( )函数

参考:【STM32Cube_09】重定向printf函数到串口输出的多种方法

修改I2C初始化代码的小BUG

mark

4. 编写SHT30驱动程序

参考SHT30数据手册.pdf进行编程。

宏定义SHT30器件地址

先来编写sht30_i2c_drv.h头文件,SHT30的器件地址由ADDR端口的高低电平决定:

mark

注意数据手册中给出了8位数据,只有低7位用作地址,结合原理图,可以定义如下:

/* ADDR Pin Conect to VSS */

#define	SHT30_ADDR_WRITE	0x44<<1         //10001000
#define	SHT30_ADDR_READ		(0x44<<1)+1	    //10001011

枚举SHT30命令列表

参考数据手册,在sht30_i2c_drv.h头文件中给出如下枚举定义:

typedef enum
{
    /* 软件复位命令 */

    SOFT_RESET_CMD = 0x30A2,	
    /*
    单次测量模式
    命名格式:Repeatability_CS_CMD
    CS: Clock stretching
    */
    HIGH_ENABLED_CMD    = 0x2C06,
    MEDIUM_ENABLED_CMD  = 0x2C0D,
    LOW_ENABLED_CMD     = 0x2C10,
    HIGH_DISABLED_CMD   = 0x2400,
    MEDIUM_DISABLED_CMD = 0x240B,
    LOW_DISABLED_CMD    = 0x2416,

    /*
    周期测量模式
    命名格式:Repeatability_MPS_CMD
    MPS:measurement per second
    */
    HIGH_0_5_CMD   = 0x2032,
    MEDIUM_0_5_CMD = 0x2024,
    LOW_0_5_CMD    = 0x202F,
    HIGH_1_CMD     = 0x2130,
    MEDIUM_1_CMD   = 0x2126,
    LOW_1_CMD      = 0x212D,
    HIGH_2_CMD     = 0x2236,
    MEDIUM_2_CMD   = 0x2220,
    LOW_2_CMD      = 0x222B,
    HIGH_4_CMD     = 0x2334,
    MEDIUM_4_CMD   = 0x2322,
    LOW_4_CMD      = 0x2329,
    HIGH_10_CMD    = 0x2737,
    MEDIUM_10_CMD  = 0x2721,
    LOW_10_CMD     = 0x272A,
	/* 周期测量模式读取数据命令 */
	READOUT_FOR_PERIODIC_MODE = 0xE000,
} SHT30_CMD;

发送命令函数

/**
 * @brief	向SHT30发送一条指令(16bit)
 * @param	cmd —— SHT30指令(在SHT30_MODE中枚举定义)
 * @retval	成功返回HAL_OK
*/
static uint8_t	SHT30_Send_Cmd(SHT30_CMD cmd)
{
    uint8_t cmd_buffer[2];
    cmd_buffer[0] = cmd >> 8;
    cmd_buffer[1] = cmd;
    return HAL_I2C_Master_Transmit(&hi2c1, SHT30_ADDR_WRITE, (uint8_t* cmd_buffer, 2, 0xFFFF);
}

复位函数

/**
 * @brief	复位SHT30
 * @param	none
 * @retval	none
*/
void SHT30_reset(void)
{
    SHT30_Send_Cmd(SOFT_RESET_CMD);
    HAL_Delay(20);
}

SHT30工作模式初始化函数(周期测量模式)

/**
 * @brief	初始化SHT30
 * @param	none
 * @retval	成功返回HAL_OK
 * @note	周期测量模式
*/
uint8_t SHT30_Init(void)
{
    return SHT30_Send_Cmd(MEDIUM_2_CMD);
}

从SHTY30读取一次数据(周期测量模式下)

从SHT30数据手册中可以得到在周期测量模式下读取一次数据的时序,如图:

mark

根据该时序可以看出,首先要发送读数据的命令,然后接收6个字节的数据,编写程序如下:

/**
 * @brief	从SHT30读取一次数据
 * @param	dat —— 存储读取数据的地址(6个字节数组)
 * @retval	成功 —— 返回HAL_OK
*/
uint8_t SHT30_Read_Dat(uint8_t* dat)
{
	SHT30_Send_Cmd(READOUT_FOR_PERIODIC_MODE);
	return HAL_I2C_Master_Receive(&hi2c1, SHT30_ADDR_READ, dat, 6, 0xFFFF);
}

从接收数据中校验并解析温度值和湿度值

在数据手册中可知,SHT30分别在温度数据和湿度数据之后发送了8-CRC校验码,确保了数据可靠性。

关于CRC校验请参考我的另一篇博客:如何通俗的理解CRC校验并用C语言实现

CRC-8校验程序如下:

#define CRC8_POLYNOMIAL 0x31

uint8_t CheckCrc8(uint8_t* const message, uint8_t initial_value)
{
    uint8_t  remainder;	    //余数
    uint8_t  i = 0, j = 0;  //循环变量

    /* 初始化 */
    remainder = initial_value;

    for(j = 0; j < 2;j++)
    {
        remainder ^= message[j];

        /* 从最高位开始依次计算  */
        for (i = 0; i < 8; i++)
        {
            if (remainder & 0x80)
            {
                remainder = (remainder << 1)^CRC8_POLYNOMIAL;
            }
            else
            {
                remainder = (remainder << 1);
            }
        }
    }

    /* 返回计算的CRC码 */
    return remainder;
}

计算温度值和湿度值的公式在数据手册中已给出,如图:

mark

接下来编写解析数据的函数:

/**
 * @brief	将SHT30接收的6个字节数据进行CRC校验,并转换为温度值和湿度值
 * @param	dat  —— 存储接收数据的地址(6个字节数组)
 * @retval	校验成功  —— 返回0
 * 			校验失败  —— 返回1,并设置温度值和湿度值为0
*/
uint8_t SHT30_Dat_To_Float(uint8_t* const dat, float* temperature, float* humidity)
{
	uint16_t recv_temperature = 0;
	uint16_t recv_humidity = 0;
	
	/* 校验温度数据和湿度数据是否接收正确 */
	if(CheckCrc8(dat, 0xFF) != dat[2] || CheckCrc8(&dat[3], 0xFF) != dat[5])
		return 1;
	
	/* 转换温度数据 */
	recv_temperature = ((uint16_t)dat[0]<<8)|dat[1];
	*temperature = -45 + 175*((float)recv_temperature/65535);
	
	/* 转换湿度数据 */
	recv_humidity = ((uint16_t)dat[3]<<8)|dat[4];
	*humidity = 100 * ((float)recv_humidity / 65535);
	
	return 0;
}

5. 测试SHT30驱动程序

在main函数中对该驱动进行测试,在main.c中添加如下代码:

#include <stdio.h>
#include "sht30_i2c_drv.h"

int main(void)
{
    /* USER CODE BEGIN 1 */
    uint8_t recv_dat[6] = {0};
    float temperature = 0.0;
    float humidity = 0.0;
    /* USER CODE END 1 */

    HAL_Init();

    SystemClock_Config();

    MX_GPIO_Init();
    MX_I2C1_Init();
    MX_USART1_UART_Init();

    /* USER CODE BEGIN 2 */
    SHT30_Reset();
    if(SHT30_Init() == HAL_OK)
        printf("sht30 init ok.\n");
    else
        printf("sht30 init fail.\n");
  /* USER CODE END 2 */

  /* Infinite loop */
  /* USER CODE BEGIN WHILE */
  while (1)
  {
    /* USER CODE END WHILE */
		
    /* USER CODE BEGIN 3 */
		HAL_Delay(1000);
		if(SHT30_Read_Dat(recv_dat) == HAL_OK)
		{
			if(SHT30_Dat_To_Float(recv_dat, &temperature, &humidity)==0)
			{
				printf("temperature = %f, humidity = %f\n", temperature, humidity);
			}
			else
			{
				printf("crc check fail.\n");
			}
		}
		else
		{
			printf("read data from sht30 fail.\n");
		}
	}
  /* USER CODE END 3 */
}

测试结果如图:

mark

至此,我们已经学会如何使用硬件IIC接口读取温湿度传感器数据并使用软件CRC校验(SHT30) ,下一节将讲述如何使用硬件CRC校验SHT30的数据。

更多精彩文章及资源,请关注我的微信公众号:『mculover666』。

mark