【STM32Cube_13】使用硬件I2C读写EEPROM(AT24C02)

337 阅读6分钟

寻求更好的阅读体验,请移步:Mculover666的个人博客

本篇详细的记录了如何使用STM32CubeMX配置STM32L431RCT6的硬件I2C外设读取EEPROM数据(以AT24C02为例)。

1. 准备工作

硬件准备

  • 开发板
    首先需要准备一个开发板,这里我准备的是STM32L4的开发板(BearPi):

mark

  • EEPROM
    小熊派开发板左边的接口是E53接口,用来连接E53接口的扩展板,每个扩展板都板载了一块EEPROM用来保存信息,如图:
    mark

AT24C02的原理图如下(该原理图中有bug,A0的上拉电阻无效,实际A0为低电平):

mark

软件准备

  • 需要安装好Keil - MDK及芯片对应的包,以便编译和下载生成的代码;

Keil MDK和串口助手Serial Port Utility 的安装包都可以在文末关注公众号获取,回复关键字获取相应的安装包:

mark

2.生成MDK工程

选择芯片型号

打开STM32CubeMX,打开MCU选择器:
mark

搜索并选中芯片STM32L431RCT6:
mark

配置时钟源

  • 如果选择使用外部高速时钟(HSE),则需要在System Core中配置RCC;
  • 如果使用默认内部时钟(HSI),这一步可以略过;

这里我都使用外部时钟:
mark

配置串口

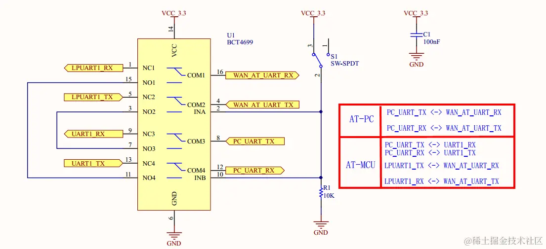
小熊派开发板板载ST-Link并且虚拟了一个串口,原理图如下:

mark

这里我将开关拨到AT-MCU模式,使PC的串口与USART1之间连接。

接下来开始配置USART1

mark

配置硬件I2C

首先查看小熊派开发板的原理图,确定EEPROM接在哪个I2C接口上,如图:

mark

接下来开始配置I2C接口1:

mark

配置时钟树

STM32L4的最高主频到80M,所以配置PLL,最后使HCLK = 80Mhz即可:

mark

生成工程设置

mark

代码生成设置

最后设置生成独立的初始化文件:

mark

生成代码

点击GENERATE CODE即可生成MDK-V5工程:

mark

3. 在MDK中编写、编译、下载用户代码

修改I2C初始化代码的小BUG

mark

重定向printf( )函数

参考:【STM32Cube_09】重定向printf函数到串口输出的多种方法

编写EEPROM驱动程序

EEPROM的驱动编写篇幅过多,单独分出来一节讲述。

4. AT24C02驱动的编写

确定IIC器件地址

根据AT24C02的 Datasheet 可知AT24C02有2K bit,即256B,分为32页,每页8个字节,结合数据手册和原理图可以得知,板载AT24C02的读地址为0xA2,写地址为0xA3

mark

首先在at24c02_i2c_drv.h中编写AT24C02相关的宏定义:

#define	AT24C02_ADDR_WRITE	0xA0
#define	AT24C02_ADDR_READ	0xA1

然后在at24c02_i2c_drv.c中引入i2c.h,基于HAL提供的硬件IIC操作函数,编写AT24C02的一些底层函数,如下。

任意地址写一个字节

根据AT24C02的数据手册可知,AT24C02写一个字节的格式如下:

mark

编写的函数如下:

/**
 * @brief		AT24C02任意地址写一个字节数据
 * @param		addr —— 写数据的地址(0-255)
 * @param		dat  —— 存放写入数据的地址
 * @retval		成功 —— HAL_OK
*/
uint8_t At24c02_Write_Byte(uint16_t addr, uint8_t* dat)
{
	return HAL_I2C_Mem_Write(&hi2c1, AT24C02_ADDR_WRITE, addr, I2C_MEMADD_SIZE_8BIT, dat, 1, 0xFFFF);
}

任意地址读一个字节

根据AT24C02的数据手册可知,AT24C02读一个字节的格式如下:

mark

编写的函数如下:

/**
 * @brief		AT24C02任意地址读一个字节数据
 * @param		addr —— 读数据的地址(0-255)
 * @param		read_buf —— 存放读取数据的地址
 * @retval		成功 —— HAL_OK
*/
uint8_t At24c02_Read_Byte(uint16_t addr, uint8_t* read_buf)
{
	return HAL_I2C_Mem_Read(&hi2c1, AT24C02_ADDR_READ, addr, I2C_MEMADD_SIZE_8BIT, read_buf, 1, 0xFFFF);
}

测试字节读写函数

main.c中测试:

int main(void)
{
	uint8_t write_dat = 0xa5;
	uint8_t recv_buf = 0;
  
  	HAL_Init();
  	SystemClock_Config();
 	MX_GPIO_Init();
 	MX_I2C1_Init();
 	MX_USART1_UART_Init();

	if(HAL_OK == At24c02_Write_Byte(10,&write_dat))
	{
		printf("Write ok\n");
	}
	else
	{
		printf("Write fail\n");
	}
	
	HAL_Delay(50);		//写一次和读一次之间需要短暂的延时
	
	if(HAL_OK == At24c02_Read_Byte(10,&recv_buf))
	{
		printf("Read ok, recv_buf = 0x%02X\n", recv_buf);
	}
	else
	{
		printf("Read fail\n");
	}

	while(1);

测试结果如下:

mark

任意地址连续写多个字节

AT24C02连续写字节的时候需要注意,不能使用写单个字节函数连续的写入,因为AT24C02分为了32页,每页是8个字节,如果连续的单字节写入8个字节后,会重复的继续往该页写数据,所以要使用如下的写一页的格式:

mark

/**
 * @brief		AT24C02任意地址连续写多个字节数据
 * @param		addr —— 写数据的地址(0-255)
 * @param		dat  —— 存放写入数据的地址
 * @retval		成功 —— HAL_OK
*/
uint8_t At24c02_Write_Amount_Byte(uint16_t addr, uint8_t* dat, uint16_t size)
{
    uint8_t i = 0;
    uint16_t cnt = 0;		//写入字节计数
    
    /* 对于起始地址,有两种情况,分别判断 */
    if(0 == addr % 8 )
    {
        /* 起始地址刚好是页开始地址 */
        
        /* 对于写入的字节数,有两种情况,分别判断 */
        if(size <= 8)
        {
            //写入的字节数不大于一页,直接写入
            return HAL_I2C_Mem_Write(&hi2c1, AT24C02_ADDR_WRITE, addr, I2C_MEMADD_SIZE_8BIT, dat, size, 0xFFFF);
        }
        else
        {
            //写入的字节数大于一页,先将整页循环写入
            for(i = 0;i < size/8; i++)
            {
                HAL_I2C_Mem_Write(&hi2c1, AT24C02_ADDR_WRITE, addr, I2C_MEMADD_SIZE_8BIT, &dat[cnt], 8, 0xFFFF);
                addr += 8;
                cnt += 8;
            }
            //将剩余的字节写入
            return HAL_I2C_Mem_Write(&hi2c1, AT24C02_ADDR_WRITE, addr, I2C_MEMADD_SIZE_8BIT, &dat[cnt], size - cnt, 0xFFFF);
        }
    }
    else
    {
        /* 起始地址偏离页开始地址 */
        /* 对于写入的字节数,有两种情况,分别判断 */
        if(size <= (8 - addr%8))
        {
            /* 在该页可以写完 */
            return HAL_I2C_Mem_Write(&hi2c1, AT24C02_ADDR_WRITE, addr, I2C_MEMADD_SIZE_8BIT, dat, size, 0xFFFF);
        }
        else
        {
            /* 该页写不完 */
            //先将该页写完
            cnt += 8 - addr%8;
            HAL_I2C_Mem_Write(&hi2c1, AT24C02_ADDR_WRITE, addr, I2C_MEMADD_SIZE_8BIT, dat, cnt, 0xFFFF);
            addr += cnt;
            
            //循环写整页数据
            for(i = 0;i < (size - cnt)/8; i++)
            {
                HAL_I2C_Mem_Write(&hi2c1, AT24C02_ADDR_WRITE, addr, I2C_MEMADD_SIZE_8BIT, &dat[cnt], 8, 0xFFFF);
                addr += 8;
                cnt += 8;
            }
            
            //将剩下的字节写入
            return HAL_I2C_Mem_Write(&hi2c1, AT24C02_ADDR_WRITE, addr, I2C_MEMADD_SIZE_8BIT, &dat[cnt], size - cnt, 0xFFFF);
        }			
    }
}

任意地址连续读多个字节

AT24C02连续读多个字节没有限制,直接读取即可,代码如下:

/**
 * @brief		AT24C02任意地址连续读多个字节数据
 * @param		addr —— 读数据的地址(0-255)
 * @param		dat  —— 存放读出数据的地址
 * @retval		成功 —— HAL_OK
*/
uint8_t At24c02_Read_Amount_Byte(uint16_t addr, uint8_t* recv_buf, uint16_t size)
{
	return HAL_I2C_Mem_Read(&hi2c1, AT24C02_ADDR_READ, addr, I2C_MEMADD_SIZE_8BIT, recv_buf, size, 0xFFFF);
}

测试任意地址连续读写多个字节

main.c中测试:

int main(void)
{
	uint8_t write_dat[22] = {0};
	uint8_t recv_buf[22] = {0};
  
  	HAL_Init();
  	SystemClock_Config();
 	MX_GPIO_Init();
 	MX_I2C1_Init();
 	MX_USART1_UART_Init();

	for(i = 0;i < 22; i++)
	{
		write_dat[i] = i;
		printf("%02X ", write_dat[i]);
		if((i+1) % 16 == 0)
		{
			printf("\n");
		}
	}
	if(HAL_OK == At24c02_Write_Amount_Byte(0, write_dat, 22))
	{
		printf("write ok\n");
	}
	else
	{
		printf("write fail\n");
	}
	HAL_Delay(50);
	if(HAL_OK == HAL_I2C_Mem_Read(&hi2c1, AT24C02_ADDR_READ, 0, I2C_MEMADD_SIZE_8BIT, recv_buf, 22, 0xFFFF))
	{
		printf("read ok\n");
		for(i = 0; i < 22; i++)
		{
			printf("0x%02X ", recv_buf[i]);
			if((i+1) % 8 == 0)
			{
				printf("\n");
			}
		}
	}
	else
	{
		printf("read fail\n");
	}

	while(1);

测试结果:

mark

将上面的读写地址由0改为5,再次测试:

if(HAL_OK == At24c02_Write_Amount_Byte(5, write_dat, 22))

测试结果:

mark

至此,我们已经学会如何使用硬件IIC接口读写EEPROM,下一节将讲述如何使用硬件IIC接口读取环境光强度传感器数据(BH1750)。

更多精彩文章及资源,请关注我的微信公众号:『mculover666』。

mark