【STM32Cube_10】使用ADC读取气体传感器数据(MQ-2)

339 阅读3分钟

寻求更好的阅读体验,请移步:Mculover666的个人博客

本篇详细的记录了如何使用STM32CubeMX配置STM32L431RCT6的ADC外设,读取MQ-2气体传感器的数据并通过串口发送。

1. 准备工作

硬件准备

  • 开发板
    首先需要准备一个开发板,这里我准备的是STM32L4的开发板(BearPi):
    mark
  • MQ-2模块
    MQ-2气体传感器一般用于家庭和工厂的气体泄漏监测装置,适用于液化气、丁烷、丙烷、甲烷、酒精、氢气、烟雾等的探测,如图:
    mark

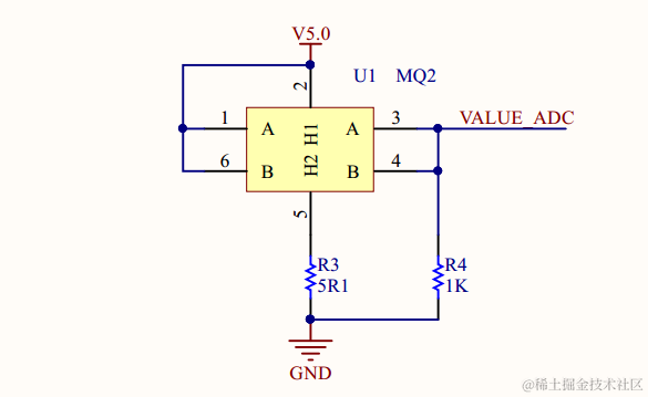
MQ-2的原理图如下:
mark

软件准备

  • 需要安装好Keil - MDK及芯片对应的包,以便编译和下载生成的代码;
  • 准备一个串口调试助手,这里我使用的是Serial Port Utility

Keil MDK和串口助手Serial Port Utility 的安装包都可以在文末关注公众号获取,回复关键字获取相应的安装包:

mark

2.生成MDK工程

选择芯片型号

打开STM32CubeMX,打开MCU选择器:
mark

搜索并选中芯片STM32L431RCT6:
mark

配置时钟源

  • 如果选择使用外部高速时钟(HSE),则需要在System Core中配置RCC;
  • 如果使用默认内部时钟(HSI),这一步可以略过;

这里我都使用外部时钟:
mark

配置串口

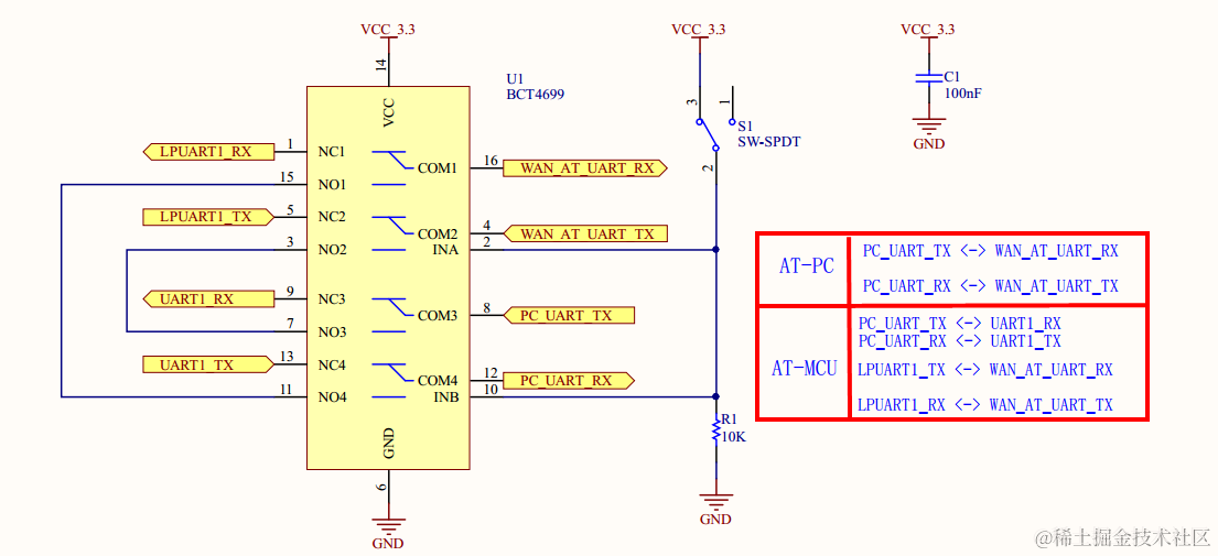
小熊派开发板板载ST-Link并且虚拟了一个串口,原理图如下:

mark

这里我将开关拨到AT-MCU模式,使PC的串口与USART1之间连接。

接下来开始配置USART1

mark

配置ADC

知识小卡片 —— ADC

ADC全称 Analog-to-Digital Converter,即模拟-数字转换器,可以将连续变化的模拟信号转换为离散的数字信号,进而使用数字电路进行处理,称之为数字信号处理。

STM32L431xx 系列有 1 个 ADC,ADC 分辨率高达 12 位,每个 ADC 具有多达 20 个的采集
通道,这些通道的 A/D 转换可以单次、连续、扫描或间断模式执行。 ADC 的结果可以左对齐
或右对齐方式存储在 16 位数据寄存器中。

STM32L431 的 ADC 最大的转换速率为 5.33Mhz,也就是转换时间为 0.188us(12 位分辨率
时),ADC 的转换时间与 AHB 总线时钟频率无关。

知识小卡片结束啦~对ADC有没有了解呢?

确定ADC通道

查看小熊派E53接口的原理图:
mark

配置ADC(单次转换模式)

首先选择ADC1,开启通道3:
mark

接下来是对ADC的设置,这里我们保持默认即可:
mark

最后设置ADC的转换规则:
mark

其余的一些设置保持默认即可。

配置时钟树

STM32L4的最高主频到80M,所以配置PLL,最后使HCLK = 80Mhz即可:
mark

mark

mark

生成工程设置

mark

代码生成设置

最后设置生成独立的初始化文件:
mark

生成代码

点击GENERATE CODE即可生成MDK-V5工程:
mark

3. 在MDK中编写、编译、下载用户代码

重定向printf( )函数

参考:【STM32Cube】(八)基于串口发送函数实现printf()

编写读取数据的测试代码

修改main函数如下:

int main(void)
{
	uint16_t smoke_value = 0;

    HAL_Init();

    SystemClock_Config();

    MX_GPIO_Init();
    MX_ADC1_Init();
    MX_USART1_UART_Init();

    while (1)
    {
        HAL_ADC_Start(&hadc1);	                //启动ADC单次转换
        HAL_ADC_PollForConversion(&hadc1, 50);	//等待ADC转换完成
        smoke_value = HAL_ADC_GetValue(&hadc1); //读取ADC转换数据
        printf("smoke_value = %d\n", smoke_value);
        HAL_Delay(500);
    }
}

mark

至此,我们已经学会如何使用ADC读取MQ-2传感器的值,下一节将讲述如何使用通用定时器闪烁LED。

更多精彩文章及资源,请关注我的微信公众号:『mculover666』。

mark