【STM32Cube_08】使用USART发送和接收数据(DMA模式)

459 阅读4分钟

寻求更好的阅读体验,请移步:Mculover666的个人博客

本篇文章主要介绍如何使用STM32CubeMX初始化STM32L431RCT6的USART,并使用DMA模式发送数据和接收数据。

1. 准备工作

硬件准备

  • 开发板
    首先需要准备一个开发板,这里我准备的是STM32L4的开发板(BearPi):

mark

软件准备

  • 需要安装好Keil - MDK及芯片对应的包,以便编译和下载生成的代码;
  • 准备一个串口调试助手,这里我使用的是Serial Port Utility

Keil MDK和串口助手Serial Port Utility 的安装包都可以在文末关注公众号获取,回复关键字获取相应的安装包:

mark

2.生成MDK工程

选择芯片型号

打开STM32CubeMX,打开MCU选择器:

mark

搜索并选中芯片STM32L431RCT6:

mark

配置时钟源

  • 如果选择使用外部高速时钟(HSE),则需要在System Core中配置RCC;
  • 如果使用默认内部时钟(HSI),这一步可以略过;

这里我都使用外部时钟:

mark

配置串口

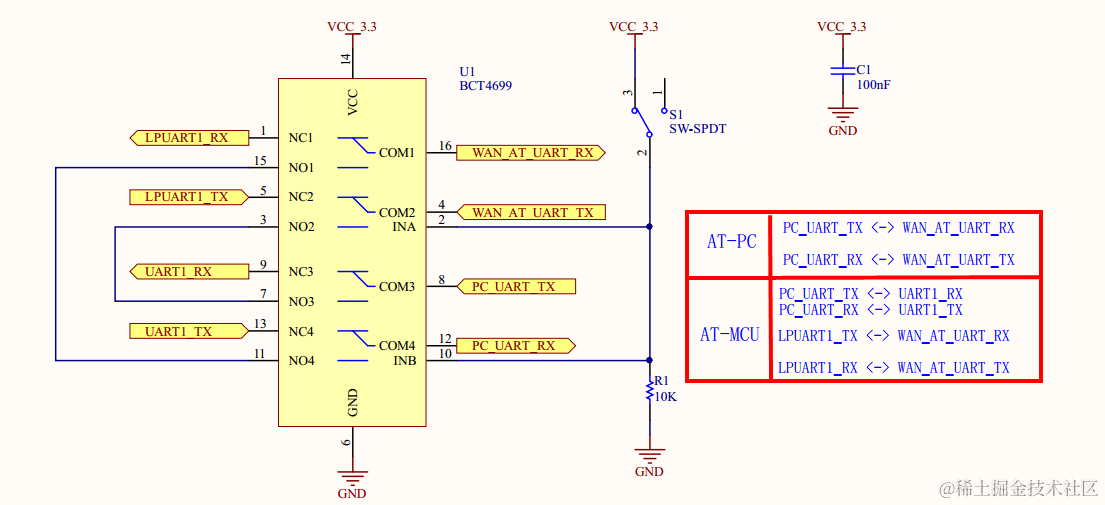
小熊派开发板板载ST-Link并且虚拟了一个串口,原理图如下:

mark

这里我将开关拨到AT-MCU模式,使PC的串口与USART1之间连接。

接下来开始配置USART1

mark

USART DMA配置

知识小卡片 —— DMA

DMA 全称 Direct Memory Access(直接存储器访问), 是STM32的一个外设,它的特点在于:

不占用CPU的情况下将数据从存储器直接搬运到外设,或者从外设直接搬运到存储器,当然也可以从存储器直接搬运到存储器。

比如在需要串口发送大量数据的时候,CPU只需要发起DMA传输请求,然后就可以去做别的事情了,DMA会将数据传输到串口发送,DMA传输完之后会触发中断,CPU如果有需要,可以对该中断进行处理,这样一来CPU的效率是不是大大提高了?

在STM32L431RCT6中有 2 个 DMA 外设:DMA1 和 DMA2,每个DMA外设有 7 个通道,每个通道都是独立的,配置DMA的时候有几个关键点:

  • 数据从哪里来?
  • 数据到哪里去?
  • 有多少数据?

知识小卡片结束啦~对STM32的DMA外设有没有了解呢?

接下来我们配置DMA,将存储器(SRAM)中的数据直接搬运到串口外设去发送:

mark

配置时钟树

STM32L4的最高主频到80M,所以配置PLL,最后使HCLK = 80Mhz即可:

mark

生成工程设置

mark

代码生成设置

最后设置生成独立的初始化文件:

mark

生成代码

点击GENERATE CODE即可生成MDK-V5工程:

mark

3. 在MDK中编写、编译、下载用户代码

定义发送数据区域

/* Private user code ---------------------------------------------------------*/
/* USER CODE BEGIN 0 */
uint8_t dat[] = "Hello, I am Mculover666.\n";
/* USER CODE END 0 */

在main函数中发起DMA传输

int main(void)
{
  HAL_Init();

  SystemClock_Config();

  MX_GPIO_Init();
  MX_USART1_UART_Init();

  /* USER CODE BEGIN 2 */
  HAL_UART_Transmit_DMA(&huart1, (uint8_t*)dat, sizeof(dat));
  /* USER CODE END 2 */

  while (1)
  {
  }
}

实验现象

编译下载运行后,实验现象如下:

mark

4. 使用DMA接收串口数据

说明

  • 使用HAL库的时候不能同时使用DMA发送和接收数据,会出错。
  • 所有的步骤和发送时一样,这里我只给出需要修改的部分。

修改串口DMA配置

mark

添加串口接收缓冲区

/* Private user code ---------------------------------------------------------*/
/* USER CODE BEGIN 0 */
uint8_t dat[] = "Hello, I am Mculover666.\n";
uint8_t recv_buf[13] = {0};		//串口接收缓冲区
/* USER CODE END 0 */

修改main函数

int main(void)
{
  HAL_Init();

  SystemClock_Config();

  MX_GPIO_Init();
  MX_DMA_Init();
  MX_USART1_UART_Init();

  /* USER CODE BEGIN 2 */
  HAL_UART_Transmit(&huart1, (uint8_t*)dat, sizeof(dat), 0xFFFF);
  HAL_UART_Receive_DMA(&huart1, recv_buf, 13);  //使能DMA接收
  /* USER CODE END 2 */

  while (1)
  {
  }
}

添加串口接收中断回调函数

/* USER CODE BEGIN 4 */
void HAL_UART_RxCpltCallback(UART_HandleTypeDef *huart) 
{ 
	//将接收到的数据再发送
	HAL_UART_Transmit(&huart1,recv_buf,13, 0xFFFF);
}
/* USER CODE END 4 */

实验现象

mark

至此,我们已经学会了如何配置USART使用DMA模式发送数据和接收数据,下一节将讨论实现printf()函数的多种方法。

更多精彩文章及资源,请关注我的微信公众号:『mculover666』。

mark