大家好,我是痞子衡,是正经搞技术的痞子。今天痞子衡给大家分享的是串行NOR Flash的DQS信号功能。
串行NOR Flash在嵌入式里的应用相当广泛,既可用作数据存储也可以用作代码(XiP)存储,串行NOR Flash种类很多,最早期有Standard SPI(一线),后来发展到QuadSPI(四线),到现在OctalSPI或者HyperBus SPI(八线),I/O管脚越来越多,数据吞吐率也越来越高。但到八线Flash的时候,你会发现多了一个特殊的控制信号DQS,DQS是Data Strobe Signal缩写,中文直译叫数据选通信号,这个DQS信号有什么作用呢?今天痞子衡带大家分析一下:
一、回顾DDR中DQS
我们对DQS信号更深的印象应该来源于DDR,DDR是DDR SDRAM的简称,其本身也是Double Data Rate(双倍数据速率)的缩写。从RAM分类来看,DDR是DRAM范畴内的重要组成,DDR已经发展到了第n代了。
在DDR中,DQS信号主要作用是用来在一个时钟周期内准确的区分出每个数据传输周期,从而便于接收方准确接收数据。DQS信号是双向的,在写入DDR时它用来传送由主设备发来的DQS信号,读取DDR时则由DDR生成DQS向主设备发送,所以DQS其实就是数据的同步信号。关于DQS以及DDR原理可以参看网上一篇很好的文章《DDR工作原理》。
那么Flash上的DQS功能与DDR上DQS是不是一样呢?有相同点也有不同点,咱们继续往下看:
二、DQS之Octal Flash篇
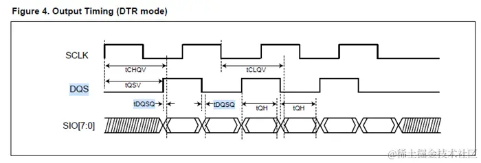
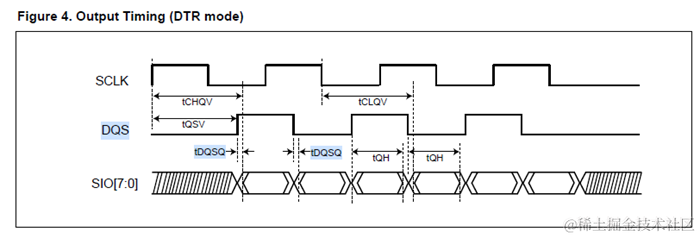
我们来看一款典型的Octal Flash,来自MXIC的MX25UM51345G。这款Flash包含DQS引脚(I/O属性为输出),从芯片数据手册里找到跟DQS信号相关的主要是下面这张输出时序图,DQS信号仅在DTR模式(SCLK双边沿采样)时生效,并且只在Flash输出数据时起作用(主设备写Flash时,DQS不起作用),即DQS信号是Flash发出的用于通知读取Flash的主设备SIO[7:0]数据线开始更新的标志。
让我们结合AC特性表里的Symbol再来进一步分析,SCLK信号边沿用于触发Flash数据更新,但是SIO[7:0]数据线并不是在SCLK边沿就立刻更新并且稳定的,这里有一定的时延(tCHQV),在tCHQV时间内,Flash核心收到SCLK触发信号,开始准备数据,并陆续放到SIO[7:0]线上。由于tCHQV时间相对较长,主设备仅根据SCLK信号边沿不知道应该什么时候去拿数据,因此诞生了DQS,DQS信号边沿标志着SIO数据线开始更新,但是SIO[7:0]一共8根数据线,这8根数据线更新不是完全同步的,这就有一个硬性规定,即tDQSQ时间,各数据线SIO[x]在DQS信号跳变开始后不得超过tDQSQ最大时间必须把数据更新完毕。
tCHQV - 从SCLK信号跳变到SIO[7:0]输出有效的时间
tQSV - 从SCLK信号跳变到DQS信号跳变的时间
tDQSQ - 从DQS信号跳变到SIO[7:0]输出有效的时间
tQH - SIO[7:0]输出保持时间
三、DQS之Hyper Flash篇
再来看一款典型的Hyper Flash,来自Cypress的S26KS512S。这款Flash包含RWDS引脚(I/O属性为输出),RWDS就是DQS信号。与Octal Flash不同的是,Hyper Flash的时钟信号CK往往是差分的,差分信号因为其补偿纠正特性,使得时钟跳变间隔比较稳定,因此数据传输从CK与CK#交叉点开始进行。Hyper Flash天然是DTR传输模式,RWDS作用与Octal Flash上的DQS是完全一致的。
同样结合AC特性表里的Symbol来进一步分析,CK差分信号跳变用于触发Flash数据更新,在tCKD时间内,Flash核心收到CK触发信号,开始准备数据,并陆续放到DQ[7:0]线上。RWDS信号边沿标志着DQ数据线开始更新,各数据线DQ[x]在RWDS信号跳变开始后不得超过tDSS最大时间必须把数据更新完毕。
tCKD - 从CK差分信号跳变到DQ[7:0]输出有效的时间
tCKDS - 从CK差分信号跳变到RWDS信号跳变的时间
tDSS - 从RWDS信号跳变到DQ[7:0]输出有效的时间
至此,串行NOR Flash的DQS信号功能痞子衡便介绍完毕了,掌声在哪里~~~
欢迎订阅
文章会同时发布到我的 博客园主页、CSDN主页、知乎主页、微信公众号 平台上。
微信搜索"痞子衡嵌入式"或者扫描下面二维码,就可以在手机上第一时间看了哦。
