双向链表

95 阅读1分钟

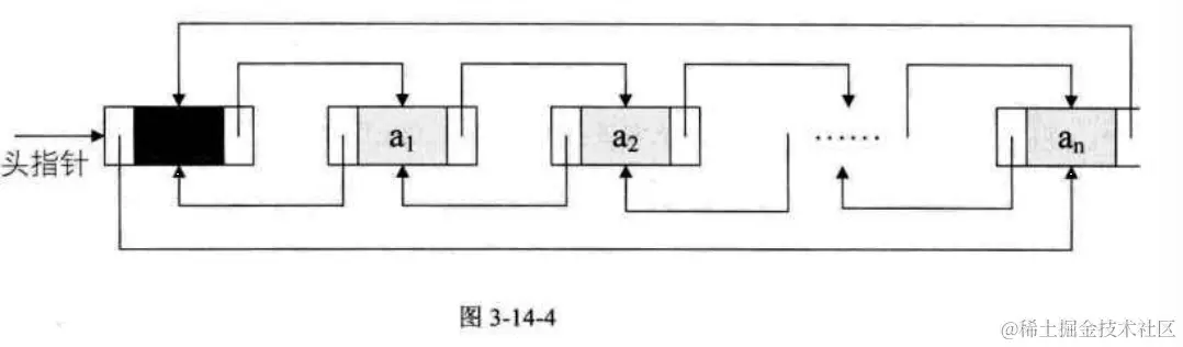
双向链表是在单链表的每个结点中,再设置一个指向其前驱结点的指针域。双向链表中的结点都有两个指针域,一个指向直接后继,另一个指向直接前驱。

线性表的双向链表存储结构
图片.png 单链表可以有循环链表,双向链表可以是循环表。

双向链表的循环带头结点的空链表如图 图片.png

非空的循环的带头结点的双向链表如图 图片.png p->next->prior = p = p->prior->next

插入操作 图片.png

删除操作

图片.png free(p);