首页
沸点
课程
数据标注
HOT
AI Coding
更多
直播
活动
APP
插件
直播
活动
APP
插件
搜索历史
清空
创作者中心
写文章
发沸点
写笔记
写代码
草稿箱
创作灵感
查看更多
登录
注册
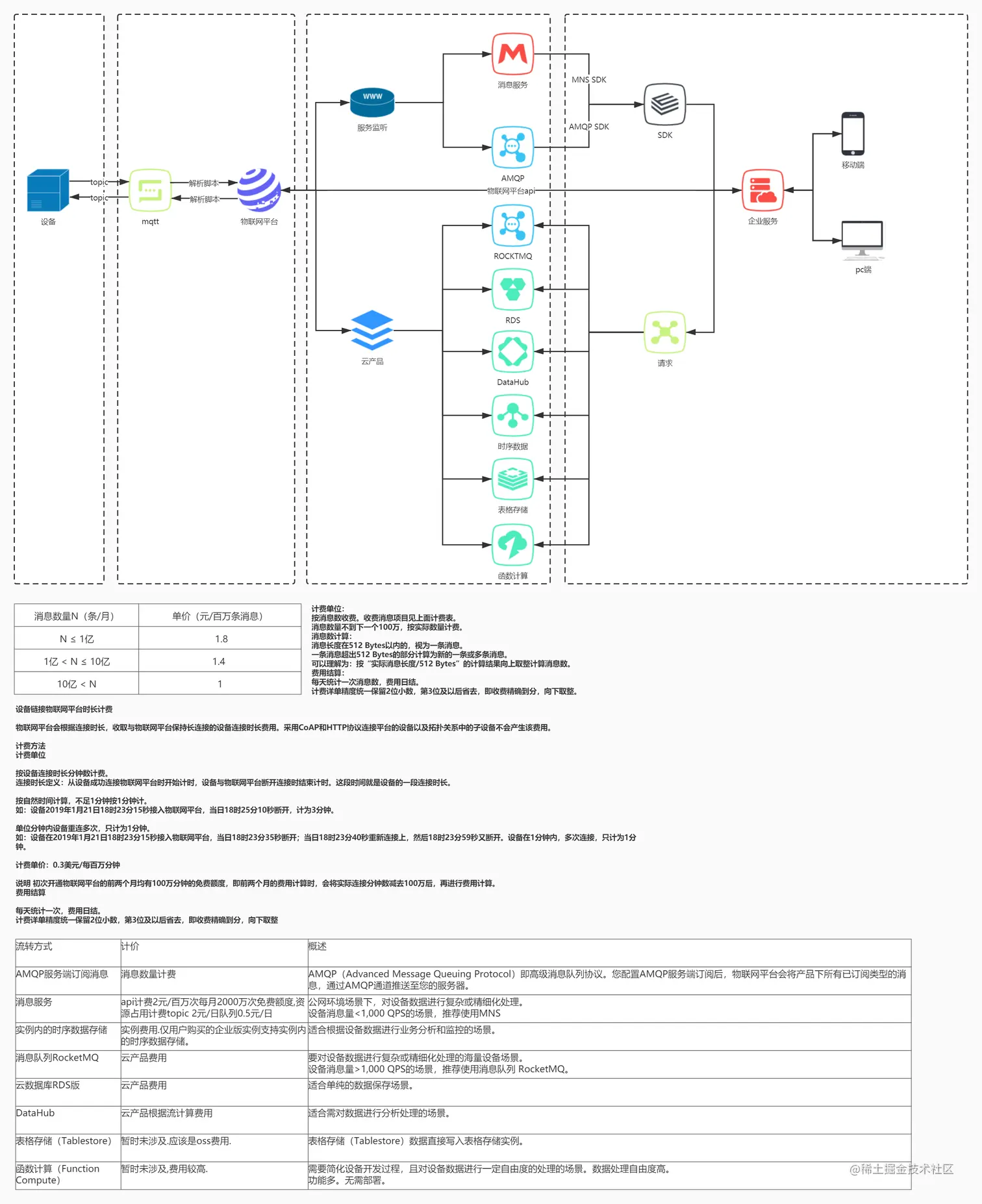
阿里物联网平台选型
pupilman
2021-02-19
189
阅读1分钟
pupilman
java开发工程师 @
25
文章
14k
阅读
7
粉丝
目录
收起