首页
沸点
课程
数据标注
HOT
AI Coding
更多
直播
活动
APP
插件
直播
活动
APP
插件
搜索历史
清空
创作者中心
写文章
发沸点
写笔记
写代码
草稿箱
创作灵感
查看更多
登录
注册
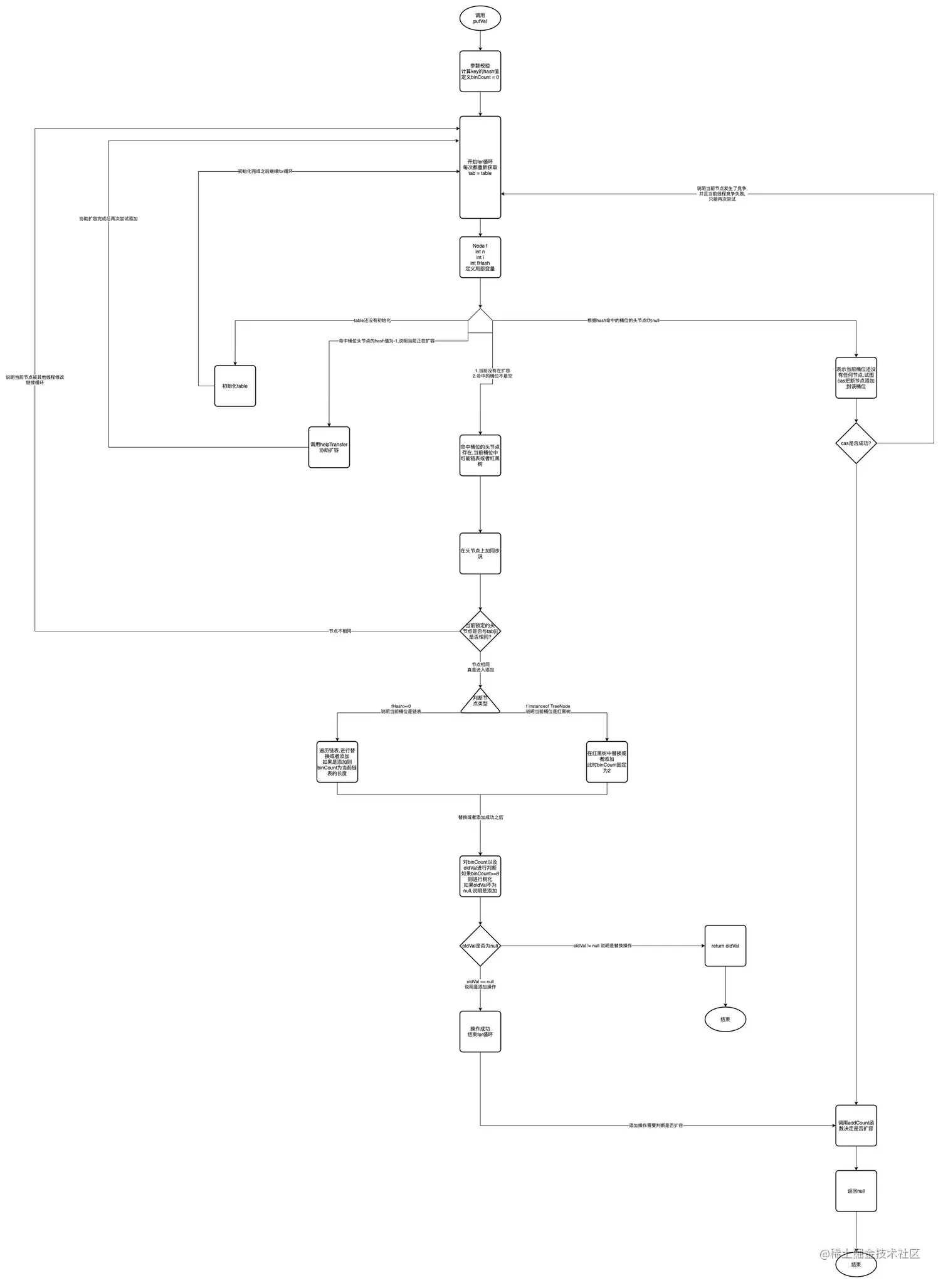
ConcurrentHashMap#putVal函数逻辑
Janita
2021-01-27
144
阅读1分钟
Janita
3
文章
422
阅读
0
粉丝
目录
收起