正点原子:STM32F103(战舰)、STM32F407(探索者)、STM32F103(MINI)原理图和PCB

759 阅读7分钟

目录

1、STM32F103(战舰)

2、STM32F407(探索者)

3、STM32F103(MINI) 


为各位嵌入式好朋友分享三个重磅资源,正点原子三件套,可直接打样使用~

1、STM32F103(战舰)

ALIENTEK战舰STM32F103,资源十分丰富,并把STM32F103的内部资源发挥到了极致,基本所有STM32F103的内部资源,都可以在此开发板上验证,同时扩充丰富的接口和功能模块,整个开发板显得十分大气。

板载资源如下所示:

  • CPU:STM32F103ZET6,LQFP144,FLASH:512K,SRAM:64K;
  • 外扩SRAM:IS62WV51216,1M字节
  • 外扩SPI FLASH:W25Q128,16M字节
  • 1个电源指示灯(蓝色)
  • 2个状态指示灯(DS0:红色,DS1:绿色)
  • 1个红外接收头,并配备一款小巧的红外遥控器
  • 1个 EEPROM芯片,24C02,容量256字节
  • 1个板载扬声器(在底面,用于音频输出)
  • 1个光敏传感器
  • 1个高性能音频编解码芯片,VS1053
  • 1个无线模块接口(可接NRF24L01/RFID模块等)
  • 1路CAN接口,采用TJA1050芯片
  • 1路485接口,采用SP3485芯片
  • 2路RS232串口(一公一母)接口,采用SP3232芯片
  • 1个游戏手柄接口(与公头串口共用DB9口),可接插FC(红白机)游戏手柄
  • 1路数字温湿度传感器接口,支持DS18B20 /DHT11等
  • 1个ATK模块接口,支持ALIENTEK蓝牙/GPS模块/MPU6050模块等
  • 1个标准的2.4/2.8/3.5/4.3/7寸LCD接口,支持触摸屏
  • 1个摄像头模块接口
  • 1个OLED模块接口(与摄像头接口共用)
  • 1个USB串口,可用于程序下载和代码调试(USMART调试)
  • 1个USB SLAVE接口,用于USB通信
  • 1个有源蜂鸣器
  • 1个游戏手柄/RS232选择开关
  • 1个RS232/RS485选择接口
  • 1个RS232/模块选择接口
  • 1个CAN/USB选择接口
  • 1个串口选择接口
  • 1个SD卡接口(在板子背面,SDIO接口)
  • 1个10M/100M以太网接口(RJ45)
  • 1个标准的JTAG/SWD调试下载口
  • 1个录音头(MIC/咪头)
  • 1路立体声音频输出接口
  • 1路立体声录音输入接口
  • 1组多功能端口(DAC/ADC/PWM DAC/AUDIO IN/TPAD)
  • 1组5V电源供应/接入口
  • 1组3.3V电源供应/接入口
  • 1个参考电压设置接口
  • 1个直流电源输入接口(输入电压范围:6~24V)
  • 1个启动模式选择配置接口
  • 1个RTC后备电池座,并带电池
  • 1个复位按钮,可用于复位MCU和LCD
  •  4个功能按钮,其中KEY_UP兼具唤醒功能
  • 1个电容触摸按键
  • 1个电源开关,控制整个板的电源
  • 独创的一键下载功能
  • 除晶振占用的IO口外,其余所有IO口全部引出

原理图设计如下所示:

PCB设计如下所示:

2、STM32F407(探索者)

ALIENTEK探索者STM32F4开发板,资源十分丰富,并把STM32F407的内部资源发挥到了极致,基本所有STM32F407的内部资源,都可以在此开发板上验证,同时扩充丰富的接口和功能模块,整个开发板显得十分大气。

板载资源如下所示:

  • CPU:STM32F407ZGT6,LQFP144,FLASH:1024K,SRAM:192K;
  • 外扩SRAM:IS62WV51216,1M字节
  • 外扩SPI FLASH:W25Q128,16M字节
  • 1个电源指示灯(蓝色)
  • 2个状态指示灯(DS0:红色,DS1:绿色)
  • 1个红外接收头,并配备一款小巧的红外遥控器
  • 1个 EEPROM芯片,24C02,容量256字节
  • 1个六轴(陀螺仪+加速度)传感器芯片,MPU6050
  • 1个高性能音频编解码芯片,WM8978
  • 1个2.4G无线模块接口,支持NRF24L01无线模块
  • 1路CAN接口,采用TJA1050芯片
  • 1路485接口,采用SP3485芯片
  • 2路RS232串口(一公一母)接口,采用SP3232芯片
  • 1路单总线接口,支持DS18B20/DHT11等单总线传感器
  • 1个ATK模块接口,支持ALIENTEK蓝牙/GPS模块
  • 1个标准的2.4/2.8/3.5/4.3/7寸LCD接口,支持电阻/电容触摸屏
  • 1个摄像头模块接口
  • 1个OLED模块接口
  • 1个USB串口,可用于程序下载和代码调试(USMART调试)
  • 1个USB SLAVE接口,用于USB从机通信 
  • 1个USB HOST(OTG)接口,用于USB主机通信 
  • 1个有源蜂鸣器 
  • 1个RS232/RS485选择接口
  • 1个RS232/模块选择接口
  • 1个CAN/USB选择接口
  • 1个串口选择接口
  • 1个SD卡接口(在板子背面)
  • 1个百兆以太网接口(RJ45) 
  •  1个标准的JTAG/SWD调试下载口  
  • 1个录音头(MIC/咪头)
  • 1路立体声音频输出接口
  • 1路立体声录音输入接口
  • 1路扬声器输出接口,可接1W左右小喇叭
  • 1组多功能端口(DAC/ADC/PWM DAC/AUDIO IN/TPAD)
  • 1组5V电源供应/接入口
  • 1组3.3V电源供应/接入口
  • 1个参考电压设置接口
  • 1个直流电源输入接口(输入电压范围:DC6~16V) 
  • 1个启动模式选择配置接口
  • 1个RTC后备电池座,并带电池
  • 1个复位按钮,可用于复位MCU和LCD
  • 4个功能按钮,其中KEY_UP(即WK_UP)兼具唤醒功能
  • 1个电容触摸按键
  • 1个电源开关,控制整个板的电源
  • 独创的一键下载功能
  •  除晶振占用的IO口外,其余所有IO口全部引出

原理图设计如下所示: 

PCB设计如下所示: 

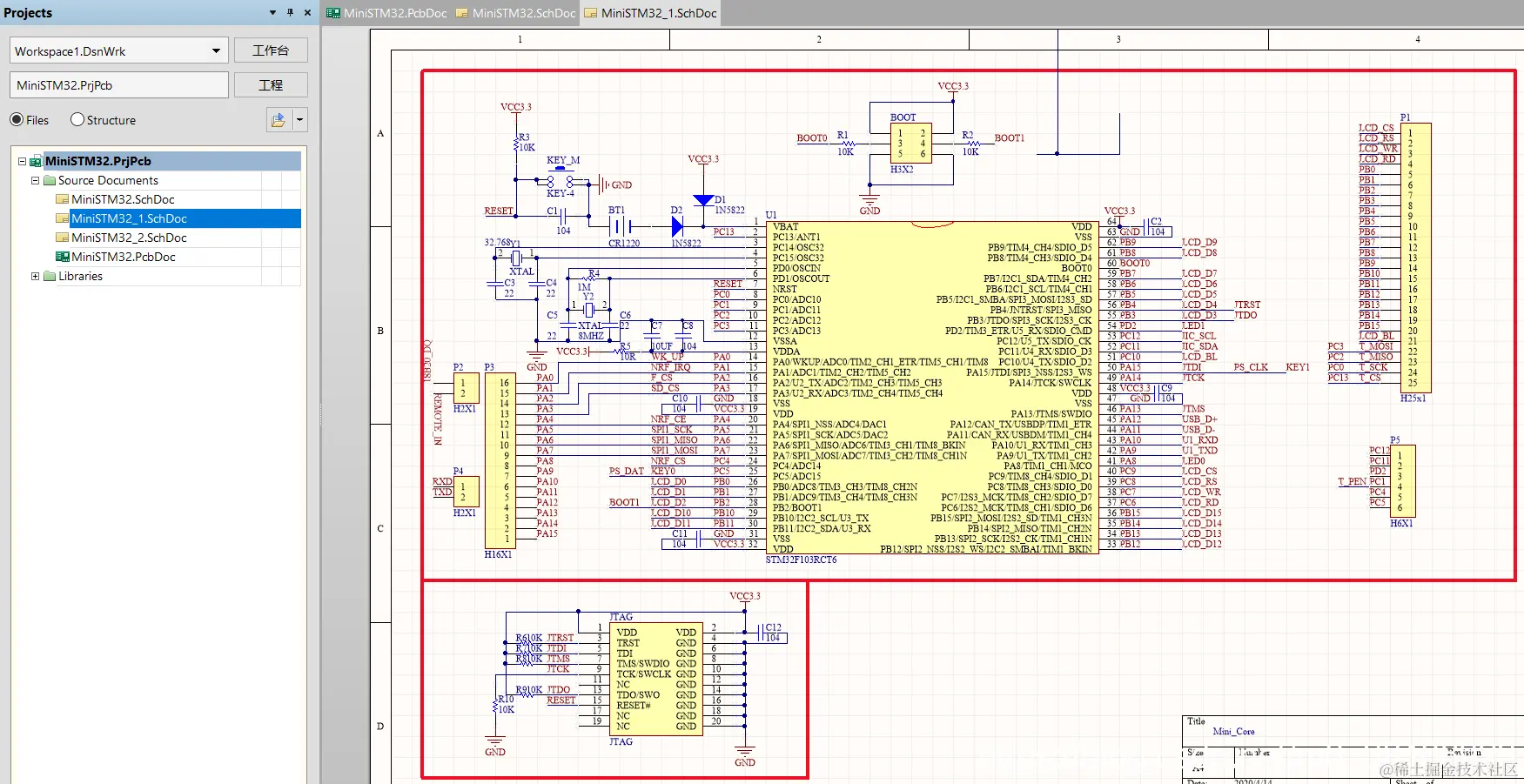
3、STM32F103(MINI) 

MiniSTM32开发板,设计精良,结构小巧!板子的设计充分考虑了成本与功能这两个矛盾面,再结合实际使用的经验及STM32的特点,最终确定了这样的设计。总体来说是该有的都有,不该有的坚决不要,可有可无的选择性价比最高的留下。

板载资源如下所示:

  • 1个标准的JTAG/SWD调试下载口
  • 1个电源指示灯(蓝色)
  • 2个状态指示灯(DS0:红色,DS1:绿色)
  • 1个红外接收头,配备一款小巧的红外遥控器
  • 1个IIC接口的EEPROM芯片,24C02,容量256字节
  • 1个SPI FLASH芯片,W25Q64,容量为8M字节(即64M bit)
  • 1个DS18B20/DS1820温度传感器预留接口
  • 1个标准的2.4/2.8/3.5/4.3/7寸LCD接口,支持触摸屏
  • 1个OLED模块接口(与LCD接口部分共用)
  • 1个USB串口接口,可用于程序下载和代码调试
  • 1个USB SLAVE接口,用于USB通信
  • 1个SD卡接口
  • 1个PS/2接口,可外接鼠标、键盘
  • 1组5V电源供应/接入口
  • 1组3.3V电源供应/接入口
  • 1个启动模式选择配置接口
  • 1个2.4G无线通信接口
  • 1个RTC后备电池座,并带电池
  • 1个复位按钮,可用于复位MCU和LCD
  • 3个功能按钮,其中WK_UP兼具唤醒功能
  • 1个电源开关,控制整个板的电源
  • 3.3V与5V电源TVS保护,有效防止烧坏芯片。
  • 独创的一键下载功能
  • 除晶振占用的IO口外,其余所有IO口全部引出,其中GPIOA和GPIOB按顺序引

原理图设计如下所示: 

PCB设计如下所示: 

请关注公众号,回复关键字:正点原子,获取资源~