11. 基于ARM Cortex-A9中断详解

579 阅读19分钟

一、中断概念

操作系统中,中断是很重要的组成部分。出现某些意外情况需主机干预时,机器能自动停止正在运行的程序并转入处理新情况的程序,处理完毕后又返回原被暂停的程序继续运行。

有了中断系统才可以不用一直轮询(polling)是否有事件发生,系统效率才得以提高。

一般在系统中,中断控制分为三个部分:「模块、中断控制器和处理器」

其中模块通常由寄存器控制是否使能中断和中断触发条件等;中断控制器可以管理中断的优先级等,而处理器则由寄存器设置用来响应中断。

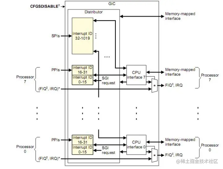
二、GIC

作为 ARM 系统中通用中断控制器的是 GIC(Generic Interrupt Controller),目前有四个版本,V1~V4(V2最多支持8个ARM core,V3/V4支持更多的ARM core,主要用于ARM64系统结构)。

【注意】对于一些老的ARM处理器,比如ARM11,Cortex-A8,中断控制器一般是VIC(向量中断控制器)。

1. GIC-400

下面以GIC-400为例,它更适合嵌入式系统,符合v2版本的GIC architecture specification。GIC-400通过AMBA(Advanced Microcontroller Bus Architecture)片上总线连接到一个或者多个ARM处理器上。

GIC中断控制器全局图

GIC中断控制器全局图

从上图可以看出, GIC 是联系外设中断和 CPU 的桥梁,也是各 CPU 之间中断互联的通道(也带有管理功能),它负责检测、管理、分发中断,可以做到:

  1. 使能或禁止中断;

  2. 把中断分组到Group0还是Group1(Group0作为安全模式使用连接FIQ ,Group1 作为非安全模式使用,连接IRQ );

  3. 多核系统中将中断分配到不同处理器上;

  4. 设置电平触发还是边沿触发方式(不等于外设的触发方式);

  5. 虚拟化扩展。

ARM CPU 对外的连接只有2 个中断: 「IRQ和FIQ」 ,相对应的处理模式分别是一般中断(IRQ )处理模式和快速中断(FIQ )处理模式。所以GIC 最后要把中断汇集成2 条线,与CPU 对接。

GIC中断控制器结构

GIC中断控制器结构

分发器:负责各个子中断使能,设置触发方式,优先级排序,分发到哪个 CPU 上; 接口:负责总的中断的使能,状态的维护。

2. 分发器功能

分发器的主要的作用是检测各个中断源的状态,控制各个中断源的行为,分发各个中断源产生的中断事件到指定的一个或者多个CPU接口上。虽然分发器可以管理多个中断源,但是它总是把优先级最高的那个中断请求送往CPU接口。分发器对中断的控制包括:

  • (a)中断使能或禁能控制。分发器对中断的控制分成两个级别,一个是全局中断的控制(GIC_DIST_CTRL),一旦禁能了全局的中断,那么任何的中断源产生的中断事件都不会被传递到CPU接口;另外一个级别是对针对各个中断源进行控制(GIC_DIST_ENABLE_CLEAR),禁能某一个中断源会导致该中断事件不会分发到CPU接口,但不影响其他中断源产生中断事件的分发。

  • (b)控制将当前优先级最高的中断事件分发到一个或者一组CPU接口。

  • (c)优先级控制。

  • (d)中断属性设定,例如是电平触发还是边沿触发。

  • (e)中断的设定。

分发器可以管理若干个中断源,这些中断源用ID来标识,我们称之interrupt ID。

3. CPU接口功能

CPU接口主要用于和CPU进行接口。

主要功能包括:

  • (a)使能或者禁能CPU接口向连接的CPU提交中断事件。对于ARM,CPU接口和CPU之间的中断信号线是nIRQCPU和nFIQCPU。如果禁能了中断,那么即便是分发器分发了一个中断事件到CPU接口,但是也不会提交指定的nIRQ或者nFIQ通知CPU。

  • (b)ackowledging中断。CPU会向CPU接口应答中断,中断一旦被应答,分发器就会把该中断的状态从pending状态修改成active,如果没有后续pending的中断,那么CPU 接口就会deassert nIRQCPU和nFIQCPU信号线。如果在这个过程中又产生了新的中断,那么分发器就会把该中断的状态从pending状态修改成pending and active。此时,CPU接口仍然会保持nIRQ或者nFIQ信号的asserted状态,也就是向CPU通知下一个中断。

  • (c)中断处理完毕的通知。当中断处理器处理完了一个中断的时候,会向写CPU 接口的寄存器从而通知GIC已经处理完该中断。做这个动作一方面是通知分发器将中断状态修改为deactive,另外一方面,可以允许其他的pending的中断向CPU接口提交。

  • (d)设定优先级掩码。通过优先级掩码可以mask掉一些优先级比较低的中断,这些中断不会通知到CPU。

  • (e)设定中断抢占的策略。

  • (f)在多个中断事件同时到来的时候,选择一个优先级最高的通知CPU。

key中断管理模块图

key中断管理模块图

以上图为例,该图是按键产生的中断信号要到达cpu所要经过的路径。

  1. 外设中断源有很多,通常芯片厂商会设计若干个第一级中断控制器,进行第一次处理,key连接的是GPX1中断控制器,寄存器EXT_INT41_MASK用于使能该中断;

  2. GIC主要包括分排气和cpu interface;

  3. ICDISER用于使能分派器,ICDIPTR用于将中断信号分发给对应的cpu interface;

  4. ICCICR用于使能CPU interface;

  5. CPU上有两个引脚irq、fiq,gic最终会连接到CPU的irq,所有寄存器配置完毕后,按键一旦按下,那么就会给CPU的irq发送一个中断信号,cpu紧接着就会执行“4大步3小步”,进入中断异常处理流程。

三、中断分类

1. 中断源

硬件中断(Hardware Interrupt)

  1. 可屏蔽中断(maskable interrupt)。硬件中断的一类,可通过在中断屏蔽寄存器中设定位掩码来关闭。

  2. 非可屏蔽中断(non-maskable interrupt,NMI)。硬件中断的一类,无法通过在中断屏蔽寄存器中设定位掩码来关闭。典型例子是时钟中断(一个硬件时钟以恒定频率—如50Hz—发出的中断)。

  3. 处理器间中断(interprocessor interrupt)。一种特殊的硬件中断。由处理器发出,被其它处理器接收。仅见于多处理器系统,以便于处理器间通信或同步。

  4. 伪中断(spurious interrupt)。一类不希望被产生的硬件中断。发生的原因有很多种,如中断线路上电气信号异常,或是中断请求设备本身有问题。

软件中断(Software Interrupt)

软件中断SWI,是一条CPU指令,用以自陷一个中断。由于软中断指令通常要运行一个切换CPU至内核态的子例程,它常被用作实现系统调用(System call)。

外部中断

  1. I/O设备:如显示器、键盘、打印机、A / D转换器等。

  2. 数据通道:软盘、硬盘、光盘等。 数据通道中断也称直接存储器存取(DMA)操作中断,如磁盘、磁带机或CRT等直接与存储器交换数据所要求的中断。

  3. 实时时钟:如外部的定时电路等。在控制中遇到定时检测和控制,为此常采用一个外部时钟电路(可编程)控制其时间间隔。需要定时时,CPU发出命令使时钟电路开始工作,一旦到达规定时间,时钟电路发出中断请求,由CPU转去完成检测和控制工作。

  4. 用户故障源:如掉电、奇偶校验错误、外部设备故障等。

产生于CPU内部的中断源

  1. 由CPU得运行结果产生:如除数为0、结果溢出、断点中断、单步中断、存储器读出出错等。

  2. 执行中断指令swi

  3. 非法操作或指令引起异常处理。

2. 中断类型

GIC 中断类型有3种:SGI(Software-generated interrupt)、PPI(Private peripheral interrupt )、SPI(Shared peripheral interrupt)。

  1. SGI: SGI为软件可以触发的中断,统一编号为0~15(ID0-ID7是不安全中断,ID8-ID15是安全中断),用于各个core之间的通信。该类中断通过相关联的中断号和产生该中断的处理器的CPUID来标识。 通常为边沿触发。

  2. PPI: PPI为每个 core 的私有外设中断,统一编号为 16-31 。例如每个 CPU 的 local timer 即 Arch Timer 产生的中断就是通过 PPI 发送给 CPU 的(安全为29,非安全为30)。

通常为边沿触发和电平触发。

  1. SPI: SPI 是系统的外设产生的中断,为各个 core 公用的中断,统一编号为 32~1019 ,如 global timer 、uart 、gpio 产生的中断。 通常为边沿触发和电平触发。

Note:电平触发是在高或低电平保持的时间内触发, 而边沿触发是由高到低或由低到高这一瞬间触发;在GIC中PPI和SGI类型的中断可以有相同的中断ID。

3. 中断分派模式

  1. 1-N mode (SPIs using the GIC 1-N model) 表示中断可以发给所有的CPU,但只能由一个CPU来处理中断;换句话说,这种类型的中断有N个目标CPU,但只能由其中一个来处理;当某一个处理器应答了该中断,便会清除在所有目标处理器上该中断的挂起状态。

  2. N-N mode (PPIs and SGIs using the GIC N-N model) 表示中断可以发给所有CPU,每个CPU可以同时处理该中断。当该中断被某一个处理器应答了,这不会影响该中断在其他CPU接口上的状态。

举两个例子说明:

1)UART 接收到一包数据,产生了一个中断给GIC,GIC可以将该中断分配给CPU0-7中任何一个处理;假设该中断分配给CPU0处理了,那么在中断处理函数里面会把接收到的数据从UART FIFO读出。可以想象一下,如果CPU0在读数据时,另外一个CPU也在处理该中断,恰巧也在读数据,那么CPU0读到的数据是不全的。这就是1-N model中断,或者说SPI中断。

2)比如CPU0给CPU1-7发送中断,想告知对方自己正在处理某个进程A。这种场景下,CPU1-7都接收到中断,都进入中断处理函数,CPU1-7获取到CPU0的信息后,在进程调度时,就可以绕开进程A,而自己调度其他进程。

注:这个例子只是说明N-N model,实际上进程调度不都全是这样的。

4. 通用中断处理

当GIC接收到一个中断请求,将其状态设置为Pending。重新产生一个挂起状态的中断不影响该中断状态。中断处理顺序: ① GIC决定该中断是否使能,若没有被使能对GIC没有影响; ② 对于每个Pending中断,GIC决定目标处理器; ③ 对于每个处理器 ,Distributor根据它拥有的每个中断优先级信息决定最高优先级的挂起中断,将该中断传递给目标CPU Interface; ④ GIC Distributor将一个中断传递给CPU Interface后,该CPU Interface决定该中断是否有足够的优先级将中断请求发给CPU; ⑤ 当CPU开始处理该异常中断,它读取GICC_IAR应答中断。读取的GICC_IAR获取到中断ID,对于SGI,还有源处理器ID。中断ID被用来查找正确的中断处理程序。

GIC识别读过程后,将改变该中断的状态: a) 当中断状态变为active时,如果该中断挂起状态持续存在或者中断再次产生,中断状态将从Pending转化为pending & active b) 否则,中断状态将从pending状态变为active

⑥ 当中断完成中断处理后,它需要通知GIC处理已经完成。这个过程称为 priority drop and interrupt deactivation: a) 总是需要向EOIR寄存器写入一个有效的值(end of interrupt register) b) 也需要接着向GICC_DIR写入值(deactivate interrupt register)

5. 中断优先级

软件可以通过给每一个中断源分配优先级值来配置中断优先级。优先级的值是个8位的无符号二进制数,GIC支持最小16和最大256的优先级级别。如果GIC实现的优先级少于256,那么优先级字段的低阶位为RAZ/WI。这就意味着实现的优先级字段个数范围是4~8,如下图所示:

Effect of not implementing some priority field bits

Effect of not implementing some priority field bits

Note: 1)、如何确定优先级字段所支持的优先级位? 通过软件往可写GICD_IPRIORITYn优先级字段写入0XFF,然后回读出该字段的值便可以确定优先级字段所支持的优先级位(因为有些位没实现是RAZ/WI) 2)、ARM 推荐在检查中断优先级范围之前先: • 对于外设中断,软件先禁用该中断 • 对于SGI,软件先检查该中断确定为inactive

6. 中断抢占

在一个active中断处理完之前,CPU interface支持发送更高优先级的挂起中断到目标处理器。这种情况必要条件如下:

  • 该中断的优先级高于当前CPU interface 被屏蔽的优先级

  • 该中断的组优先级高于正在当前CPU interface处理的中断优先级

7. 中断屏蔽

CPU interface的GICC_PMR寄存器定义了目标处理器的优先级阀值,GIC仅上报优先级高于阀值的pending中断给目标处理器。寄存器初始值为0,屏蔽所有的中断。

四、FS4412中断外设-key

下面我们来分析FS4412开发板的第一个中断设备按键。

1. 电路图

key

key

由该电路图可得:

  1. 按键k2 连接在GPX1_1引脚

  2. 控制逻辑 k2 按下 ---- K2闭合 ---- GPX1_1 低电压 k2 常态 ---- K2打开 ---- GPX1_1 高电压

以下是key2与soc的连接,

key与soc的连接

key与soc的连接

可以看到key2复用了GPIX1_1这个引脚,同时该引脚还可以作为中断【XEINT9】使用。

顺便看下GPXCON寄存器的配置

GPX1CON

GPX1CON

由上图所示,

  1. GPX1CON地址为0x1100C20;

  2. key2如果要做为输入设备,只需要将GPX1CON[7:4]设置为0x0;

  3. key2如果要做为中断信号,只需要将GPX1CON[7:4]设置为0xf。

2. key中断处理

中断配置

key与soc的关系图如下图所示:

按键中断寄存器配置流程

按键中断寄存器配置流程

由上图所示:

  1. 按键是直接连到GPIO控制器的

  2. EXT_INT_CON用来设置按键中断的触发方式,下降沿触发

  3. GPX1CON寄存器用于设置该GPIO位中断信号输入

  4. EXT_INT_MASK用于使能该中断

  5. ICDISER用于使能相应中断到分配器

  6. ICDDCR分配器开关

  7. ICDIPTR选择CPU接口

  8. ICCPMR设置中断屏蔽优先级

  9. ICCICR打开CPU开关,把CPU接口内的中断能够送到相应的CPU

清中断

CPU处理完中断,需要清除中断,对于按键来说,有3个寄存器需要操作:

清中断

清中断

由上图所示:

  1. EXT_INT41_PEND清相应的中断源

  2. ICDICPR中断结束后,清相应中断标志位,此标志位由硬件置位

  3. ICCEOIR中断执行结束,清cpu内相应的中断号,由硬件填充

3. 寄存器汇总

前面分析了按键连接的是GPX1_1,现在我们来看下对应的寄存器应该如何配置

【1】、GPIO控制器

  1. GPX1PUD GPX1PUD

将GPX1_1引脚的上拉和下拉禁止

  GPX1PUD[3:2]= 0b00;
  1. GPX1CON

GPX1CON

GPX1CON

将GPX1_1引脚功能设置为中断功能

GPX1CON[7:4] = 0xf
  1. EXT_INT41CON

EXT_INT41CON

EXT_INT41CON

配置成成下降沿触发:

   EXT_INT41CON[6:4] = 0x2
  1. EXT_INT41_MASK

EXT_INT41_MASK

EXT_INT41_MASK

中断使能寄存器

EXT_INT41_MASK[1] = 0b0
  1. EXT_INT41_PEND 中断状态寄存器

EXT_INT41_PEND

EXT_INT41_PEND

当GPX1_1引脚接收到中断信号,中断发生,中断状态寄存器EXT_INT41_PEND 相应位会自动置1 注意:中断处理完成的时候,需要清除相应状态位。置1清0.

EXT_INT41_PEND[1] =0b1 

【2】GIC

根据外设中断名称EINT9来查看该中断对应的GIC中维护的HW id。【所有的中断源在芯片厂商设计的时候都分配了唯一的一个ID,GIC通过该ID来驱动中断源】

查看芯片手册(datasheet -- 9.2表)

GIC中断源表

GIC中断源表

通过【9.2中断源表】找到和外设中断标示对应的中断控制器中断标识(GPIO有32个可被唤醒寄存器)其对应**「EINT[9],中断ID为57」**,这是非常重要的,在后面的寄存器设置中起很大作用;

1) ICDISER使能相应中断到分配器

ICDISER

ICDISER

ICDISER用于使能相应中断到分配器,一个bit控制一个中断源,一个ICDISER可以控制32个中断源,这里INT[9] 对应的中断ID为57,所以在ICDSER1中进行设置,57/32 =1余25,所以这里在ICDISER1第25位置一。

  ICDISER.ICDISER1 |= (0x1 << 25);    //57/32 =1...25 取整数(那个寄存器) 和余数(哪位)
  1. ICDIPTR选择CPU接口

ICDIPTR

ICDIPTR

ICDIPTR

ICDIPTR

选择cpu

选择cpu

ICDIPTR寄存器每8个bit 控制一个中断源,其中CPU0可以处理160个中断源,所以需要40个寄存器。要选择cpu0第一个bit必须是1。

设置SPI[25]/ID[57]由cpu0处理,57/4=16余1 所以选择寄存器ICDIPTR14的第2个字节[15:8]。

 //SPI 25 interrupts are sent to processor 0    //57/4 = 14..1 14号寄存器的[15:8]ICDIPTR.ICDIPTR14 |= 0x01<<8;
  1. ICDDCR使能分配器

ICDDCR
还寄存器用于使能分配器。

ICDDCR =1
  1. ICCPMR 优先级屏蔽寄存器,设置cpu0能处理所有的中断。 比如中断屏蔽优先级为255,该值表示优先级最低,所有的中断都能响应。

ICCPMR

ICCPMR

CPU0.ICCPMR = 0xFF;//设置cpu0 中断屏蔽优先级为255  最低,所有中断都能响应)
  1. ICCICR 全局使能cpu0中断处理

ICCICR

ICCICR

EXYNOS 4412一共有4个cpu,用4个寄存器分别来控制4个cpu,每个寄存器的bit[0]用于全局控制对应的cpu。我们选择cpu0处理中断,将bit[0]置1即可。

   CPU0.ICCICR |= 0x1;   使能中断到CPU。
  1. ICCIAR

ICCIAR

ICCIAR

当中断发生之后,中断的HW id值会由硬件写入到寄存器ICCIAR[9:0]中;对于SGIs来说,多处理器环境下,CPU的interface值写入到[12:10]中。

读取HW id:

 int irq_num; irq_num = CPU0.ICCIAR&0x3ff;  //获取中断号

五、代码实现

要处理中断异常,必须安装异常向量表,异常的处理流程可以参考前面的文章《6. 从0开始学ARM-异常、异常向量表、swi》

1. 异常向量表基址

异常向量表地址是可以修改的,比如uboot在启动的时候,会从flash中搬运代码到RAM中,而flash的异常向量表地址和ram的地址肯定不一样,所以搬运完代码后,就必须要修改对应的异常向量表地址。

修改异常向量表的地址的需要借助协处理器指令mcr:

ldr r0,=0x40008000mcr p15,0,r0,c12,c0,0  @ Vector Base Address Register

上述命令是将地址0x40008000设置为异常向量表的地址,关于mcr指令,我们没有必要深究,知道即可。

RAM中异常向量表地址我们选用的是0x40008000,以下是exynos4412 地址空间分布。

exynos4412 地址分布

exynos4412 地址分布

2. 异常向量表安装

.text.global _start_start:  b  reset  ldr  pc,_undefined_instruction  ldr  pc,_software_interrupt  ldr  pc,_prefetch_abort  ldr  pc,_data_abort  ldr  pc,_not_used  ldr  pc,=irq_handler  ldr  pc,_fiqreset: ldr r0,=0x40008000 mcr p15,0,r0,c12,c0,0  @ Vector Base Address Registerinit_stack://初始化栈……b main //跳转至c的main函数irq_handler: //中断入口函数 sub  lr,lr,#4 stmfd sp!,{r0-r12,lr} .weak do_irq bl do_irq ldmfd sp!,{r0-r12,pc}^stacktop:    .word   stack+4*512//栈顶.datastack:  .space  4*512 //栈空间

中断入口函数do_irq()

void do_irq(void){ static int a = 1; int irq_num; irq_num = CPU0.ICCIAR&0x3ff;  //获取中断号 switch(irq_num) {  case 57:   printf("in the irq_handler\n");   //清GPIO中断标志位   EXT_INT41_PEND = EXT_INT41_PEND |((0x1 << 1));    //清GIC中断标志位   ICDICPR.ICDICPR1 = ICDICPR.ICDICPR1 | (0x1 << 25);   break; }  //清cpu中断标志 CPU0.ICCEOIR = CPU0.ICCEOIR&(~(0x3ff))|irq_num;位}

实现按键中断的初始化函数key_init():

void key_init(void)  {      GPX1.CON =GPX1.CON & (~(0xf << 4)) |(0xf << 4); //配置引脚功能为外部中断      GPX1.PUD = GPX1.PUD & (~(0x3 << 2));  //关闭上下拉电阻      EXT_INT41_CON = EXT_INT41_CON &(~(0xf << 4))|(0x2 << 4); //外部中断触发方式      EXT_INT41_MASK = EXT_INT41_MASK & (~(0x1 << 1));  //使能中断      ICDDCR = 1;  //使能分配器      ICDISER.ICDISER1 = ICDISER.ICDISER1 | (0x1 << 25); //使能相应中断到分配器      ICDIPTR.ICDIPTR14 = ICDIPTR.ICDIPTR14 & (~(0xff << 8))|(0x1 << 8); //选择CPU接口      CPU0.ICCPMR = 255; //中断屏蔽优先级      CPU0.ICCICR = 1;   //使能中断到CPU     return ;  } 

六、轮询方式

除了中断方式之外我们还可以通过轮询方式读取按键的信息,原理如下:

循环检测GPX1_1引脚输入的电平,为低电压时,按键按下,为高电平时,按键抬起。
  1. 配置GPX1_1引脚功能为输入,设置内部上拉下拉禁止。

    GPX1.CON = GPX1.CON &(~(0xf<<4)) ; GPX1.PUD = GPX1.PUD & ~(0x3 << 2);

  2. 按键消抖: 按键按下后由于机械特性,会在极短的时间内出现电平忽0忽1,所以我们检测到按键按下后,需要给一个延时,然后再判断按键是不是仍然按下。

  3. 代码实现

    int main (void){ led_init(); pwm_init(); GPX1.CON = GPX1.CON &(~(0xf<<4))|0x0<<4; while(1) { if(!(GPX1.DAT & (0x1<<1))) // 返回为真,按键按下 { delay_ms(10); if(!(GPX1.DAT & (0x1<<1))) //二次检测,去抖 { GPX2.DAT |= 0x1 << 7; //Turn on LED2 delay_ms(500); beep_on(); GPX2.DAT &= ~(0x1<<7); //Turn off LED2 delay_ms(500); while(!(GPX1.DAT & (0x1<<1))); beep_off(); } } } return 0;}

更多 ARM Linux干货,请关注 一口Linux