敏感数据加密方案及实现

avatar
@政采云有限公司@政采云技术

这是第 73 篇不掺水的原创,想获取更多原创好文,请搜索公众号关注我们吧~ 本文首发于政采云前端博客:敏感数据加密方案及实现

前言

现在是大数据时代,需要收集大量的个人信息用于统计。一方面它给我们带来了便利,另一方面一些个人信息数据在无意间被泄露,被非法分子用于推销和黑色产业。

2018 年 5 月 25 日,欧盟已经强制执行《通用数据保护条例》(General Data Protection Regulation,缩写作 GDPR)。该条例是欧盟法律中对所有欧盟个人关于数据保护和隐私的规范。这意味着个人数据必须使用假名化或匿名化进行存储,并且默认使用尽可能最高的隐私设置,以避免数据泄露。

相信大家也都不想让自己在外面“裸奔”。所以,作为前端开发人员也应该尽量避免用户个人数据的明文传输,尽可能的降低信息泄露的风险。

看到这里可能有人会说现在都用 HTTPS 了,数据在传输过程中是加密的,前端就不需要加密了。其实不然,我可以在你发送 HTTPS 请求之前,通过谷歌插件来捕获 HTTPS 请求中的个人信息,下面我会为此演示。所以前端数据加密还是很有必要的。

数据泄露方式

  • 中间人攻击

    中间人攻击是常见的攻击方式。详细过程可以参见这里。大概的过程是中间人通过 DNS 欺骗等手段劫持了客户端与服务端的会话。

    客户端、服务端之间的信息都会经过中间人,中间人可以获取和转发两者的信息。在 HTTP 下,前端数据加密还是避免不了数据泄露,因为中间人可以伪造密钥。为了避免中间人攻击,我们一般采用 HTTPS 的形式传输。

  • 谷歌插件

    HTTPS 虽然可以防止数据在网络传输过程中被劫持,但是在发送 HTTPS 之前,数据还是可以从谷歌插件中泄露出去。

    因为谷歌插件可以捕获 Network 中的所有请求,所以如果某些插件中有恶意的代码还是可以获取到用户信息的,下面为大家演示。

    所以光采用 HTTPS,一些敏感信息如果还是以明文的形式传输的话,也是不安全的。如果在 HTTPS 的基础上再进行数据的加密,那相对来说就更好了。

加密算法介绍

  • 对称加密

    对称加密算法,又称为共享密钥加密算法。在对称加密算法中,使用的密钥只有一个,发送和接收双方都使用这个密钥对数据进行加密和解密。

    这就要求加密和解密方事先都必须知道加密的密钥。其优点是算法公开、计算量小、加密速度快、加密效率高;缺点是密钥泄露之后,数据就会被破解。一般不推荐单独使用。根据实现机制的不同,常见的算法主要有AESChaCha203DES等。

  • 非对称加密

    非对称加密算法,又称为公开密钥加密算法。它需要两个密钥,一个称为公开密钥 (public key),即公钥;另一个称为私有密钥 (private key),即私钥。

    他俩是配对生成的,就像钥匙和锁的关系。因为加密和解密使用的是两个不同的密钥,所以这种算法称为非对称加密算法。其优点是算法强度复杂、安全性高;缺点是加解密速度没有对称加密算法快。常见的算法主要有RSAElgamal等。

  • 散列算法

    散列算法又称散列函数、哈希函数,是把消息或数据压缩成摘要,使得数据量变小,将数据的格式固定成特定长度的值。一般用于校验数据的完整性,平时我们下载文件就可以校验 MD5 来判断下载的数据是否完整。常见的算法主要有 MD4MD5SHA 等。

实现方案

  • 方案一:如果用对称加密,那么服务端和客户端都必须知道密钥才行。那服务端势必要把密钥发送给客户端,这个过程中是不安全的,所以单单用对称加密行不通。

  • 方案二:如果用非对称加密,客户端的数据通过公钥加密,服务端通过私钥解密,客户端发送数据实现加密没问题。客户端接受数据,需要服务端用公钥加密,然后客户端用私钥解密。所以这个方案需要两套公钥和私钥,需要在客户端和服务端各自生成自己的密钥。

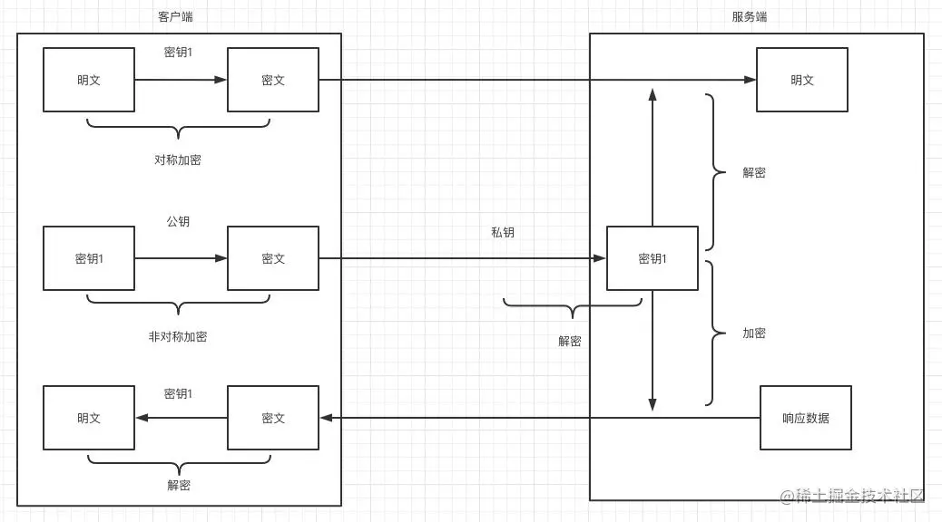
  • 方案三:如果把对称加密和非对称加密相结合。客户端需要生成一个对称加密的密钥 1,传输内容与该密钥 1进行对称加密传给服务端,并且把密钥 1 和公钥进行非对称加密,然后也传给服务端。服务端通过私钥把对称加密的密钥 1 解密出来,然后通过该密钥 1 解密出内容。以上是客户端到服务端的过程。如果是服务端要发数据到客户端,就需要把响应数据跟对称加密的密钥 1 进行加密,然后客户端接收到密文,通过客户端的密钥 1进行解密,从而完成加密传输。

  • 总结:以上只是列举了常见的加密方案。总的来看,方案二比较简单,但是需要维护两套公钥和私钥,当公钥变化的时候,必须通知对方,灵活性比较差。方案三相对方案二来说,密钥 1 随时可以变化,并且不需要通知服务端,相对来说灵活性、安全性好点并且方案三对内容是对称加密,当数据量大时,对称加密的速度会比非对称加密快。所以本文采用方案三给予代码实现。

代码实现

  • 下面是具体的代码实现(以登录接口为例),主要的目的就是要把明文的个人信息转成密文传输。其中对称加密库使用的是 AES,非对称加密库使用的是RSA。

  • 客户端:

    • AES 库(aes-js):github.com/ricmoo/aes-…

    • RSA库(jsencrypt):github.com/travist/jse…

    • 具体代码实现登录接口

      • 客户端需要随机生成一个 aesKey,在页面加载完的时候需要从服务端请求 publicKey

        let aesKey = [1, 2, 3, 4, 5, 6, 7, 8, 9, 10, 11, 12, 13, 14, 15, 16]; // 随机产生
        let publicKey = ""; // 公钥会从服务端获取
        
        // 页面加载完之后,就去获取公钥
        window.onload = () => {
          axios({
            method: "GET",
            headers: { "content-type": "application/x-www-form-urlencoded" },
            url: "http://localhost:3000/getPub",
          })
            .then(function (result) {
              publicKey = result.data.data; // 获取公钥
            })
            .catch(function (error) {
              console.log(error);
            });
        };
        
      • aes加密和解密方法

        /**
         * aes加密方法
         * @param {string} text 待加密的字符串
         * @param {array} key 加密key
         */
        function aesEncrypt(text, key) {
          const textBytes = aesjs.utils.utf8.toBytes(text); // 把字符串转换成二进制数据
        
          // 这边使用CTR-Counter加密模式,还有其他模式可以选择,具体可以参考aes加密库
          const aesCtr = new aesjs.ModeOfOperation.ctr(key, new aesjs.Counter(5));
        
          const encryptedBytes = aesCtr.encrypt(textBytes); // 进行加密
          const encryptedHex = aesjs.utils.hex.fromBytes(encryptedBytes); // 把二进制数据转成十六进制
        
          return encryptedHex;
        }
        
        /**
         * aes解密方法
         * @param {string} encryptedHex 加密的字符串
         * @param {array} key 加密key
         */
        function aesDecrypt(encryptedHex, key) {
          const encryptedBytes = aesjs.utils.hex.toBytes(encryptedHex); // 把十六进制数据转成二进制
          const aesCtr = new aesjs.ModeOfOperation.ctr(key, new aesjs.Counter(5));
        
          const decryptedBytes = aesCtr.decrypt(encryptedBytes); // 进行解密
          const decryptedText = aesjs.utils.utf8.fromBytes(decryptedBytes); // 把二进制数据转成utf-8字符串
        
          return decryptedText;
        }
        
      • 请求登录

        /**
         * 登陆接口
         */
        function submitFn() {
          const userName = document.querySelector("#userName").value;
          const password = document.querySelector("#password").value;
          const data = {
            userName,
            password,
          };
        
          const text = JSON.stringify(data);
          const sendData = aesEncrypt(text, aesKey); // 把要发送的数据转成字符串进行加密
          console.log("发送数据", text);
        
          const encrypt = new JSEncrypt();
          encrypt.setPublicKey(publicKey);
          const encrypted = encrypt.encrypt(aesKey.toString()); // 把aesKey进行非对称加密
        
          const url = "http://localhost:3000/login";
          const params = { id: 0, data: { param1: sendData, param2: encrypted } };
        
          axios({
            method: "POST",
            headers: { "content-type": "application/x-www-form-urlencoded" },
            url: url,
            data: JSON.stringify(params),
          })
            .then(function (result) {
              const reciveData = aesDecrypt(result.data.data, aesKey); // 用aesKey进行解密
              console.log("接收数据", reciveData);
            })
            .catch(function (error) {
              console.log("error", error);
            });
        }
        
  • 服务端(Node):

    • AES库(aes-js):github.com/ricmoo/aes-…

    • RSA 库(node-rsa):github.com/rzcoder/nod…

    • 具体代码实现登录接口

      • 引用加密库

        const http = require("http");
        const aesjs = require("aes-js");
        const NodeRSA = require("node-rsa");
        const rsaKey = new NodeRSA({ b: 1024 }); // key的size为1024位
        let aesKey = null; // 用于保存客户端的aesKey
        let privateKey = ""; // 用于保存服务端的公钥
        
        rsaKey.setOptions({ encryptionScheme: "pkcs1" }); // 设置加密模式
        
      • 实现login接口

        http
          .createServer((request, response) => {
            response.setHeader("Access-Control-Allow-Origin", "*");
            response.setHeader("Access-Control-Allow-Headers", "Content-Type");
            response.setHeader("Content-Type", "application/json");
            switch (request.method) {
              case "GET":
                if (request.url === "/getPub") {
                  const publicKey = rsaKey.exportKey("public");
                  privateKey = rsaKey.exportKey("private");
                  response.writeHead(200);
                  response.end(JSON.stringify({ result: true, data: publicKey })); // 把公钥发送给客户端
                  return;
                }
                break;
              case "POST":
                if (request.url === "/login") {
                  let str = "";
                  request.on("data", function (chunk) {
                    str += chunk;
                  });
                  request.on("end", function () {
                    const params = JSON.parse(str);
                    const reciveData = decrypt(params.data);
                    console.log("reciveData", reciveData);
                    // 一系列处理之后
        
                    response.writeHead(200);
                    response.end(
                      JSON.stringify({
                        result: true,
                        data: aesEncrypt(
                          JSON.stringify({ userId: 123, address: "杭州" }), // 这个数据会被加密
                          aesKey
                        ),
                      })
                    );
                  });
                  return;
                }
                break;
              default:
                break;
            }
            response.writeHead(404);
            response.end();
          })
          .listen(3000);
        
      • 加密和解密方法

        function decrypt({ param1, param2 }) {
          const decrypted = rsaKey.decrypt(param2, "utf8"); // 解密得到aesKey
          aesKey = decrypted.split(",").map((item) => {
            return +item;
          });
        
          return aesDecrypt(param1, aesKey);
        }
        
        /**
         * aes解密方法
         * @param {string} encryptedHex 加密的字符串
         * @param {array} key 加密key
         */
        function aesDecrypt(encryptedHex, key) {
          const encryptedBytes = aesjs.utils.hex.toBytes(encryptedHex); // 把十六进制转成二进制数据
          const aesCtr = new aesjs.ModeOfOperation.ctr(key, new aesjs.Counter(5)); // 这边使用CTR-Counter加密模式,还有其他模式可以选择,具体可以参考aes加密库
        
          const decryptedBytes = aesCtr.decrypt(encryptedBytes); // 进行解密
          const decryptedText = aesjs.utils.utf8.fromBytes(decryptedBytes); // 把二进制数据转成字符串
        
          return decryptedText;
        }
        
        /**
         * aes加密方法
         * @param {string} text 待加密的字符串
         * @param {array} key 加密key
         */
        function aesEncrypt(text, key) {
          const textBytes = aesjs.utils.utf8.toBytes(text); // 把字符串转成二进制数据
          const aesCtr = new aesjs.ModeOfOperation.ctr(key, new aesjs.Counter(5));
        
          const encryptedBytes = aesCtr.encrypt(textBytes); // 加密
          const encryptedHex = aesjs.utils.hex.fromBytes(encryptedBytes); // 把二进制数据转成十六进制
        
          return encryptedHex;
        }
        
  • 完整的示例代码

演示效果

总结

本文主要介绍了一些前端安全方面的知识和具体加密方案的实现。为了保护客户的隐私数据,不管是 HTTP 还是HTTPS,都建议密文传输信息,让破解者增加一点攻击难度吧。当然数据加解密也会带来一定性能上的消耗,这个需要各位开发者各自衡量了。

参考文献

看完这篇文章,我奶奶都懂了https的原理

中间人攻击

推荐阅读

浅析 vue-router 源码和动态路由权限分配

编写高质量可维护的代码:一目了然的注释

招贤纳士

政采云前端团队(ZooTeam),一个年轻富有激情和创造力的前端团队,隶属于政采云产品研发部,Base 在风景如画的杭州。团队现有 40 余个前端小伙伴,平均年龄 27 岁,近 3 成是全栈工程师,妥妥的青年风暴团。成员构成既有来自于阿里、网易的“老”兵,也有浙大、中科大、杭电等校的应届新人。团队在日常的业务对接之外,还在物料体系、工程平台、搭建平台、性能体验、云端应用、数据分析及可视化等方向进行技术探索和实战,推动并落地了一系列的内部技术产品,持续探索前端技术体系的新边界。

如果你想改变一直被事折腾,希望开始能折腾事;如果你想改变一直被告诫需要多些想法,却无从破局;如果你想改变你有能力去做成那个结果,却不需要你;如果你想改变你想做成的事需要一个团队去支撑,但没你带人的位置;如果你想改变既定的节奏,将会是“5 年工作时间 3 年工作经验”;如果你想改变本来悟性不错,但总是有那一层窗户纸的模糊… 如果你相信相信的力量,相信平凡人能成就非凡事,相信能遇到更好的自己。如果你希望参与到随着业务腾飞的过程,亲手推动一个有着深入的业务理解、完善的技术体系、技术创造价值、影响力外溢的前端团队的成长历程,我觉得我们该聊聊。任何时间,等着你写点什么,发给 ZooTeam@cai-inc.com