系统架构设计师真题解析(1)—— 文件系统物理结构

969 阅读5分钟

1 真题解析

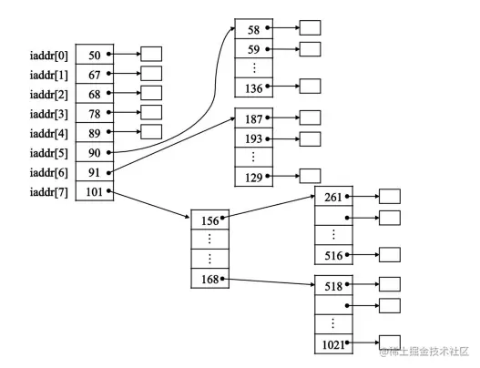
假设文件系统采用索引节点管理,且索引节点有8个地址项 iaddr[0] ~ iaddr[7] ,每个地址项大小为4B。 iaddr[0] ~ iaddr[4] 采用直接地址索引, iaddr[5] 和 iaddr[6] 采用一级间接地址索引, iaddr[7] 采用二级间接地址索引。假设磁盘索引块和磁盘数据块大小均为 1KB ,文件 File1 的索引节点如下图所示。若用户访问文件 File1 中逻辑块号为5和 261 的信息,则对应的物理块号分别为(3), 101 号物理块存放的是(4)。

(3) A . 89 和 90 B . 89 和 136 C . 58 和 187 D . 90 和 136

(4)A . File1 的信息 B . 直接地址索引表 C . 一级地址索引表 D . 二级地址索引表

解题的关键是会看图。图中单元格内的地址是物理块地址,而逻辑块就是空白单元格,逻辑块号没有标注出来。

首先依据题目内容,可以推出以下逻辑块号。注意:逻辑块号从 0 开始。逻辑块号 0 ~ 4,共 5 个,采用的是直接地址索引。

因为物理块每个地址项大小为 4B,磁盘索引块大小为 1KB,即 1024B。而 1024/4 = 256 个,所以一个磁盘索引块可以存放 256 个物理块地址。因此,可以就此推测出一级间接地址索引所对应的逻辑块号范围。 因为每个索引块可以存放 256 个物理块地址,所以第一个一级间接地址索引所对应的逻辑块号范围是 5 ~ 260;第二个一级间接地址索引所对应的逻辑块号范围是 261 ~ 516。具体计算步骤为: 【1】260 = 5 + 256 -1。 【2】516 = 261 + 256 -1。

所以,第一个空选 C。

块号为 101 物理地址采用的是二级索引方式,它的线连接到的是一级地址索引表,其本身存放的是二级地址索引。所以第二个空选 D。


此题涉及以下知识点。

2 文件系统物理结构

文件的物理结构是指文件在存储设备上的存放方法。文件的物理结构侧重于提高存储器的利用效率和降低存取时间。文件的存储设备通常划分为大小相同的物理块,物理块是分配和传输信息的基本单位。文件的物理结构涉及文件存储设备的组块策略和文件分配策略,决定文件信息在存储设备上的存储位置。常用的文件分配策略有:

(1)顺序分配(连续分配)

这是最简单的分配方法。在文件建立时预先分配一组连续的物理块,然后,按照逻辑文件中的信息(或记录)顺序,依次把信息(或记录)按顺序存储到物理块中。这样,只需知道文件在文件存储设备上的起始位置和文件长度,就能进行存取,这种分配方法适合于顺序存取,在连续存取相邻信息时,存取速度快。其缺点是在文件建立时必须指定文件的信息长度,以后不能动态增长,一般不宜用于需要经常修改的文件。

(2)链接分配(串联分配)

这是按单个物理块逐个进行的。每个物理块中(一般是最后一个单元)设有一个指针,指向其后续连接的下一个物理块的地址,这样,所有的物理块都被链接起来,形成一个链接队列。在建立链接文件时,不需要指定文件的长度,在文件的说明信息中,只需指出该文件的第一个物理块块号,而且链接文件的文件长度可以动态地增长。只调整物理块间的指针就可以插入或删除一个信息块。链接分配的优点是可以解决存储器的碎片问题,提高存储空间利用率。由于链接文件只能按照队列中的链接指针顺序查找,因此搜索效率低,一般只适用于顺序访问,不适用于随机存取。

(3)索引分配

这是另一种对文件存储不连续分配的方法。采用索引分配方法的系统,为每一个文件建立一张索引表,索引表中每一表项指出文件信息所在的逻辑块号和与之对应的物理块号。索引分配既可以满足文件动态增长的要求,又可以方便而迅速地实现随机存取。对一些大的文件,当索引表的大小超过一个物理块时,会发生索引表的分配问题。一般采用多级(间接索引)技术,这时在由索引表指出的物理块中存放的不是文件而是存放文件信息的物理块地址。如果一个物理块能够存储 n 个地址,则在一级间接索引模式下,可寻址的文件长度将为【 n 的二次方 】 块。对于更大的文件可以采用二级甚至三级间接索引(例如, UNIX 操作系统采用三级索引结构)。

索引文件的优点是既适用于顺序存取,又适用于随机存取。缺点是索引表增加了存储空间的开销。

另外,在存取文件时需要访问两次磁盘,一次是访问索引表,另一次是根据索引表提供的物理块号访问文件信息。为了提高效率,一种改进的方法是,在对某个文件进行操作之前,预先把索引表调入内存。这样,文件的存取就能直接从内存的索引表中确定相应的物理块号,从而只需要访问一次磁盘。