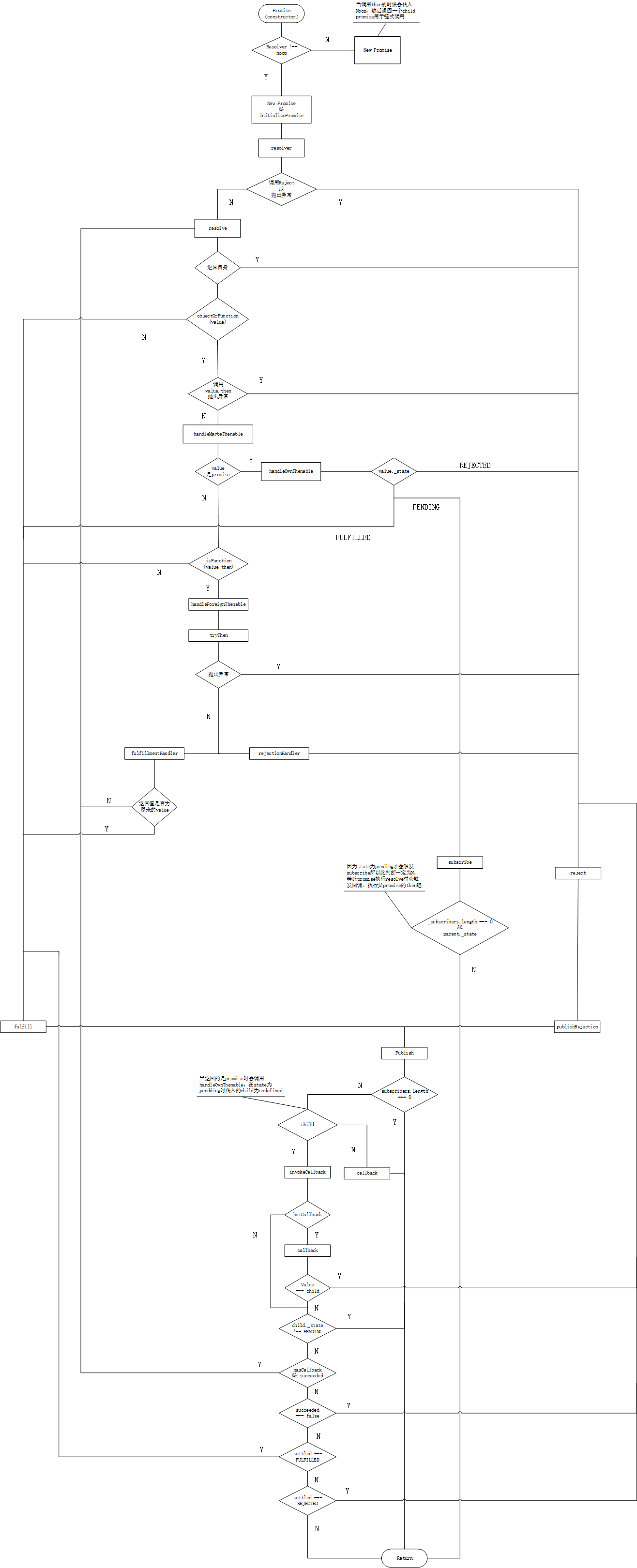
promise 源码 湫叶 2020-06-05 303 阅读1分钟 一个promise polyfill的源码流程图 github.com/stefanpenne… 原图 github.com/yantong/pro…