【安信可A9G专题②】A9G在微信公众号上的定位功能笔记分享

694 阅读5分钟

@[TOC]

前言

  • 最近上手玩下A9G模块,这个是2G网络,支持二次开发,现在特此分享下笔记;

一、准备

1.1 硬件准备

  • 一个A9 或者 A9G模块(安信可官网https://www.ai-thinker.com/home点击样品购买获取,建议买A9G开发板,方便开发)
  • 流量卡或者电话卡,如果不用短信或者电话功能,建议购买物联网卡,不需要实名更方便
  • USB转串口模块,杜邦线,天线
  • 供电:可以用USB转串口工具供电,也可以使用锂电池(3.7~4.2V)供电,也可以使用USB供电,但是要保证USB能提供足够的电流(建议峰值>600mA),串口供电也可以,同样保证峰值电流够大,有些串口芯片供电能力不足;
    在这里插入图片描述

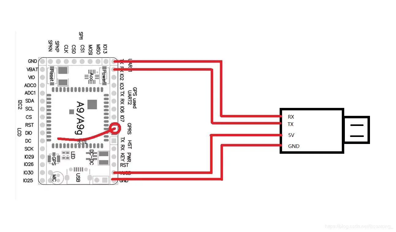
    我在这里选择的是用USB供电,USB转串口工具接开发板的AT_TX/RX。在硬件都准备齐全之后,我们就开始连接AT串口,进行调试。

     我的实物图接线如下:

在这里插入图片描述

1.2 软件准备

  • 串口助手:使用安信可串口助手,官网有提供下载,或其他串口助手
  • 微信定位器:打开微信搜索公众号--安信可科技,在左下方有一个定位器选项,点击进入。

二、A9G连接微信,开启定位功能

2.1 模块上电启动

连接硬件,上电启动

    连接A9/A9G模块,上电等待串口助手显示READY字样后,发送AT(回车结尾,即AT\r\n)测试连接以及模块是否正常工作(可以多发几次)注意每一个AT命令都是以\r\n(即windows下的换行符)结尾,后面所有命令默认都以\r\n结尾。

在这里插入图片描述

2.2 微信绑定模组

    模块初次使用需注册绑定微信,接下来就开始介绍模块注册绑定的流程。确保AT固件是最新固件,不是则需要到安信可官网下载并升级固件,使用ATI\r\n查询固件信息,与最新固件版本对比。由于微信绑定设备需要一个二维码,每个设备都有一个唯一的二维码,需要先获取这个二维码,串口助手发送命令 AT+GIZQRCODE? 可获得一个二维码字符串,如果无法获取二维码字符串(即是空值),则可以自己到机智云生成二维码,生成方法见文章末尾。

在这里插入图片描述
    比如这次我们就生成了一个二维码字符串:37fbc6ae1caa48dfb4258958a525941b/XPlwFTe/Iif2fZxV8Yhq1kJK1YMy7bdtNCHQxnC2BlWxI2lc66LMA8F7FGybmwyTmr3G88VYQ==     接下来我们需要查询模块的IMEI值,使用AT+EGMR=2,7指令可查询到模块的IMEI值,获取到模块的IMEI值后,需要进行绑定程序了。以下步骤参考机智云绑定设备二维码生成教程:

2.2.1 进入二维码生成网址

    在浏览器打开 http://qrcode.gizwitsapi.com:1800/doc/

2.2.2 输入授权码

    点击右上角Authorize,在弹出对话框输入”G”,并点击 “Authorize” 按钮。

在这里插入图片描述

2.2.3 输入PK和MAC地址

    打开 “创建二维码生成任务” 接口。

在这里插入图片描述
    输入 product_key,和要生成的 mac 序列(这里我们输入的就是之前获取的模块的IMEI值)。
在这里插入图片描述

2.2.4 生成二维码

    点击 “Try it out!”,创建生成任务,如果返回 201,说明二维码生成成功。

在这里插入图片描述

2.2.5 查询并下载生成的二维码

    打开 “查询所有二维码生成任务” 接口;

在这里插入图片描述
    输入 product_key,点击”Try it out!”,查询生成任务;
在这里插入图片描述
    生成的任务包括文件下载URL的相对路径;
在这里插入图片描述
    在浏览器输入完整 URL(http://qrcode.gizwitsapi.com:1800/+上图中的URL)下载生成的二维码图片,本次下载的URL组合起来是:qrcode.gizwitsapi.com:1800/static/zipf…
在这里插入图片描述
在这里插入图片描述

2.2.6 模块入网,绑定微信

    获取到二维码之后,我们需要将模块开启上网功能,之后才能扫描二维码绑定微信。指令如下图所示:

在这里插入图片描述
    完成入网操作后,打开微信安信可公众号,在定位器中打开扫描二维码绑定设备,即可完成绑定操作。 ![在这里插入图片描述](img-blog.csdnimg.cn/20200305095…, =400x700)     绑定成功后,就可以就行定位测试了。 ![在这里插入图片描述](img-blog.csdnimg.cn/20200305100…, =500x1000)

三、定位器界面和功能说明

3.1 设备列表界面

在这里插入图片描述

3.2 功能操作界面

    进入功能界面后,微信会自动采集设备上传的定位信息,根据设备设置的上传定位信息时间间隔的参数,等待数秒后,界面会显示当前设备定位信息。

在这里插入图片描述

四、其他

      如果发送AT+GIZQRCODE?响应二维码字符串为空,可以自己到机智云生成二维码,如何生成二维码参见以上教程,生成时需要用到product keyproduct key为:271331ddde3e45df97a291b79bb22749

联系方式

  • 技术支持邮箱:support@aithinker.com 有问必回复!
  • 关注“安信可科技”微信公众号,干货多多,第一时间推送!