原文链接:https://www.cnblogs.com/itfly8/p/5844803.html
本文是学习java Socket整理的资料,供参考。
1 Socket通信原理
1.1 ISO七层模型

1.2 TCP/IP五层模型

应用层相当于OSI中的会话层,表示层,应用层。
区别参考:http://blog.chinaunix.net/uid-22166872-id-3716751.html
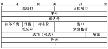
1.3 TCP报文

(1)序号:Seq序号,占32位,用来标识从TCP源端向目的端发送的字节流,发起方发送数据时对此进行标记。
(2)确认序号:Ack序号,占32位,只有ACK标志位为1时,确认序号字段才有效,Ack=Seq+1。
(3)标志位:共6个,即URG、ACK、PSH、RST、SYN、FIN等,具体含义如下:
(A)URG:紧急指针(urgent pointer)有效。
(B)ACK:确认序号有效。
(C)PSH:接收方应该尽快将这个报文交给应用层。
(D)RST:重置连接。
(E)SYN:发起一个新连接。
(F)FIN:释放一个连接。
需要注意的是:
(A)不要将确认序号Ack与标志位中的ACK搞混了。
(B)确认方Ack=发起方Req+1,两端配对。
1.4 Socket通信
Socket是应用层与TCP/IP协议族通信的中间软件抽象层,它是一组接口。在设计模式中,Socket其实就是一个门面模式,它把复杂的TCP/IP协议族隐藏在Socket接口后面,对用户来说,一组简单的接口就是全部,让Socket去组织数据,以符合指定的协议。

1.5 三次握手
Socket连接建立和关闭,详见:http://www.2cto.com/net/201310/251896.html
2 通信基本概念
2.1 短连接
连接->传输数据->关闭连接
短连接是指SOCKET连接,发送数据,接收数据后,马上断开连接。
比如:
HTTP1.0默认是短连接,无状态的,浏览器和服务器每进行一次HTTP操作,就建立一次连接,但任务结束就中断连接。 、
Http1.1默认是长连接
无状态:协议对于事务处理没有记忆能力;
2.2 长连接
连接->传输数据->保持连接 -> 传输数据-> 。。。 ->关闭连接。
建立SOCKET连接后,不管是否使用,一致保持连接。
2.3 半包
接受方没有接受到一个完整的包,只接受了部分;
原因:TCP为提高传输效率,将一个包分配的足够大,导致接受方并不能一次接受完。
影响:长连接和短连接中都会出现
2.4 粘包
发送方发送的多个包数据到接收方接收时粘成一个包,从接收缓冲区看,后一包数据的头紧接着前一包数据的尾。
分类:一种是粘在一起的包都是完整的数据包,另一种情况是粘在一起的包有不完整的包
出现粘包现象的原因是多方面的:
1)发送方粘包:由TCP协议本身造成的,TCP为提高传输效率,发送方往往要收集到足够多的数据后才发送一包数据。若连续几次发送的数据都很少,通常TCP会根据优化算法把这些数据合成一包后一次发送出去,这样接收方就收到了粘包数据。
2)接收方粘包:接收方用户进程不及时接收数据,从而导致粘包现象。这是因为接收方先把收到的数据放在系统接收缓冲区,用户进程从该缓冲区取数据,若下一包数据到达时前一包数据尚未被用户进程取走,则下一包数据放到系统接收缓冲区时就接到前一包数据之后,而用户进程根据预先设定的缓冲区大小从系统接收缓冲区取数据,这样就一次取到了多包数据。
2.5 分包
分包(1):在出现粘包的时候,我们的接收方要进行分包处理;
分包(2):一个数据包被分成了多次接收;
原因:1. IP分片传输导致的;2.传输过程中丢失部分包导致出现的半包;3.一个包可能被分成了两次传输,在取数据的时候,先取到了一部分(还可能与接收的缓冲区大小有关系)。
影响:粘包和分包在长连接中都会出现
2.6 如何解决半包,粘包问题
出现粘包和半包现象,是因为TCP当中,只有流的概念,没有包的概念。
UDP不会出现半包,粘包情况,原因是UDP是一个完整的数据包,发送时不进行合并,因此接收的时候就不存在粘包情况。
固定长度:每次发送固定长度的数据;
特殊标示:以回车,换行作为特殊标示;获取到指定的标识时,说明包获取完整。
字节长度:包头+包长+包体的协议形式,当服务器端获取到指定的包长时才说明获取完整;
参考文章(有图):http://blog.csdn.net/pi9nc/article/details/17165171
2.7 什么时候需要考虑粘包的情况
短连接:不用考虑粘包的情况;
发送数据无结构,如文件传输,这样发送方只管发送,接收方只管接收存储,也不用考虑粘包;
长连接:需要在连接后一段时间内发送不同结构数据;
处理方式:接收方创建一预处理线程,对接收到的数据包进行预处理,将粘连的包分开;
2.8 TCP与UDP的差别
- 基于连接与无连接;
- 对系统资源的要求(TCP较多,UDP少);
- UDP程序结构较简单;
- 流模式与数据报模式 ;
- TCP保证数据正确性,UDP可能丢包,TCP保证数据顺序,UDP不保证。
- 网络分化:机器本身是好的,但是之间的通信出现问题;
- 网络抖动:网络中的延迟是指信息从发送到接收经过的延迟时间,一般由传输延迟及处理延迟组成;而抖动是指最大延迟与最小延迟的时间差,如最大延迟是20毫秒,最小延迟为5毫秒,那么网络抖动就是15毫秒,它主要标识一个网络的稳定性。
2.9 其他通信问题
2.10 参考资料
一个包没有固定长度,以太网限制在46-1500字节,1500就是以太网的MTU,超过这个量,TCP会为IP数据报设置偏移量进行分片传输,现在一般可允许应用层设置8k(NTFS系)的缓冲区,8k的数据由底层分片,而应用看来只是一次发送。
对于UDP,就不要太大,一般在1024至10K。注意一点,你无论发多大的包,IP层和链路层都会把你的包进行分片发送,一般局域网就是1500左右,广域网就只有几十字节。分片后的包将经过不同的路由到达接收方,对于UDP而言,要是其中一个分片丢失,那么接收方的IP层将把整个发送包丢弃,这就形成丢包。
TCP作为流,发包是不会整包到达的,而是源源不断的到,那接收方就必须组包。而UDP作为消息或数据报,它一定是整包到达接收方。
关于接收,一般的发包都有包边界,首要的就是你这个包的长度要让接收方知道,于是就有个包头信息,对于TCP,接收方先收这个包头信息,然后再收包数据。一次收齐整个包也可以,可要对结果是否收齐进行验证。这也就完成了组包过程。UDP,那你只能整包接收了。要是你提供的接收Buffer过小,TCP将返回实际接收的长度,余下的还可以收,而UDP不同的是,余下的数据被丢弃并返回WSAEMSGSIZE错误。注意TCP,要是你提供的Buffer佷大,那么可能收到的就是多个发包,你必须分离它们,还有就是当Buffer太小,而一次收不完Socket内部的数据,那么Socket接收事件(OnReceive),可能不会再触发,使用事件方式进行接收时。
3 Socket实例
3.1 Socket通信模型


3.2 Socket架构完整模型
- 解决半包,粘包(编解码)
- 服务端支持多线程
- 支持心跳检测
- 指定端口实例化一个SeverSocket
- 调用ServerSocket的accept()方法,以在等待连接期间造成阻塞
- 获取位于该底层的Socket的流以进行读写操作
- 将数据封装成流
- 对Socket进行读写
- 关闭打开的流
3.3 服务端开发
//建立ServerSocket对象,监听绑定端口
ServerSocket server=new ServerSocket(1000);
//建立接收Socket,阻塞响应
Socket client=server.accept();
//获得输入流,用于接收客户端信息
InputStream in=server.getInputStream();
//获得输出流,用于输出客户端信息
//对输入流进行包装,方便使用
BufferedReader inRead=new BufferedReader(new InputStreamReader(in));
//对输出流进行包装,方便使用
PrintWriter outWriter=new PrintWriter(out);
while(true)
{
String str=inRead.readLine();//读入
outWriter.println("输出到客户端");
outWriter.flush();//输出
if(str.equals("end"))
{
break;
}
}
//关闭Socket
client.close();
server.close();
3.4 客户端开发
- 通过IP地址和端口实例化Socket,请求连接服务器
- 获得Socket上的流以进行读写
- 把流封装进BufferedReader/PrintWriter的实例
- 对Socket进行读写
- 关闭打开的流
//使用Socket,建立与服务端的连接
Socket client=new Socket("127.0.0.1",1000);
InputStream in=client.getInputStream();//获得输入流
OutputStream out=client.getOutputStream();//获得输出流
//包装输入流,输出流
BufferedReader inRead=new BufferedReader(new InputStreamReader(in));
PrintWriter outWriter=new PrintWriter(out);
//获得控制台输入
BufferedReader inConsole=new BufferedReader(new InputStreamReader(in));
while(true)
{
String str=inConsole.readLine();//读取控制台输入
outWriter.println(str);//输出到服务端
outWriter.flush();//刷新缓冲区
if(str.equals("end"))
{
break;
}//退出
System.out.println(inRead.readLine())//读取服务端输出
}
client.close();
DOS下运行客户端
java -classpath sockettest-0.0.1-SNAPSHOT.jar cn.com.gome.sockettest.basic.ClientTest
3.5 多线程服务端
3.6 心跳检测
方法1:socket.sendUrgentData(0);//发送1个字节的紧急数据,默认情况下,服务器端没有开启紧急数据处理,不影响正常通信
try{
socket.sendUrgentData(0xFF);
}catch(Exception ex){
reconnect();
}
只要对方Socket的SO_OOBINLINE属性没有打开,就会自动舍弃这个字节,而SO_OOBINLINE属性默认情况下就是关闭的。
方法2:自定义心跳字符串
3.7 各类数据读写
传输字节,字符,对象【ObjectInputStream ObjectOutputStream】(实例)