微信公众号:菜鸟永恒
1.Java NIO 简介
2.Java NIO 与IO 的主要区别
3.缓冲区(Buffer)和通道(Channel)
4.文件通道(FileChannel)
5.NIO 的非阻塞式网络通信
选择器(Selector)
SocketChannel、ServerSocketChannel、DatagramChannel
面向流

面向缓冲区

Java NIO(New IO)是从Java 1.4版本开始引入的一个新的IO API,可以替代标准的Java IO API。NIO与原来的IO有同样的作用和目的,但是使用的方式完全不同,NIO支持面向缓冲区的、基于通道的IO操作。NIO将以更加高效的方式进行文件的读写操作。
Java NIO 与IO 的主要区别
| IO | NIO |
|---|---|
| 面向流(Stream Oriented) | 面向缓冲区(Buffer Oriented) |
| 阻塞IO(Blocking IO) | 非阻塞IO(NonBlocking IO) |
| 无 | 非阻塞IO(NonBlocking IO) |
import java.nio.ByteBuffer;
import org.junit.Test;
/*
* 一、缓冲区(Buffer):在 Java NIO 中负责数据的存取。缓冲区就是数组。用于存储不同数据类型的数据
*
* 根据数据类型不同(boolean 除外),提供了相应类型的缓冲区:
* ByteBuffer
* CharBuffer
* ShortBuffer
* IntBuffer
* LongBuffer
* FloatBuffer
* DoubleBuffer
*
* 上述缓冲区的管理方式几乎一致,通过 allocate() 获取缓冲区
*
* 二、缓冲区存取数据的两个核心方法:
* put() : 存入数据到缓冲区中
* get() : 获取缓冲区中的数据
*
* 三、缓冲区中的四个核心属性:
* capacity : 容量,表示缓冲区中最大存储数据的容量。一旦声明不能改变。
* limit : 界限,表示缓冲区中可以操作数据的大小。(limit 后数据不能进行读写)
* position : 位置,表示缓冲区中正在操作数据的位置。
*
* mark : 标记,表示记录当前 position 的位置。可以通过 reset() 恢复到 mark 的位置
*
* 0 <= mark <= position <= limit <= capacity
*
* 四、直接缓冲区与非直接缓冲区:
* 非直接缓冲区:通过 allocate() 方法分配缓冲区,将缓冲区建立在 JVM 的内存中
* 直接缓冲区:通过 allocateDirect() 方法分配直接缓冲区,将缓冲区建立在物理内存中。可以提高效率
*/
public class TestBuffer {
@Test
public void test3(){
//分配直接缓冲区
ByteBuffer buf = ByteBuffer.allocateDirect(1024);
System.out.println(buf.isDirect());
}
@Test
public void test2(){
String str = "abcde";
ByteBuffer buf = ByteBuffer.allocate(1024);
buf.put(str.getBytes());
buf.flip();
byte[] dst = new byte[buf.limit()];
buf.get(dst, 0, 2);
System.out.println(new String(dst, 0, 2));
System.out.println(buf.position());
//mark() : 标记
buf.mark();
buf.get(dst, 2, 2);
System.out.println(new String(dst, 2, 2));
System.out.println(buf.position());
//reset() : 恢复到 mark 的位置
buf.reset();
System.out.println(buf.position());
//判断缓冲区中是否还有剩余数据
if(buf.hasRemaining()){
//获取缓冲区中可以操作的数量
System.out.println(buf.remaining());
}
}
@Test
public void test1(){
String str = "abcde";
//1. 分配一个指定大小的缓冲区
ByteBuffer buf = ByteBuffer.allocate(1024);
System.out.println("-----------------allocate()----------------");
System.out.println(buf.position());
System.out.println(buf.limit());
System.out.println(buf.capacity());
//2. 利用 put() 存入数据到缓冲区中
buf.put(str.getBytes());
System.out.println("-----------------put()----------------");
System.out.println(buf.position());
System.out.println(buf.limit());
System.out.println(buf.capacity());
//3. 切换读取数据模式
buf.flip();
System.out.println("-----------------flip()----------------");
System.out.println(buf.position());
System.out.println(buf.limit());
System.out.println(buf.capacity());
//4. 利用 get() 读取缓冲区中的数据
byte[] dst = new byte[buf.limit()];
buf.get(dst);
System.out.println(new String(dst, 0, dst.length));
System.out.println("-----------------get()----------------");
System.out.println(buf.position());
System.out.println(buf.limit());
System.out.println(buf.capacity());
//5. rewind() : 可重复读
buf.rewind();
System.out.println("-----------------rewind()----------------");
System.out.println(buf.position());
System.out.println(buf.limit());
System.out.println(buf.capacity());
//6. clear() : 清空缓冲区. 但是缓冲区中的数据依然存在,但是处于“被遗忘”状态
buf.clear();
System.out.println("-----------------clear()----------------");
System.out.println(buf.position());
System.out.println(buf.limit());
System.out.println(buf.capacity());
System.out.println((char)buf.get());
}
}
1-通道(Channel)与缓冲区(Buffer)
通道和缓冲区
Java NIO系统的核心在于:通道(Channel)和缓冲区(Buffer)。通道表示打开到IO 设备(例如:文件、套接字)的连接。若需要使用NIO 系统,需要获取用于连接IO 设备的通道以及用于容纳数据的缓冲区。然后操作缓冲区,对数据进行处理。
缓冲区(Buffer)
缓冲区(Buffer):一个用于特定基本数据类
型的容器。由java.nio 包定义的,所有缓冲区
都是Buffer 抽象类的子类。
Java NIO 中的Buffer 主要用于与NIO 通道进行
交互,数据是从通道读入缓冲区,从缓冲区写
入通道中的。
缓冲区(Buffer)
Buffer 就像一个数组,可以保存多个相同类型的数据。根
据数据类型不同(boolean 除外) ,有以下Buffer 常用子类:
ByteBuffer
CharBuffer
ShortBuffer
IntBuffer
LongBuffer
FloatBuffer
DoubleBuffer
上述Buffer 类他们都采用相似的方法进行管理数据,只是各自
管理的数据类型不同而已。都是通过如下方法获取一个Buffer
对象:
缓冲区的基本属性
Buffer 中的重要概念:
容量(capacity) :表示Buffer 最大数据容量,缓冲区容量不能为负,并且创
建后不能更改。
限制(limit):第一个不应该读取或写入的数据的索引,即位于limit 后的数据
不可读写。缓冲区的限制不能为负,并且不能大于其容量。
位置(position):下一个要读取或写入的数据的索引。缓冲区的位置不能为
负,并且不能大于其限制
标记(mark)与重置(reset):标记是一个索引,通过Buffer 中的mark() 方法
指定Buffer 中一个特定的position,之后可以通过调用reset() 方法恢复到这
个position.
缓冲区的基本属性

Buffer 的常用方法
| 方法 | 描述 |
|---|---|
| Buffer clear() | 清空缓冲区并返回对缓冲区的引用 |
| Buffer flip() | 将缓冲区的界限设置为当前位置,并将当前位置充值为0 |
| int capacity() | 返回Buffer 的capacity 大小 |
| boolean hasRemaining() | 判断缓冲区中是否还有元素 |
| int limit() | 返回Buffer 的界限(limit) 的位置 |
| Buffer limit(int n) | 将设置缓冲区界限为n, 并返回一个具有新limit 的缓冲区对象 |
| Buffer mark() | 对缓冲区设置标记 |
| int position() | 返回缓冲区的当前位置position |
| Buffer position(int n) | 将设置缓冲区的当前位置为n , 并返回修改后的Buffer 对象 |
| int remaining() | 返回position 和limit 之间的元素个数 |
| Buffer reset() | 将位置position 转到以前设置的mark 所在的位置 |
| Buffer rewind() | 将位置设为为0, 取消设置的mark |
缓冲区的数据操作
Buffer 所有子类提供了两个用于数据操作的方法:get()
与put() 方法
获取Buffer 中的数据
get() :读取单个字节
get(byte[] dst):批量读取多个字节到dst 中
get(int index):读取指定索引位置的字节(不会移动position)
放入数据到Buffer 中
put(byte b):将给定单个字节写入缓冲区的当前位置
put(byte[] src):将src 中的字节写入缓冲区的当前位置
put(int index, byte b):将指定字节写入缓冲区的索引位置(不会移动position)
直接与非直接缓冲区
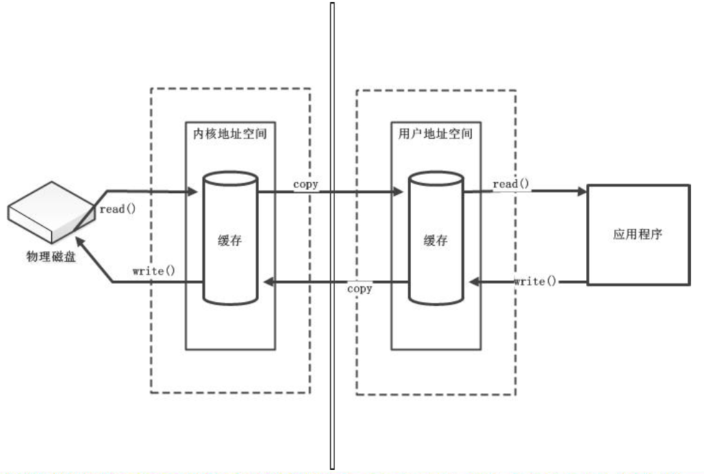
字节缓冲区要么是直接的,要么是非直接的。如果为直接字节缓冲区,则Java 虚拟机会尽最大努力直接在
此缓冲区上执行本机I/O 操作。也就是说,在每次调用基础操作系统的一个本机I/O 操作之前(或之后),
虚拟机都会尽量避免将缓冲区的内容复制到中间缓冲区中(或从中间缓冲区中复制内容)。
直接字节缓冲区可以通过调用此类的allocateDirect() 工厂方法来创建。此方法返回的缓冲区进行分配和取消
分配所需成本通常高于非直接缓冲区。直接缓冲区的内容可以驻留在常规的垃圾回收堆之外,因此,它们对
应用程序的内存需求量造成的影响可能并不明显。所以,建议将直接缓冲区主要分配给那些易受基础系统的
本机I/O 操作影响的大型、持久的缓冲区。一般情况下,最好仅在直接缓冲区能在程序性能方面带来明显好
处时分配它们。
直接字节缓冲区还可以通过FileChannel 的map() 方法将文件区域直接映射到内存中来创建。该方法返回
MappedByteBuffer 。Java 平台的实现有助于通过JNI 从本机代码创建直接字节缓冲区。如果以上这些缓冲区
中的某个缓冲区实例指的是不可访问的内存区域,则试图访问该区域不会更改该缓冲区的内容,并且将会在
访问期间或稍后的某个时间导致抛出不确定的异常。
字节缓冲区是直接缓冲区还是非直接缓冲区可通过调用其isDirect() 方法来确定。提供此方法是为了能够在
性能关键型代码中执行显式缓冲区管理。
非直接缓冲区

直接缓冲区

通道(Channel)
通道(Channel):由java.nio.channels 包定义
的。Channel 表示IO 源与目标打开的连接。
Channel 类似于传统的“流”。只不过Channel
本身不能直接访问数据,Channel 只能与
Buffer 进行交互。
通道(Channel)



通道(Channel)
Java 为Channel 接口提供的最主要实现类如下:
•FileChannel:用于读取、写入、映射和操作文件的通道。
•DatagramChannel:通过UDP 读写网络中的数据通道。
•SocketChannel:通过TCP 读写网络中的数据。
•ServerSocketChannel:可以监听新进来的TCP 连接,对每一个新进来
的连接都会创建一个SocketChannel。
获取通道
获取通道的一种方式是对支持通道的对象调用
getChannel() 方法。支持通道的类如下:
FileInputStream
FileOutputStream
RandomAccessFile
DatagramSocket
Socket
ServerSocket
获取通道的其他方式是使用Files 类的静态方法newByteChannel() 获
取字节通道。或者通过通道的静态方法open() 打开并返回指定通道。
import java.io.FileInputStream;
import java.io.FileOutputStream;
import java.io.IOException;
import java.io.RandomAccessFile;
import java.nio.ByteBuffer;
import java.nio.CharBuffer;
import java.nio.MappedByteBuffer;
import java.nio.channels.FileChannel;
import java.nio.channels.FileChannel.MapMode;
import java.nio.charset.CharacterCodingException;
import java.nio.charset.Charset;
import java.nio.charset.CharsetDecoder;
import java.nio.charset.CharsetEncoder;
import java.nio.file.Paths;
import java.nio.file.StandardOpenOption;
import java.util.Map;
import java.util.Map.Entry;
import java.util.Set;
import org.junit.Test;
/*
* 一、通道(Channel):用于源节点与目标节点的连接。在 Java NIO 中负责缓冲区中数据的传输。Channel 本身不存储数据,因此需要配合缓冲区进行传输。
*
* 二、通道的主要实现类
* java.nio.channels.Channel 接口:
* |--FileChannel
* |--SocketChannel
* |--ServerSocketChannel
* |--DatagramChannel
*
* 三、获取通道
* 1. Java 针对支持通道的类提供了 getChannel() 方法
* 本地 IO:
* FileInputStream/FileOutputStream
* RandomAccessFile
*
* 网络IO:
* Socket
* ServerSocket
* DatagramSocket
*
* 2. 在 JDK 1.7 中的 NIO.2 针对各个通道提供了静态方法 open()
* 3. 在 JDK 1.7 中的 NIO.2 的 Files 工具类的 newByteChannel()
*
* 四、通道之间的数据传输
* transferFrom()
* transferTo()
*
* 五、分散(Scatter)与聚集(Gather)
* 分散读取(Scattering Reads):将通道中的数据分散到多个缓冲区中
* 聚集写入(Gathering Writes):将多个缓冲区中的数据聚集到通道中
*
* 六、字符集:Charset
* 编码:字符串 -> 字节数组
* 解码:字节数组 -> 字符串
*
*/
public class TestChannel {
//字符集
@Test
public void test6() throws IOException{
Charset cs1 = Charset.forName("GBK");
//获取编码器
CharsetEncoder ce = cs1.newEncoder();
//获取解码器
CharsetDecoder cd = cs1.newDecoder();
CharBuffer cBuf = CharBuffer.allocate(1024);
cBuf.put("威武!");
cBuf.flip();
//编码
ByteBuffer bBuf = ce.encode(cBuf);
for (int i = 0; i < 12; i++) {
System.out.println(bBuf.get());
}
//解码
bBuf.flip();
CharBuffer cBuf2 = cd.decode(bBuf);
System.out.println(cBuf2.toString());
System.out.println("------------------------------------------------------");
Charset cs2 = Charset.forName("GBK");
bBuf.flip();
CharBuffer cBuf3 = cs2.decode(bBuf);
System.out.println(cBuf3.toString());
}
@Test
public void test5(){
Map<String, Charset> map = Charset.availableCharsets();
Set<Entry<String, Charset>> set = map.entrySet();
for (Entry<String, Charset> entry : set) {
System.out.println(entry.getKey() + "=" + entry.getValue());
}
}
//分散和聚集
@Test
public void test4() throws IOException{
RandomAccessFile raf1 = new RandomAccessFile("1.txt", "rw");
//1. 获取通道
FileChannel channel1 = raf1.getChannel();
//2. 分配指定大小的缓冲区
ByteBuffer buf1 = ByteBuffer.allocate(100);
ByteBuffer buf2 = ByteBuffer.allocate(1024);
//3. 分散读取
ByteBuffer[] bufs = {buf1, buf2};
channel1.read(bufs);
for (ByteBuffer byteBuffer : bufs) {
byteBuffer.flip();
}
System.out.println(new String(bufs[0].array(), 0, bufs[0].limit()));
System.out.println("-----------------");
System.out.println(new String(bufs[1].array(), 0, bufs[1].limit()));
//4. 聚集写入
RandomAccessFile raf2 = new RandomAccessFile("2.txt", "rw");
FileChannel channel2 = raf2.getChannel();
channel2.write(bufs);
}
//通道之间的数据传输(直接缓冲区)
@Test
public void test3() throws IOException{
FileChannel inChannel = FileChannel.open(Paths.get("d:/1.mkv"), StandardOpenOption.READ);
FileChannel outChannel = FileChannel.open(Paths.get("d:/2.mkv"), StandardOpenOption.WRITE, StandardOpenOption.READ, StandardOpenOption.CREATE);
// inChannel.transferTo(0, inChannel.size(), outChannel);
outChannel.transferFrom(inChannel, 0, inChannel.size());
inChannel.close();
outChannel.close();
}
//使用直接缓冲区完成文件的复制(内存映射文件)
@Test
public void test2() throws IOException{//2127-1902-1777
long start = System.currentTimeMillis();
FileChannel inChannel = FileChannel.open(Paths.get("d:/1.mkv"), StandardOpenOption.READ);
FileChannel outChannel = FileChannel.open(Paths.get("d:/2.mkv"), StandardOpenOption.WRITE, StandardOpenOption.READ, StandardOpenOption.CREATE);
//内存映射文件
MappedByteBuffer inMappedBuf = inChannel.map(MapMode.READ_ONLY, 0, inChannel.size());
MappedByteBuffer outMappedBuf = outChannel.map(MapMode.READ_WRITE, 0, inChannel.size());
//直接对缓冲区进行数据的读写操作
byte[] dst = new byte[inMappedBuf.limit()];
inMappedBuf.get(dst);
outMappedBuf.put(dst);
inChannel.close();
outChannel.close();
long end = System.currentTimeMillis();
System.out.println("耗费时间为:" + (end - start));
}
//利用通道完成文件的复制(非直接缓冲区)
@Test
public void test1(){//10874-10953
long start = System.currentTimeMillis();
FileInputStream fis = null;
FileOutputStream fos = null;
//①获取通道
FileChannel inChannel = null;
FileChannel outChannel = null;
try {
fis = new FileInputStream("d:/1.mkv");
fos = new FileOutputStream("d:/2.mkv");
inChannel = fis.getChannel();
outChannel = fos.getChannel();
//②分配指定大小的缓冲区
ByteBuffer buf = ByteBuffer.allocate(1024);
//③将通道中的数据存入缓冲区中
while(inChannel.read(buf) != -1){
buf.flip(); //切换读取数据的模式
//④将缓冲区中的数据写入通道中
outChannel.write(buf);
buf.clear(); //清空缓冲区
}
} catch (IOException e) {
e.printStackTrace();
} finally {
if(outChannel != null){
try {
outChannel.close();
} catch (IOException e) {
e.printStackTrace();
}
}
if(inChannel != null){
try {
inChannel.close();
} catch (IOException e) {
e.printStackTrace();
}
}
if(fos != null){
try {
fos.close();
} catch (IOException e) {
e.printStackTrace();
}
}
if(fis != null){
try {
fis.close();
} catch (IOException e) {
e.printStackTrace();
}
}
}
long end = System.currentTimeMillis();
System.out.println("耗费时间为:" + (end - start));
}
}