HashMap源码解析(一)

213 阅读7分钟
欢迎参观我的博客
https://yutiantina.github.io

前言

本篇主要了解下HashMap的源码, 以便了解其常用方法的实现原理.本篇以android SDK API26内的Java源码为准

HashMap是什么

HashMap是基于实现Map接口的哈希表, 但是他和HashTable有一定的区别, 主要区分在HashMap可以传null的键值对, 而且他不是线程安全的, 如果需要支持同步, 则需要调用Collections.synchronizedMap(Map<K,V> m)方法. 同时, HashMap不能保证时间推移下map内顺序不变.

构造函数

国际惯例, 我们先看下他的构造函数, 他需要两个参数, 分别是初始容量initialCapacity(默认为 16)和负载因子loadFactor(默认为0.75f), 奇怪的是, threshold的注释说明它应该是等于初始容量 * 负载因子, 而在tableSizeFor()方法的计算中, 我们获取到的是初始容量的两倍数据, 这点我们先压下疑问往后看

public HashMap(int initialCapacity, float loadFactor) {
        if (initialCapacity < 0)
            throw new IllegalArgumentException("Illegal initial capacity: " +
                                               initialCapacity);
        if (initialCapacity > MAXIMUM_CAPACITY)
            initialCapacity = MAXIMUM_CAPACITY;
        if (loadFactor <= 0 || Float.isNaN(loadFactor))
            throw new IllegalArgumentException("Illegal load factor: " +
                                               loadFactor);
        this.loadFactor = loadFactor;
        // threshold 表示下次需要扩容时的容纳最大值(初始容量 * 负载因子), 如果超出这个值, 则会进行扩容
        this.threshold = tableSizeFor(initialCapacity);
    }

这里threshold的计算方法, 我们姑且看下, MAXIMUM_CAPACITY1<<30, 位移运算后值为2^{29}

    static final int tableSizeFor(int cap) {
        int n = cap - 1;
        n |= n >>> 1;
        n |= n >>> 2;
        n |= n >>> 4;
        n |= n >>> 8;
        n |= n >>> 16;
        return (n < 0) ? 1 : (n >= MAXIMUM_CAPACITY) ? MAXIMUM_CAPACITY : n + 1;
    }

这段代码的意思就是会获取等于或大于cap最小的2的幂次,我们以默认值默认值2^4为例尝试计算一下, 得到的结果是2^5.

get(Object key)

我们首先看下如果对HashMap进行查找.

public V get(Object key) {
        Node<K,V> e;
        return (e = getNode(hash(key), key)) == null ? null : e.value;
    }

这里getNode才是真正用来实现Map.get的方法.要注意的是, 这里的定位哈希桶数组的位置的算法, 由于tab.length永远是2的幂次, 这里的(n - 1) & hash就相当于hash % n的操作, 而&比%具有更高的效率, 所以这里的位运算相当于是一个小的优化

    /**
     * 实现map的get方法
     * Implements Map.get and related methods
     *
     * @param hash hash for key key的hash值
     * @param key the key key
     * @return the node, or null if none 返回目标节点, 如果没有则返回
     */
    final Node<K,V> getNode(int hash, Object key) {
        Node<K,V>[] tab; Node<K,V> first, e; int n; K k;
        // tab为空, 并且获取到的目标节点不为空
        if ((tab = table) != null && (n = tab.length) > 0 &&
            (first = tab[(n - 1) & hash]) != null) {
            // 如果hash和key相同
            if (first.hash == hash && // always check first node
                ((k = first.key) == key || (key != null && key.equals(k))))
                // 返回目标节点
                return first;
            if ((e = first.next) != null) {
                // 红黑树情况
                if (first instanceof TreeNode)
                    return ((TreeNode<K,V>)first).getTreeNode(hash, key);
                // 链表情况
                do {
                    if (e.hash == hash &&
                        ((k = e.key) == key || (key != null && key.equals(k))))
                        return e;
                } while ((e = e.next) != null);
            }
        }
        return null;
    }

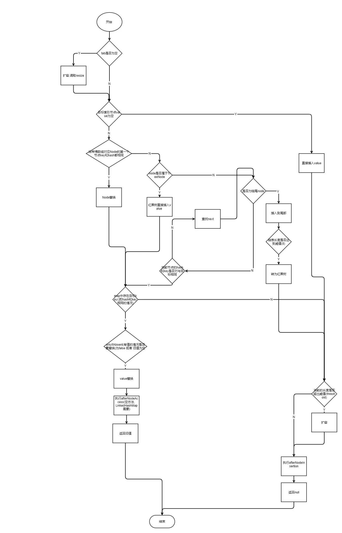
put

同样, put的实际实现是以下方法

final V putVal(int hash, K key, V value, boolean onlyIfAbsent,
                   boolean evict) {
        Node<K,V>[] tab; Node<K,V> p; int n, i;
        // 如果tab为空, 则调用resize分配内存
        if ((tab = table) == null || (n = tab.length) == 0){
            n = (tab = resize()).length;
        }
        // 通过(n - 1) & hash]获取存入位置, 得到插入位置中的节点p
        if ((p = tab[i = (n - 1) & hash]) == null)
            // 节点p为空, 则直接插入
            tab[i] = newNode(hash, key, value, null);
        else { // 节点p不为空, 插入位置冲突
            Node<K,V> e; K k;
            // 与当前节点第一个节点相同(hash和key都相同)
            if (p.hash == hash &&
                ((k = p.key) == key || (key != null && key.equals(k)))){
                // 节点赋值tab[i]
                e = p;
            }
            // 与第一个节点不相同
            // 红黑树情况
            else if (p instanceof TreeNode)
                e = ((TreeNode<K,V>)p).putTreeVal(this, tab, hash, key, value);
            // 链表情况
            else {
                // p从表头向后移动
                for (int binCount = 0; ; ++binCount) {
                    // 如果移动到链表尾部
                    if ((e = p.next) == null) {
                        // 插入到尾部
                        p.next = newNode(hash, key, value, null);
                        // 如果达到链->树阈值
                        if (binCount >= TREEIFY_THRESHOLD - 1) // -1 for 1st
                            // 替换红黑树
                            treeifyBin(tab, hash);
                        break;
                    }
                    // 找到目标相同节点(hash&&key)
                    if (e.hash == hash &&
                        ((k = e.key) == key || (key != null && key.equals(k))))
                        break;
                    // p后移 p = p.next
                    p = e;
                }
            }
            // 处理hash和key相同的情况
            if (e != null) { // existing mapping for key
                V oldValue = e.value;
                if (!onlyIfAbsent || oldValue == null)
                    e.value = value;
                afterNodeAccess(e);
                return oldValue;
            }
        }
        ++modCount;
        // 如果size > threshold时, 进行扩容
        if (++size > threshold)
            resize();
        afterNodeInsertion(evict);
        return null;
    }

put具体的流程图可以看下图

put流程图

扩容resize

该方法主要作用就是针对map进行容量初始化或者扩容双倍容量, 另外, 扩容之后, 需要重新计算键值对的位置, 并移动到目标位置上.

final Node<K,V>[] resize() {
        Node<K,V>[] oldTab = table;
        int oldCap = (oldTab == null) ? 0 : oldTab.length;
        int oldThr = threshold;
        int newCap, newThr = 0;
        if (oldCap > 0) {
            // 超过最大容量, 无法扩容, 只能改变阈值
            if (oldCap >= MAXIMUM_CAPACITY) {
                threshold = Integer.MAX_VALUE;
                return oldTab;
            }
            // 容量加倍
            else if ((newCap = oldCap << 1) < MAXIMUM_CAPACITY &&
                     oldCap >= DEFAULT_INITIAL_CAPACITY)
                // 阈值加倍
                newThr = oldThr << 1; // double threshold
        }
        // 用阈值初始值新的容量
        else if (oldThr > 0) // initial capacity was placed in threshold
            newCap = oldThr;
        // 当阈值==0的时候
        else {               // zero initial threshold signifies using defaults
            newCap = DEFAULT_INITIAL_CAPACITY;
            newThr = (int)(DEFAULT_LOAD_FACTOR * DEFAULT_INITIAL_CAPACITY);
        }
        if (newThr == 0) {
            float ft = (float)newCap * loadFactor;
            newThr = (newCap < MAXIMUM_CAPACITY && ft < (float)MAXIMUM_CAPACITY ?
                      (int)ft : Integer.MAX_VALUE);
        }
        threshold = newThr;
        @SuppressWarnings({"rawtypes","unchecked"})
            Node<K,V>[] newTab = (Node<K,V>[])new Node[newCap];
        // 将旧tab中的Node转移到新tab中, 分链表和红黑树两种情况
        table = newTab;
        if (oldTab != null) {
            for (int j = 0; j < oldCap; ++j) {
                Node<K,V> e;
                if ((e = oldTab[j]) != null) {
                    oldTab[j] = null;
                    if (e.next == null)
                        newTab[e.hash & (newCap - 1)] = e;
                    else if (e instanceof TreeNode)
                        ((TreeNode<K,V>)e).split(this, newTab, j, oldCap);
                    else { // preserve order
                        Node<K,V> loHead = null, loTail = null;
                        Node<K,V> hiHead = null, hiTail = null;
                        Node<K,V> next;
                        do {
                            next = e.next;
                            if ((e.hash & oldCap) == 0) {
                                if (loTail == null)
                                    loHead = e;
                                else
                                    loTail.next = e;
                                loTail = e;
                            }
                            else {
                                if (hiTail == null)
                                    hiHead = e;
                                else
                                    hiTail.next = e;
                                hiTail = e;
                            }
                        } while ((e = next) != null);
                        if (loTail != null) {
                            loTail.next = null;
                            newTab[j] = loHead;
                        }
                        if (hiTail != null) {
                            hiTail.next = null;
                            newTab[j + oldCap] = hiHead;
                        }
                    }
                }
            }
        }
        return newTab;
    }

resize做了两步工作, 一步是计算新的阈值和容量, 一步是键值对重新映射. 之前我们有个疑问, 就是threshold的注释明明标注它说是等于初始容量*负载因子, 而在我们的tableSizeFor内并没有看到相关的逻辑代码, 这个问题就可以在这里得到解决. 方法的前段逻辑如下:

  1. 判断当前哈希桶数组(oldCap)是否有值, 即哈希桶数组已经被初始化
  2. 有且长度超过最大值, 则不做扩容
  3. 有且没有超过最大值, 如果扩容后仍然小于最大值, 则做扩容处理
  4. 但是, 当哈希桶数组没有数据
  5. 初始阈值(oldThr)有值且大于0 , 哈希桶数组容量长度直接沿用老的阈值大小
  6. 初始阈值没有设置时, 阈值就会设为 加载因子 * 容量
  7. 如果新设置的阈值等于0, 则会赋值为加载因子 * 新的容量大小

removeNode

删除的动作与上面的比较来说, 就容易理解了. 主要可以分为三个动作:

  1. 寻找定位哈希桶数组索引位置
  2. 遍历链表找到键值相等的节点
  3. 删除目标节点
final Node<K,V> removeNode(int hash, Object key, Object value,
                               boolean matchValue, boolean movable) {
        Node<K,V>[] tab; Node<K,V> p; int n, index;
        if ((tab = table) != null && (n = tab.length) > 0 &&
            (p = tab[index = (n - 1) & hash]) != null) {
            Node<K,V> node = null, e; K k; V v;
            if (p.hash == hash &&
                ((k = p.key) == key || (key != null && key.equals(k))))
                node = p;
            else if ((e = p.next) != null) {
                if (p instanceof TreeNode)
                    node = ((TreeNode<K,V>)p).getTreeNode(hash, key);
                else {
                    do {
                        if (e.hash == hash &&
                            ((k = e.key) == key ||
                             (key != null && key.equals(k)))) {
                            node = e;
                            break;
                        }
                        p = e;
                    } while ((e = e.next) != null);
                }
            }
            if (node != null && (!matchValue || (v = node.value) == value ||
                                 (value != null && value.equals(v)))) {
                if (node instanceof TreeNode)
                    ((TreeNode<K,V>)node).removeTreeNode(this, tab, movable);
                else if (node == p)
                    tab[index] = node.next;
                else
                    p.next = node.next;
                ++modCount;
                --size;
                afterNodeRemoval(node);
                return node;
            }
        }
        return null;
    }

总结

本篇主要解释了几个常用方法的实现原理, 在此做下记录. 不过关于红黑树的相关知识, 就不在这里多加说明了.