Modbus TCP 主站冗余控制功能

165 阅读4分钟

LabVIEW利用Modbus TCP 主站的冗余控制,通过主(Primary Master)、备(Secondary Master)双主站架构,保障 Modbus 通信系统在主站异常时仍能稳定运行,核心围绕主备站职责切换与 Modbus 寄存器数据交互展开。

功能介绍

主站(Primary Master)

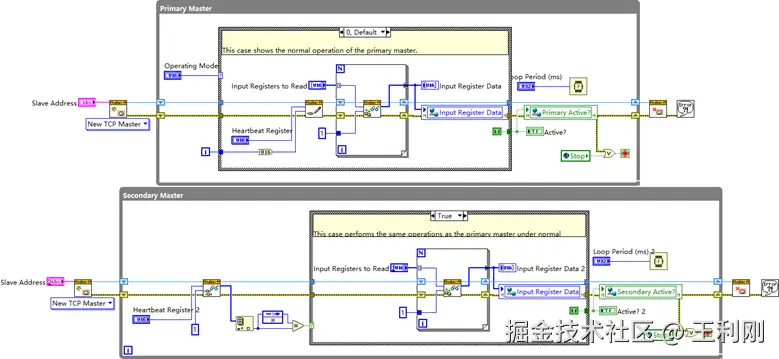
  1. 创建连接:通过Create     Master Instance.vi建立 TCP Modbus 主站连接,初始化与从站通信链路。
  2. 心跳维护:利用Write     Single Holding Register.vi持续更新 Modbus 保持寄存器(Heartbeat Register)值,作为主站正常运行的 “心跳标识” 。
  3. 数据采集:在循环中调用Read     Input Registers.vi,按配置读取输入寄存器列表(Input Registers to     Read)数据,支持非连续地址读取,采集结果存入Input Register Data 。
  4. 数据共享:将采集的寄存器数据写入共享变量(Shared Variables),供其他模块(如 HMI )使用,采用分组发送策略提升效率与扩展性。
  5. 连接关闭:任务结束时,Close.vi关闭 TCP 连接,清理资源。

备站(SecondaryMaster)

  1. 创建连接:同主站,通过Create     Master Instance.vi建立 TCP Modbus 主站连接,处于待命状态。
  2. 心跳监测:借助Read     Holding Registers.vi读取心跳寄存器值,利用移位寄存器对比当前与历史值,判断主站是否正常更新心跳。
  3. 职责切换:当检测到主站心跳异常(停止定期更新),备站调用Read Input Registers.vi读取输入寄存器数据,通过共享变量发送至 HMI,接管主站数据采集与共享职责。
  4. 连接关闭:任务结束或切换完成后,Close.vi关闭 TCP 连接,清理资源。

应用场景

适用于对Modbus TCP 通信可靠性要求高的工业自动化场景,如工厂产线设备数据采集(主站异常时备站接力,保障产线状态监控不中断)、智能楼宇设备监控(空调、照明系统 Modbus 数据交互,防止主站故障导致控制失效)、电力系统监测(变电站设备 Modbus 数据采集,保障电力参数持续获取)等,需持续稳定Modbus 数据传输的场合。

使用范围

基于LabVIEW 开发环境,用于 Modbus TCP 通信网络中,主站需热备冗余设计的场景。需部署支持Modbus TCP 协议的从站设备,且网络环境可保障主备站与从站间 TCP 通信,适用于工业物联网、设备远程监控等LabVIEW 开发的自动化项目。

注意事项

  1. 心跳阈值设置:需合理配置心跳监测的对比逻辑(如移位寄存器判断时长、差值阈值),避免因网络抖动、短暂延迟误判主站异常,或主站故障未及时切换。
  2. 寄存器地址管理:主备站读取的输入寄存器地址、心跳寄存器地址需严格一致,否则会导致数据采集混乱、职责切换后数据错误。
  3. 共享变量同步:主备站写入共享变量需做好同步机制,防止数据冲突,保障 HMI 等模块获取稳定、连续数据。
  4. 资源清理:异常退出(如强制终止程序)时,需确保Close.vi执行,避免 TCP 连接、寄存器读写资源未释放,影响下次启动或其他通信进程。

类似功能

对比维度本 Modbus 主站冗余功能传统单主站 Modbus 通信
可靠性双主站热备,主站异常时备站自动接管,保障通信连续性,降低系统停运风险单主站依赖单一通信节点,主站故障易导致通信中断、数据采集 / 控制失效
复杂度需设计主备站逻辑、心跳监测与切换机制,增加开发、调试工作量,但提升系统鲁棒性架构简单,开发周期短,仅需关注单主站通信流程
资源占用双主站同时运行(备站待命也占用部分连接、计算资源 ),对系统硬件、网络资源需求稍高单主站运行,资源占用集中,硬件、网络压力相对小
适用场景对可靠性要求严苛的工业自动化、关键设备监控场景对通信中断容忍度高、简单数据采集 / 控制场景,如小型自动化产线简易监控