硬件开发笔记(十六):RK3568底板电路mipi摄像头接口原理图分析、mipi摄像头详解

743 阅读5分钟

前言

  本篇继续分析底板原理图mipi电路原理图、mipi摄像头输入硬件接口详解。


RK3568芯片摄像头接口

  查看RK3568的芯片手册,摄像头接口并不支持直接sensor模拟信号输入,只能接收mipi信号,RK3568的摄像头接口引脚如下:   在这里插入图片描述

  只支持mipi的数字信号摄像头。   本来计划是使用RK3568直接接入sensor模拟信号已达到最低延迟,目前看来是不现实,前面需要一个模数转换接入sensor模拟信号,或者直接接入mipi摄像头,所以这个需要做出来测试下融摄像头输入到输出需要多少ms。


Mipi接口

  mipi接口是一种移动处理器接口,因为是由mipi联盟发起的,所以命名为mipi接口,属于一种标准的移动应用处理器接口模式,摄像头、显示屏、基带、射频接口等移动设备上都可使用。   mipi接口能在高速数据传输模式下摆幅,针对功率敏感型应用而量身定做的,灵活性强,同成本低,有效降低了设计复杂度、功耗和EMI,有更高的性能和更小的物理尺寸。

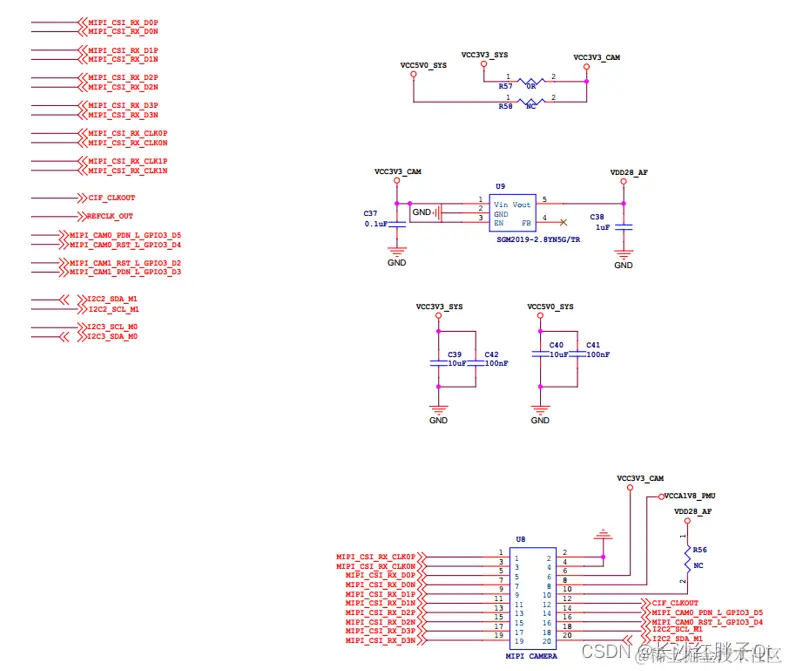
Mipi摄像头电路分析

开发板的底板原理图

  在这里插入图片描述

  下面调整下分析:   在这里插入图片描述

  然后是电源电路:   在这里插入图片描述

  所以,输入信号要是MIPI_CSI,40Pin。


内窥镜方案OV426+OV6946(DVP接口)

  OV426是用于OV426医疗应用的单芯片解决方案。当OV426与OV6946结合使用时,OV6946使用内置的A/D转换器(ADC),黑电平校准(BLC),AEC / AGC和最终的数字视频并行功能提供集成的模数数据转换 输出(DVP)。   OV426提供了一个标准的SCCB接口以与系统通信并操纵上述功能.OV426在运行期间,通过预定义的通信协议通过ADC同步OV6946的模拟输出。 然后,生成的数字信号将由数字信号处理器(DSP)处理。 最后,标准DVP输出被发送出去。

摄像头传入的模拟信号

  在这里插入图片描述

单芯片方案模数转换

  接入之后,需要模数转化,芯片为OV00426:   在这里插入图片描述

  查看OV426芯片文档:   在这里插入图片描述


Sensor的DVP接口

  DVP(Digital Video Port)接口是一种数字视频接口标准,旨在传输和接收数字视频数据。它是一种相对简单和经济实惠的接口,广泛应用于低成本摄像头和一些消费电子产品中。DVP接口通常使用多个并行数据线来传输视频和控制信号,其中每个线路都负责传输特定的数据位。这种并行传输的方式可以实现较高的带宽和较低的延迟,适用于对实时性要求较高的应用场景。   DVP(Digital Video Port)是传统的sensor 输出接口,采用并行输出方式,数据位宽有 8bit、10bit、12bit、16bit 等。   在这里插入图片描述

  在这里插入图片描述

DVP接口和MIPI接口区别

尺寸不同

  mipi接口是一种面向移动设备的高速串行接口标准,物理尺寸更小。相对于dvp接口,mipi接口采用了串行传输的方式,通过少量的数据线来传输视频和控制信号。这种串行传输方式大大减少了线缆的数量和复杂性,有助于提高设备的可靠性和减小尺寸。

电气特性和协议有区别

  dvp接口使用的是LVDS(Low Voltage Differential Signaling)电气接口标准,而mipi接口则采用了更先进的低电压差分信号传输技术。这种差分信号传输技术可以有效地减少信号干扰和功耗,并提高数据传输的可靠性和稳定性。此外,mipi接口还支持更多的数据格式和功能,例如物理层扩展、图像信号处理和摄像头控制命令等。

应用场景

  dvp接口通常被用于一些低成本和相对简单的应用场景,例如一些传统的监控系统、低分辨率摄像头和一些老旧的消费电子产品中。由于其成本较低,dvp接口在一些价格敏感的市场上得到了广泛应用。 mipi接口则在高性能和高分辨率摄像头领域中得到了广泛的采用。智能手机是一个典型的例子,由于mipi接口具有较小的尺寸、较高的带宽和较低的功耗,它可以满足手机摄像头对于小尺寸、高画质和高帧率的要求。此外,mipi接口还支持一些高级功能,例如相位对焦、HDR(High Dynamic Range)和实时视频传输等。

电源线

  dvp接口通常需要使用更多的电源和地线来支持高速数据传输。这使得dvp接口的设计更为复杂,并且需要更多的空间来布线。相比之下,mipi接口的设计更为简单,并且可以使用较少的电源和地线来支持高速数据传输。


总结

  RK3568芯片自带的是MIPI-CSI接口,若想尝试OV6946等相关方案,则需要搭配DVP转MIPI-CSI信号转换器,单独这个转换器涉及到高速模拟信号转换又是一大块,水挺深的。