【YOLOv8】实战二:YOLOv8 OpenVINO2022版 windows部署实战

1,613 阅读8分钟

‍‍🏡博客主页: virobotics(仪酷智能):LabVIEW深度学习、人工智能博主

🍻本文由virobotics(仪酷智能)原创首发

🥳欢迎大家关注✌点赞👍收藏⭐留言📝

前言

Hello,大家好,我是virobotics(仪酷智能),一个深耕于LabVIEW和人工智能领域的开发工程师。

前面两篇文章介绍了OpenVINO工具包及具体的安装,今天我们一起来看一下,如何使用LabVIEW OpenVINO工具包实现YOLOv8的推理部署。其他yolo模型在LabVIEW中的部署可以查看专栏【深度学习:物体识别(目标检测)】


一、YOLOv8简介

YOLOv8 是由 YOLOv5 的发布者 Ultralytics 发布的最新版本的 YOLO。它可用于对象检测、分割、分类任务以及大型数据集的学习,并且可以在包括 CPU 和 GPU 在内的各种硬件上执行。

YOLOv8是一种尖端的、最先进的 (SOTA) 模型,它建立在以前成功的 YOLO 版本的基础上,并引入了新的功能和改进,以进一步提高性能和灵活性。YOLOv8 旨在快速、准确且易于使用,这也使其成为对象检测、图像分割和图像分类任务的绝佳选择。具体创新包括一个新的骨干网络、一个新的 Ancher-Free 检测头和一个新的损失函数,还支持YOLO以往版本,方便不同版本切换和性能对比。

YOLOv8 有 5 个不同模型大小的预训练模型:n、s、m、l 和 x。关注下面的参数个数和COCO mAP(准确率),可以看到准确率比YOLOv5有了很大的提升。特别是 l 和 x,它们是大模型尺寸,在减少参数数量的同时提高了精度。 在这里插入图片描述 每个模型的准确率如下 在这里插入图片描述

YOLOv8官方开源地址:github.com/ultralytics…


二、环境搭建

2.1 部署本项目时所用环境

  • 操作系统:Windows10
  • python:3.6及以上
  • LabVIEW:2018及以上 64位版本
  • AI视觉工具包:techforce_lib_opencv_cpu-1.0.0.98.vip
  • OpenVINO工具包:virobotics_lib_openvino-1.0.0.9.vip【1.0.0.9及以上版本均可】

2.2 LabVIEW工具包下载及安装

2.3 安装OpenVINO2022 Dev Tools(选做)

如果你打算直接使用已经导出好的OpenVINO模型(IR格式文件),则不需要安装OpenVINO2022 Dev Tools,可以直接进入步骤四-项目实战,如果你打算自己将yolov8.pt导出为OpenVINO模型(IR格式文件),那请安装OpenVINO2022 Dev Tools,具体安装命令如下:

pip install openvino-dev==2022.3.0

'注意:因为LabVIEW推理中使用的OpenVINO工具包是2022.3.0版本,所以Dev Tools也需要2022.3.0版本'


三、yolov8导出OpenVINO(选做)

注意:本教程已经为大家提供了YOLOv8的openvino模型,可跳过本步骤,直接进行步骤四-项目实战。若是想要了解YOLOv8的openvino模型如何导出,则可继续阅读本部分内容。

下面我们来介绍openvino模型(IR格式文件)的导出(以yolov8s为例,想要导出其他模型的方式也一样,只需要修改名字即可)

3.1 安装YOLOv8

YOLOv8的安装有两种方式,pip安装和GitHub安装。

  • pip安装
pip install ultralytics -i https://pypi.douban.com/simple/
  • GitHub安装
git clone https://github.com/ultralytics/ultralytics

cd ultralytics

pip install -e '.[dev]'

大家可以选择其中的一种安装方式进行安装,安装完成后就可以通过yolo命令在命令行进行使用了。

3.2 下载模型权重文件

在官方网站中下载我们所需要的权重文件 在这里插入图片描述

注意:这一步其实可以不做,我们在第三步导出模型为openvino的时候如果权重文件不存在,会自动帮我们下载一个权重文件,但速度会较慢,所以个人还是建议先在官网中下载权重文件,再导出为openvino模型(IR格式文件)

3.3 导出模型为openvino

新建一个文件夹名字为“yolov8_openvino”,将刚刚下载的权重文件“yolov8s.pt”放到该文件夹下的models文件夹里 在这里插入图片描述 在models文件夹下打开cmd,在cmd中输入以下命令将模型直接导出为openvino模型(IR格式文件):

yolo export model=yolov8s.pt format=openvino 

在这里插入图片描述 可以看到模型已经成功导出,并保存在<yolov8s_openvino_model>文件夹下 在这里插入图片描述

仔细查看导出信息,我们可以看到整个导出过程是先将yolov8s.pt导出为onnx,再将onnx模型导出为openvino模型(IR格式文件)。 在这里插入图片描述

如果觉得上面方式不方便,那我们也可以写一个python脚本,快速导出yolov8的openvino模型(IR格式文件),程序如下:

from ultralytics import YOLO
 
# Load a model
model = YOLO("\models\yolov8s.pt")  # load an official model
 
# Export the model
model.export(format="openvino")

当然,也可以导出为其他格式,具体参数可参考如下文档: 在这里插入图片描述


四、项目实践

实现效果:LabVIEW中使用OpenVINO部署yolov8实现目标检测

整个项目工程如下,本次项目以yolov8s为例

在这里插入图片描述

  • model:yolov8模型文件
  • subvi:子vi
  • yolov8_IE_camera:yolov8摄像头视频实时推理

准备工作

  1. 将coco.names移动到yolov8_openvino文件夹下;
  2. 确保models文件中已经放置了yolov8的onnx以及模型openvino模型。

4.1 加载YOLOv8的openvino模型实现实时目标检测

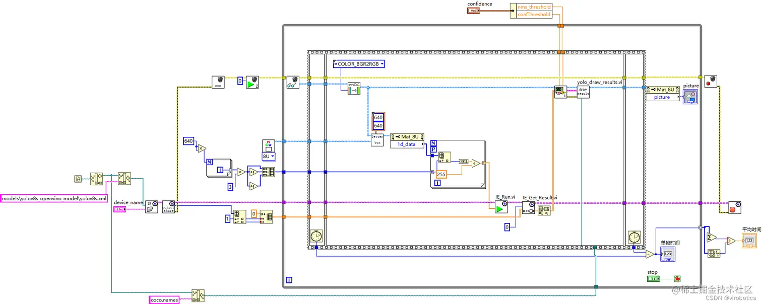
1.获取模型文件及类别标签文件路径; 在这里插入图片描述

2.模型初始化:加载openvino模型并读取该模型输出的shape; 在这里插入图片描述

3.图像预处理:创建所需Mat并启动摄像头,对视频流中的每帧进行预处理 在这里插入图片描述

cvtColor:颜色空间转换把采集的BGR图像转为RGB letterbox:深度学习模型输入图片的尺寸为正方形,而数据集中的图片一般为长方形,粗暴的resize会使得图片失真,采用letterbox可以较好的解决这个问题。该方法可以保持图片的长宽比例,剩下的部分采用灰色填充,输入参数是模型指定输入的大小,比如640*640。 在这里插入图片描述

循环的作用:归一化图像数据为圣经网络所需

4.模型推理:将数据输入给到IE_run.vi,数据的大小为1x3x640x640;

在这里插入图片描述

IE_Run是一个多态vi,我们选择Automatic,则该vi会根据输入数据不同自动选择类型,本范例中,使用类型为IE_Run_OneInput_1d_Float 在这里插入图片描述

5.获取推理结果:循环外初始化一个84x8400的二维数组,此数组作为IE_Get_Result.vi的输入,另一个输入为index=0,输出为84x8400的二维数组结果,推理之后,将推理结果由84x8400 transpose为8400x84,以便于输入到后处理;

在这里插入图片描述

6.后处理

在这里插入图片描述

范例中yolov8_post_process 的输入8400x84,84的排列顺序:

  • 第0列代表物体中心x在图中的位置
  • 第1列表示物体中心y在图中的位置
  • 第2列表示物体的宽度
  • 第3列表示物体的高度
  • 第4~83列为基于COCO数据集的80分类的标记权重,最大的为输出分类。

8400的含义是:YOLOv8的3个检测头一共有80x80+40x40+20x20=8400个输出单元格 yolov8_post_process 的输出为box的x,y,w,h以及confidence和类别class

注:如果用户训练自己的数据集,则列数将根据用户定义的类别数改变。如果用户的数据集中有2类,那么输入数据的大小将为8400x6。前4列意义和之前相同,后2列为每一个分类的标记权重。

7.绘制检测结果:在图片上绘制box把那个显示识别结果和置信度 在这里插入图片描述

8.完整源码; 在这里插入图片描述

9.运行效果(检测1280*720的视频流)

测试电脑型号如下

  • CPU型号:==11th Gen Intel(R) Core(TM) i7-11800H @ 2.30GHz 2.30 GHz==
  • 集显型号:==Intel(R) UHD Graphics== 在这里插入图片描述

4.2 加载YOLOv8的onnx模型实现实时目标检测

我们在以上程序中做一点小小的修改,只需要修改加载模型函数为IE_Creat_session_from_ONNX.vi,修改模型相对路径为model\yolov8s.onnx,则可实现LabVIEW OpenVINO2022版工具包==加载onnx模型==。 在这里插入图片描述

1.完整程序; 在这里插入图片描述

2.实现效果(检测1280*720的视频流)

  • CPU加速:

在这里插入图片描述

五、速度对比

在同一电脑下,我们使用LabVIEW onnx工具包加载yolov5s模型,检测1280*720的视频流,每帧耗时大概是100多毫秒(如下动态图所示),对比我们可以看出,在CPU下推理,OpenVINO工具包更有优势

在这里插入图片描述

我们本次项目中所用IR是FP32,如果对模型调优量化,速度会更快

六、项目源码

如需源码,可查看blog.csdn.net/virobotics/…


总结

以上就是今天要给大家分享的内容,希望对大家有用。如有笔误,还请各位及时指正。下一篇会给大家更新使用TensorRT来部署加速YOLOv8实现目标检测,我们下篇文章见~,欢迎大家关注博主。我是virobotics(仪酷智能),我们下篇文章见~

如果有问题可以在评论区里讨论,提问前请先点赞支持一下博主哦,如您想要探讨更多关于LabVIEW与人工智能技术,欢迎加入我们的技术交流群:705637299。进群请备注:LabVIEW机器视觉

**如果文章对你有帮助,欢迎✌关注、👍点赞、✌收藏