当AI遇上核聚变,「50年悖论」的可控核聚变会提前实现吗?

439 阅读11分钟

作者/凯霞

自 20 世纪 40 年代以来,物理学家们进行了各种试验,但还没有人创造出有效的核聚变反应。

不可控核聚变,在上世纪科学家已经研究出来了——氢弹。

可控核聚变能具有安全、清洁、燃料丰富等优点,是解决人类未来能源问题的主要选择之一。

在可控核聚变领域有一个著名的「50 年悖论」,意思就是说距离实现可控核聚变永远都只有 50 年,为了让核聚变「可控」,科学家们已经研究了 50 多年,接下来还要继续……

但,人工智能和机器学习 (ML) 已被证明在很多行业和应用中能够检测人类无法识别的数据中的微妙模式。

那么神经网络和为其提供动力的 GPU 是否有助于核聚变?这是一个巨大的挑战,它将加速全球对「驯服」热等离子体不稳定性的探索,并最终提供一种可持续、无碳能源的来源。

核聚变和可控核聚变

核聚变(nuclear fusion)是两个较轻的原子核(例如氘和氚)聚合为一个较重的原子核(例如氦),并释放出能量的过程。通常有重力场约束、惯性约束和磁约束三种方式来产生核聚变。

自然界中最容易实现的聚变反应是氢的同位素——氘与氚的聚变,这种反应在太阳上已经持续了 50 亿年。可控核聚变俗称「人造太阳」,因为太阳的原理就是核聚变反应。

可控核聚变能具有安全、清洁、燃料丰富等优点,是解决人类未来能源问题的主要选择之一。如果人类能够掌握有序释放核聚变的能量的方法,就等于掌握了太阳的能量来源,等于掌握了无穷无尽的矿石燃料、风力和水力能源。因此,可控核聚变反应堆当之无愧地被称作「人造太阳」。

科学家正在努力研究可控核聚变,核聚变可能成为未来的能量来源。核聚变燃料可来源于海水和一些轻核,所以核聚变燃料是无穷无尽的。

激光约束(惯性约束)核聚变,如我国的神光计划,美国的国家点火计划等;磁约束核聚变,比如托卡马克、仿星器、磁镜、反向场、球形环等。

2021 年 5 月 28 日,中科院合肥物质科学研究院有「人造太阳」之称的全超导托卡马克核聚变实验装置(EAST)创造了新的世界纪录,成功实现了可重复的 1.2 亿摄氏度 101 秒和 1.6 亿摄氏度 20 秒等离子体运行,将 1 亿摄氏度 20 秒的原纪录延长了 5 倍。

图示:升级改造后的全超导托卡马克核聚变实验装置(EAST)。(来源:中科院合肥物质科学研究院等离子体物理研究所。)

中科院合肥物质科学研究院等离子体物理研究所所长宋云涛介绍说,本次 EAST 的新纪录进一步证明了核聚变能源的可行性,也为迈向商用奠定了物理和工程基础。

以下为深度学习和机器学习,最近在核聚变方面的应用研究:

深度学习在核聚变研究中的三种用途

葡萄牙里斯本大学(University of Lisbon)信息系统教授 Diogo Ferreira 说:「物理学家开发理论模型,编写方程,用数学方法处理事物。但这是有限度的。」 他说,人工智能可以提供帮助。

最近,Ferreira 与英国欧洲联合环 (Joint European Torus,JET) 的同事合作进行了一项研究,该研究详细介绍了深度学习模型在核聚变研究中的三种不同用途。

该研究于 6 月 24 日以《Using HPC infrastructures for deep learning applications in fusion research》为题发表在《Plasma Phys. Control. Fusion》杂志上。

论文链接:iopscience.iop.org/article/10.…

该研究给出了深度学习模型的 3 个示例, 即:用于图像重建的卷积神经网络 (CNN);循环神经网络 (RNN) 进行中断预测;用于异常检测的变分自编码器 (VAE)。

Ferreira 使用连接到 JET 反应堆的 48 个传感器(称为热辐射计)的诊断数据训练他的模型,这些传感器用于收集功率和辐射数据。

RNN 用于中断预测

第一个机器学习模型预测了超热等离子体的破坏。在研究中,Ferreira 解释说,根据它的训练方式,该模型可以预测中断的可能性——这可能导致等离子体脱离限制、震动设备、大幅降低等离子体的温度并结束反应——或者预测中断发生的时间。

研究证明了基于 JET 热辐射计开发的用于中断预测的深度学习模型可行性。等离子体辐射剖面提供了有关破坏相关行为的重要线索。

图示:脉冲 92 213 从 48.1 秒到 54 秒的重建,时间步长为 0.1 秒。(来源:论文)

图示:用于中断预测的深度学习模型的结构。(来源:论文)

VAE 用于异常检测

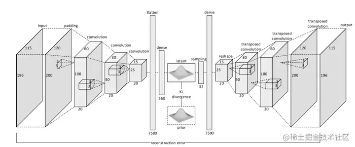
在深度学习领域,最常用于异常检测的模型类型是 VAE。异常检测依赖于 VAE 重建给定输入样本的能力。当 VAE 重现输入样本时,这表明它以前从未见过这种行为,因此这种行为被归类为异常。

第二个机器学习模型检测等离子体中的异常。该模型仅针对未发生中断的反应进行训练,可以重现这些「良好」的实验。如果数据源自以中断结束的实验,该模型可以识别数据何时以及如何与成功反应的数据不同。科学家可以使用这个过程来更好地了解最终导致中断的原因,并最终产生中断可能性较小的反应。

图示:用于异常检测的深度学习模型的结构。(来源:论文)

CNN 用于图像重建

另一个应用涉及等离子体辐射模式的视觉表示。CNN 用于等离子断层扫描。

通过大约 400 个样本的批量大小,在具有 16 GB 内存的单个 Nvidia P100 GPU 上训练网络,需要花费将近一天(16 小时)的时间来训练。相比之下,在具有 8 个 Nvidia P100 GPU 的多 GPU 节点上,可以在几个小时(2-3 小时)内训练模型。

该研究表明训练过程的强大扩展性,且将训练分布在多个 GPU 上是有益的。

训练后,该模型可用于在几秒钟内生成整个脉冲的重建(而不是使用原始方法花费几分钟来生成单个重建)。

图示:用于等离子断层扫描的深度学习模型的结构。(来源:论文)

Ferriera 说,执行蛮力、直接计算,每个反应可能需要 20 分钟。相比之下,一个机器学习模型可以在几秒钟甚至更短的时间内生成类似的图像。Ferriera 说,「这太快了,有朝一日可能会在实时实验中完成。」

机器学习预测等离子体行为

等离子体是由大量带电粒子组成的,宏观上呈准中性的电离气体,在长程电磁力作用下表现出独特的集体振荡的动力学行为。

看似「神秘」的等离子体,其实是宇宙中一种常见的物质,在太阳、恒星、闪电中都存在等离子体,它占了整个宇宙的 99%。太阳就是一个天然的等离子体物理和核聚变实验室。

等离子体是高度非线性和多尺度的,这对理解、建模和控制这些系统提出了严峻的挑战。理论、数据驱动和机器学习方法正在彻底改变高维非线性系统的分析、建模和控制,尤其是在流体力学领域。降阶建模发展迅速,但许多进展尚未被等离子体物理学界采用。

华盛顿大学研究人员最近的一项研究,详细介绍了一种使用机器学习来预测等离子体行为的方法。为了促进可重复的研究,提供了用于该分析的 Python 代码。该研究为流体力学中广泛的伽辽金文献(Galerkin literature)架起了一座桥梁,并促进了基于投影和数据驱动的等离子体模型的未来原则性发展。

该研究以《用于磁流体动力学的受物理约束的低维模型: 第一性原理和数据驱动的方法》(Physics-constrained, low-dimensional models for magnetohydrodynamics: First-principles and data-driven approaches) 为题,于 7 月 13 日发表在《Physical Review E 》杂志上。

论文的共同作者 Hansen 说,虽然研究中的模型在实验中运行得不够快,但他认为它最终可以。

项目地址:github.com/akaptano/PO…

论文链接:journals.aps.org/pre/abstrac…

这项工作利用基于投影和数据驱动的流体建模数十年的进展,为可压缩等离子体开发了降阶建模框架。

首先将非线性磁动流体力学(magnetohydrodynamics MHD)系统的基于投影的简化模型形式化。为了避免对磁、速度和压力场进行单独的模态分解,引入了能量内积以将所有场合成为尺寸一致的降阶基础。接下来,通过 Hall-MHD 方程在这些模式上的 Galerkin 投影获得解析模型。

图示:填充等离子体模型层次结构较低层级方法:(a) 收集数据,(b) 执行基于投影的模型简化, (c) 使用物理约束系统识别发现数据驱动模型。(来源:论文)

论文一作 Alan A. Kaptanoglu 表示:「我们的模型使用更少的数据、计算力和时间。将促进基于投影和数据驱动的等离子体模型的发展。」

基于深度学习的 PIC 模拟方法

粒子模拟(Particle-in-Cell,PIC) 方法是用于模拟等离子体的最强大和最常用的计算方法之一,可应用于聚变反应堆、激光等离子体装置、加速器、空间物理学和天体物理学。PIC 模拟分析极大地促进了我们对复杂现象和系统中等离子体动力学的理解。

最近,瑞典斯德哥尔摩 KTH 皇家理工学院计算机科学副教授 Stefano Markidis 与他的同事 Xavier Aguilar 一起创建了一个深度学习模型,该模型解决了确定信息的计算密集型步骤之一:等离子体——计算其电场。该方法速度更快,在某些情况下,比涉及复杂数学方程的传统方法更准确。

研究表明,将 DL 技术集成到传统计算方法中是开发下一代 PIC 算法的可行方法。

该研究于 7 月 5 日以《用于等离子体模拟的基于深度学习的 Particle-in-Cell 方法》(A Deep Learning-Based Particle-in-Cell Method for Plasma Simulations)为题,发表在 arXiv 上。

论文链接:arxiv.org/abs/2107.02…

该研究有两个目标: 第一个目标是设计和开发一种新的 PIC 方法,在 PIC 计算周期中采用 DL 技术。第二个目标是确定基于 DL 的 PIC 方法与传统 PIC 方法相比,在稳定性和准确性方面的优势。

双流不稳定性(two-stream instability)是等离子体物理学中很常见的不稳定因素。该研究设计并开发了一种用于等离子体模拟的新 PIC 方法。训练了一个多层感知器 (Multilayer Perceptron,MLP) 和一个卷积神经网络 (CNN) 来解决双流不稳定测试。

图示:基于 DL 的 PIC 方法。(来源:论文)

研究人员比较了基于 DL 的 PIC 方法与传统 PIC 方法的精度和性能。研究表明基于 DL 的 PIC 方法在总能量和动量变化可接受的情况下再现了双流不稳定性的正确结果。然而,基于 DL 的 PIC 方法对冷光束不稳定性很稳定。

图示:双流不稳定性的传统和基于 DL 的 PIC 模拟中总能量和动量演化的比较。(来源:论文)

研究人员表示:「未来的工作将包括表征基于 DL 的 PIC 计算性能。我们还打算扩展该方法来研究电磁问题的二维和三维系统。」

人工智能和机器学习在核聚变系统中并非没有缺点。机器学习算法,尤其是深度学习模型,是「黑匣子」——并不总是可能知道一个模型是如何得到结果的。但是通过使用这些算法,科学家们可以收集这些模型所见的一些细节,并了解有关等离子体和聚变物理学的更多信息。

「归根结底,解决核聚变问题的将是我们的思想,」Stefano Markidis 说。「这只是我们使用什么工具的问题,人工智能和机器学习将成为关键工具。」

论文链接:

iopscience.iop.org/article/10.…

journals.aps.org/pre/abstrac…

arxiv.org/abs/2107.02…

相关报道:

spectrum.ieee.org/can-ai-make…

参考内容:baike.baidu.com/item/%E6%A0…

mp.weixin.qq.com/s/53XZiOMZz…