matlab simulink永磁同步电机改进模糊PI控制研究

231 阅读3分钟

1、内容简介

2、内容说明

摘要 : 研究了一种用遗传算法优化的模糊 PI 控制方法 , 优化后模糊规则更加合理 。 实验结果表明 , 经遗传算 法改进的模糊 PI 控制算法对永磁同步电机的转速具有优良的控制性能 , 相比于经典的模糊 PI 控制算法 , 有更快的 速度响应及更稳定的控制性能 , 对于突加的载荷 , 具有更好的动态性能及更强的抗干扰能力 。

关键词 : 永磁同步电机 ; 遗传算法 ; 模糊规则 ; 模糊 PI 控制

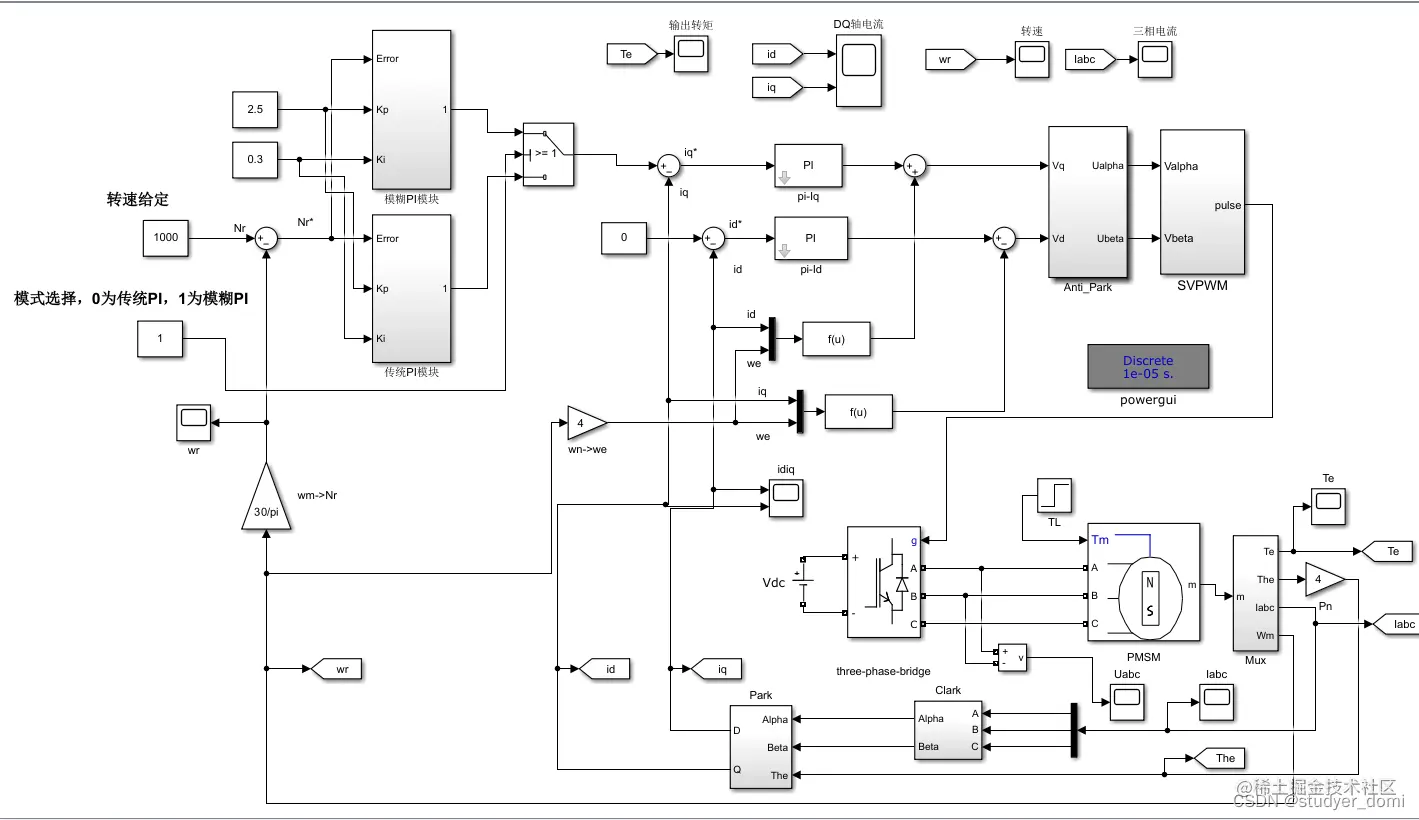
永磁同步电机的控制是一个复杂的、非线性的问题。永磁同步电动机有三种经典的控制方法,即恒压频率比控制,磁场定向矢量控制和直接转矩控制。在这三种控制方式中,恒压频比控制具有简单易用的优点,但是其开环控制的性质导致其无法满足电机的控制精度及响应速度要求。磁场定向矢量控制能够精确控制电机的转速,且响应速度快,控制精度高。直接转矩控制具有动态响应快、鲁棒性强的优点,适用于低速场合下的电机控制。文献[1]提出了一种利用反双曲正弦函数的一阶自抗扰控制器,这种控制器能够提高永磁同步电机正弦波脉宽调制(SPWM)调速系统的跟踪精度。在永磁同步电机控制中。常常运用经典PID控制,文献[2]提出一种变论域自适应模糊PID复合控制策略,通过变论域模糊控制实现了所控参数和所控规则的自我调整,并成功运用于永磁同步电机的控制。针对永磁同步电机控制参数的时变特性,学者们将模糊控制和PI控制结合,这种控制方式具有响应快、超调量小、鲁棒性好的优点[3-5],在实际应用中,模糊PI控制方法存在参数在线整定等缺陷[6-8]。因此,本文提出了一种用遗传算法优化模糊规则的模糊PI控制方法,克服了常规模糊PI控制中无法适应时变参数的缺陷,利用遗传算法的优化效应对模糊规则进行优化,使得模糊规则能够适应具有时变参数的控制系统。在MATLABSimulink模块上搭建永磁同步电机的控制模型,对未经优化的模糊PI控制系统和优化后的模糊PI控制系统进行对比仿真实验。仿真及实验结果表明,经过改进后的控制方法对系统的静态、动态性能有了更好的表现,同时,控制系统对外部负载扰动具有较强的抗干扰性

image.png

3、仿真分析

image.png

image.png

image.png

4、参考论文

基于遗传算法的永磁同步电机模糊PI转速控制

永磁同步电机改进模糊PI控制研究