用单位脉冲表示LTI
离散
重新审视离散信号:一系列移位脉冲信号的线性组合,权重就是原信号(筛选性质)
x[n]=∑k=−∞∞x[k]δ[n−k]
这个变形可以充分利用线性系统的便利,因为线性系统的叠加性,我们把输入信号拆解成了一系列脉冲信号的组合,所以只要知道系统对脉冲信号的响应,就可以知道所有离散输入的响应。y[n]=∑k=−∞∞x[k]hk[n],其中hk[n]表示对δ[n−k]的响应。
更进一步,如果系统是时不变的,那hk[n]=h0[n−k]≡h[n−k]。因此,系统的输出可以写作y[n]=∑k=∞−∞x[k]h[n−k]
上面的式子就是卷积和,也可以表示为y[n]=x[n]∗h[n]
求解过程有两种视角
- 1 固定n,移动k,然后求和。每次求和只能算出一项
- 2 固定k,移动n,看作是k个h[n−k]在一起随着n移动,然后和x[k]做乘法,每次的结果暂存累计,形成y[n]
连续
本质:x(t)=limΔ→0∑k=−∞∞x(kΔ)δΔ(t−kΔ)Δ
x(t)=∫−∞∞x(τ)δ(t−τ)dτ
对于LTI系统,可以对响应信号表述为y(t)=∫−∞∞x(τ)h(t−τ)dτ
性质:设Ax=∫−∞∞x(t)dt,又有y(t)=x(t)∗h(t),则Ay=AxAh
用单位脉冲表示LTI的性质
- 交换律:x[n]∗h[n]=h[n]∗x[n],x(t)∗h(t)=h(t)∗x(t),换元即可证
- 分配律:x[n]∗(h1[n]+h2[n])=x[n]∗h1[n]+x[n]∗h2[n]
- 结合律:x[n]∗(h1[n]∗h2[n])=(x[n]∗h1[n])∗h2[n]
- 无记忆性:有了h函数可以更好的认识,发现只有h[n]/h(t)在n / t以外的位置都是0才是无记忆的
- 可逆性:对于h(t),存在一个h′(t),sth(t)∗h′(t)=δ(t),则可逆。比如一个系统y(t)=x(t−t0),这是一个移位系统,那么可以写为y(t)=x(t)∗δ(t−t0),这样h(t)=δ(t−t0),h′(t)=δ(t+t0),可逆。
- 因果性:因果性意味着y[n]只和n及以前的x有关,通过卷积求和的公式可以看到,这要求h[n−k]在k≥n的位置都为0.
- 稳定性:输入有界则输出必有界,这要求∑k=−∞∞∣h[k]∣<∞
注意也可以用单位阶跃表示LTI,因为s[n]=h[n]∗u[n],所以
用微分、差分方程描述
- 连续:dtdy(t)+by(t)=ax(t)
- 离散:y[n]+ay[n−1]=cx[n]
如何求解?
注意求解微分方程一般是猜出他的形式(特解 + 齐次解)。
- 特解:一般是一个AeKt的形式,带进去求。
- 齐次解:采用受迫响应,即只有系数和x(t)不一样的信号,然后齐次说明rhs是0.
- 利用初始松弛条件确定系数:上面解完不唯一,为了进一步确定需要额外的条件,最常用的是初始松弛条件。即如果存在一个t0,当t<t0时,x(t)=0,那么t<t0时,y(t)也为0。
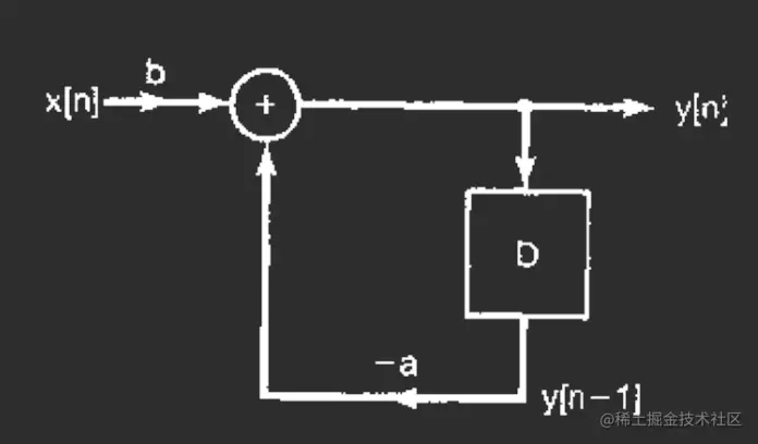
差分方程转换为电路图
考虑y[n]+ay[n−1]=bx[n], 那么可以考虑3个基本操作:加法、乘常数、delay(对应存储单元)

微分方程转换为电路图
一个很类似的替换是把delay换成求导运算,但微分器设计很复杂,但积分器很好设计,所以应该改一下。
dtdy(t)+ay(t)=bx(t),两侧积分
∫−∞tdτdy(τ)dτ=∫−∞t(bx(τ)−ay(τ))dτ,电路如下

单位脉冲再讨论
从卷积看单位脉冲
从卷积这里,若令g(−t)=g(−t)∗δ(t)(不要忘了单位冲激和自身卷机是恒等的),取t为0,可以得到g(0)=∫−∞∞g(τ−t)δ(τ)dτ。在0处的取值刚好就是脉冲位置的值。由此可以得到一个常用的变形:f(t)δ(t)=f(0)δ(t)
单位脉冲的微分:冲击偶
接下来研究单位脉冲的导数,考虑一个系统输出对输入信号的导数y(t)=dx(t)/dt,显然这是一个LTI系统,所以可以研究对单位脉冲的响应。
y(t)=dtdx(t)=dtd(x(t)∗δ(t))=dtd(δ(t)∗x(t))=dtd(∫−∞∞δ(t−τ)x(τ)dτ)=∫−∞∞dtd(δ(t−τ))x(τ)dτ=∫−∞∞d(t−τ)d(δ(t−τ))x(τ)dτ,另u1(t)=δ′(t),则y(t)=dtdx(t)=x(t)∗u1(t),所以对单位脉冲的响应为u1(t)。
他的形状长这样:
这个和导数的定义一致,就是取两个很相近的点,求差再除以宽度。
如果求二阶导,那么可以看成d(2)x(t)/dt2=d(x(t)∗u1(t))/dt=x(t)∗u1(t)∗u1(t),最后一步把x(t)∗u1(t)看成一个整体。因此δ(t)的二阶导u2(t)=u1(t)∗u(1)t。
用数学方法,研究这个函数的性质。另x(t)=1为常信号,那么输出为0,说明u1(t)的面积为0。
再次运用g(−t)的技巧,可以得到g′(0)=−∫−∞∞g(τ)u1(τ)dτ
单位脉冲的积分
- 一重积分:对于y(t)=∫−∞tx(τ)dτ,可得y(t)=x(t)∗u(t),说明对单位脉冲的积分响应是阶跃函数。
- 二重积分:u−2(t)=u(t)∗u(t)=tu(t) 和relu很像。
- k重积分:u−k(t)=(k−1)!tk−1u(t)
统一视角
如果令u(t)=u−1(t),δ(t)=u0(t),而求导运算角标+1,积分运算角标-1,那可以统一前面的讨论。并且,uk(t)∗ul(t)=uk+1(t)