手把手教你使用LabVIEW实现Mask R-CNN图像实例分割

519 阅读5分钟

前言

前面给大家介绍了使用LabVIEW工具包实现图像分类,目标检测,今天我们来看一下如何使用LabVIEW实现Mask R-CNN图像实例分割。


一、什么是图像实例分割?

图像实例分割(Instance Segmentation)是在语义检测(Semantic Segmentation)的基础上进一步细化,分离对象的前景与背景,实现像素级别的对象分离。并且图像的语义分割与图像的实例分割是两个不同的概念,语义分割仅仅会区别分割出不同类别的物体,而实例分割则会进一步的分割出同一个类中的不同实例的物体。

计算机视觉中常见的一些任务(分类,检测,语义分割,实例分割)

在这里插入图片描述

二、什么是Mask R-CNN

在这里插入图片描述

Mask R-CNN是一个实例分割(Instance segmentation)算法,可以用来做“目标检测”、“目标实例分割”、“目标关键点检测”。 Mask R-CNN算法步骤:

  • 首先,输入一幅你想处理的图片,然后进行对应的预处理操作,或者预处理后的图片;
  • 将其输入到一个预训练好的神经网络中(ResNeXt等)获得对应的feature map;
  • 对这个feature map中的每一点设定预定的ROI,从而获得多个候选ROI;
  • 将这些候选的ROI送入RPN网络进行二值分类(前景或背景)和BB回归,过滤掉一部分候选的ROI
  • 接着,对这些剩下的ROI进行ROIAlign操作(即先将原图和feature map的pixel对应起来,然后
  • feature map和固定的feature对应起来);
  • 最后,对这些ROI进行分类(N类别分类)、BB回归和MASK生成(在每一个ROI里面进行FCN操作)

三、LabVIEW调用Mask R-CNN图像实例分割模型

1、Mask R-CNN模型获取及转换

  • 安装pytorch和torchvision
  • 获取torchvision中的模型(我们获取预训练好的模型):
model = models.detection.maskrcnn_resnet50_fpn(pretrained=True) 
  • 转onnx
def get_pytorch_onnx_model(original_model):
    model=original_model
    # define the directory for further converted model save
    onnx_model_path = dirname
    
    # define the name of further converted model
    onnx_model_name = "maskrcnn_resnet50.onnx"
​
    # create directory for further converted model
    os.makedirs(onnx_model_path, exist_ok=True)
​
    # get full path to the converted model
    full_model_path = os.path.join(onnx_model_path, onnx_model_name)
    model.eval()
​
    x = torch.rand(1, 3, 640, 640)
    # model export into ONNX format
    torch.onnx.export(
        original_model,
        x,
        full_model_path,
        input_names=["input"],
        output_names=["boxes", "labels", "scores", "masks"],
        dynamic_axes={"input": [0, 1, 2, 3],"boxes": [0, 1],"labels": [0],"scores": [0],"masks": [0, 1, 2, 3]},
        verbose=True,opset_version=11
    )
​
    return full_model_path

完整获取及模型转换python代码如下:

import os
import torch
import torch.onnx
from torch.autograd import Variable
from torchvision import models
​
dirname, filename = os.path.split(os.path.abspath(__file__))
print(dirname)
​
def get_pytorch_onnx_model(original_model):
    model=original_model
    # define the directory for further converted model save
    onnx_model_path = dirname
    
    # define the name of further converted model
    onnx_model_name = "maskrcnn_resnet50.onnx"
​
    # create directory for further converted model
    os.makedirs(onnx_model_path, exist_ok=True)
​
    # get full path to the converted model
    full_model_path = os.path.join(onnx_model_path, onnx_model_name)
    model.eval()
​
    x = torch.rand(1, 3, 640, 640)
    # model export into ONNX format
    torch.onnx.export(
        original_model,
        x,
        full_model_path,
        input_names=["input"],
        output_names=["boxes", "labels", "scores", "masks"],
        dynamic_axes={"input": [0, 1, 2, 3],"boxes": [0, 1],"labels": [0],"scores": [0],"masks": [0, 1, 2, 3]},
        verbose=True,opset_version=11
    )
​
    return full_model_path
​
​
model = models.detection.maskrcnn_resnet50_fpn(pretrained=True)
print(get_pytorch_onnx_model(model))

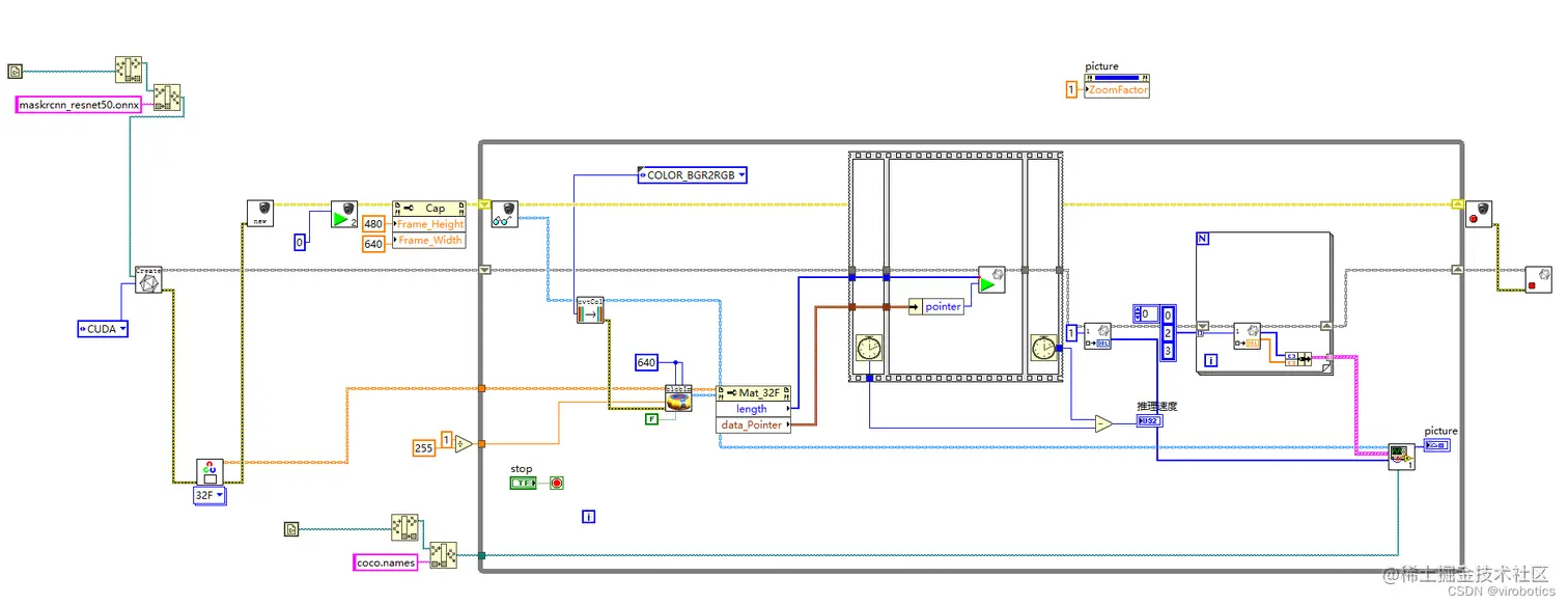
2、LabVIEW调用 Mask R-CNN (mask rcnn.vi)

注意:Mask R-CNN模型是没办法使用OpenCV dnn去加载的,因为有些算子不支持,所以我们主要使用LabVIEW开放神经网络交互工具包(ONNX)来加载推理模型。

  • onnxruntime调用onnx模型并选择加速方式 在这里插入图片描述
  • 图像预处理 在这里插入图片描述
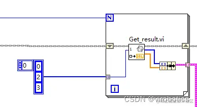
  • 执行推理 我们使用的模型是:maskrcnn_resnet50_fpn,其输出有四层,分别为boxes,labels,scores,masks,数据类型如下: 在这里插入图片描述 可以看到,labels的类型为INT64,所以我们的源码中需要“Get_Rresult_int64.vi,index为1,因为labels为第二层,即下标为1; 在这里插入图片描述 另外三个输出我们都可以使用float32来获取了,masks虽然数据类型是uint8,但在实操过程中发现,它其实做过归一化处理了,也可以使用float32. 在这里插入图片描述
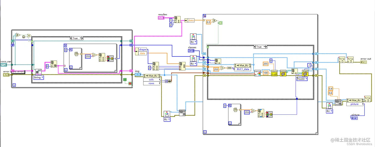
  • 后处理并实现实例分割 因为后处理内容较多,所以直接封装为了一个子VI, mask_rcnn_post_process.vi,源码如下:在这里插入图片描述 整体的程序框架如下:在这里插入图片描述 实例分割结果如下,我们会发现这个模型跑起来,他花的时间比之前就更长了。因为他不但要获取每一个对象的区域,还要也要把这个区域的轮廓给框出来,我们可以看到五个人及篮球都框出来了,使用不同的颜色分割出来了。 在这里插入图片描述

3、LabVIEW调用 Mask R-CNN 实现实时图像分割(mask rcnn_camera.vi)

整体思想和上面检测图片的实力分割差不多,不过使用了摄像头,并加了一个循环,对每一帧对象进行实力分割,3080系列显卡可选择TensorRT加速推理,分割会更加流畅。我们发现这个模型其实很考验检测数量的,所以如果你只是对人进行分割,那可以选择一个干净一些的背景,整体检测速度就会快很多。 在这里插入图片描述 在这里插入图片描述

四、Mask-RCNN训练自己的数据集(检测行人)

1.准备工作

  • 训练需要jupyterlab环境,没有安装的同学需要通过pip install jupyterlab 安装
  • 如果无法解决jupyterlab环境 可以使用colab或者kaggle提供的免费gpu环境进行训练
  • 训练源码:mask-rcnn.ipynb

2.开始训练

  • 根据提示运行这段代码,自动或手动下载依赖文件数据集并建立数据集解析类 在这里插入图片描述
  • 定义单轮训练的函数:网络结构直接采用torchvison里现有的,不再重新定义 在这里插入图片描述
  • 出现如下输出表示训练进行中 在这里插入图片描述
  • 修改这个文件名,改成自己的图片名字,运行看下训练效果 在这里插入图片描述

3、训练效果

在这里插入图片描述

4、导出ONNX

在这里插入图片描述


总结

以上就是今天要给大家分享的内容。大家可关注微信公众号: VIRobotics,回复关键字:Mask R-CNN图像实例分割源码  获取本次分享内容的完整项目源码及模型。

如果有问题可以在评论区里讨论,提问前请先点赞支持一下博主哦,如您想要探讨更多关于LabVIEW与人工智能技术,欢迎加入我们的技术交流群:705637299,进群请备注暗号:LabVIEW 机器学习。

如果文章对你有帮助,欢迎关注、点赞、收藏