[Arduino]基础练习一、用按钮控制LED

654 阅读1分钟

用按钮控制LED的点亮和熄灭

基础练习

按下按钮,LED点亮,松开按钮LED熄灭

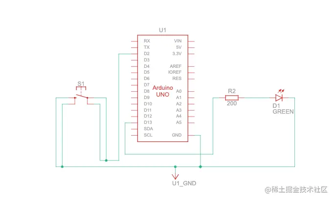
接线图

image.png

电路图

image.png

练习代码

// 设置各引脚别名
const int buttonPin = 2;
const int ledPin = 13;

int buttonState = 0;

void setup()
{
  // 初始化LED引脚为输出
  pinMode(ledPin, OUTPUT);
  // 初始化按键引脚为输入
  pinMode(buttonPin, INPUT);
}

void loop()
{
  // 读取引脚状态
  buttonState = digitalRead(buttonPin);
  // 判断引脚是否被按下
  if (buttonState == HIGH)
  {
    /* 点亮LED */
    digitalWrite(ledPin, HIGH);
  }
  else
  {
    //熄灭
    digitalWrite(ledPin, LOW);
  }
}

扩展练习

按下按钮后,LED点亮,再次按下按钮LED熄灭

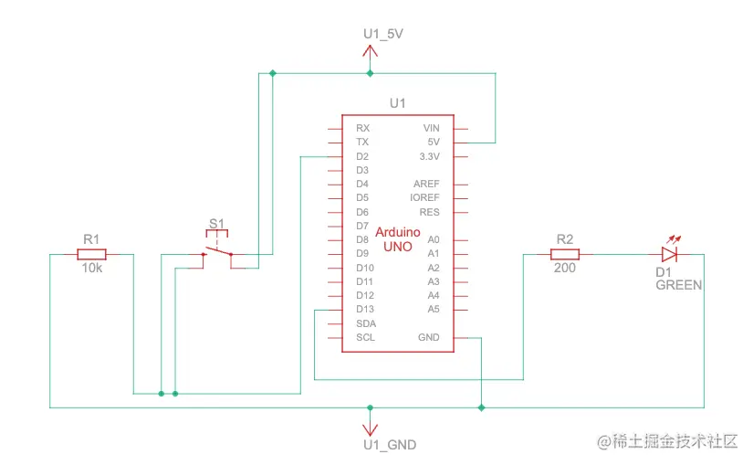
接线图

image.png

电路图

image.png

需要的配件

image.png

代码

// 设置各引脚别名
const int buttonPin = 2;
const int ledPin = 13;

// led 状态
boolean ledState = false;

void setup()
{
  // 初始化LED引脚为输出
  pinMode(ledPin, OUTPUT);
  //将引脚2设置为输入上拉模式
  //引脚2与外部按钮连接
  pinMode(buttonPin, INPUT_PULLUP);
}

void loop()
{
  while (digitalRead(buttonPin) == HIGH)
  {
  }
  /* 如果当前LED未打开状态 */
  if (ledState == true)
  {
    /* 则关闭LED */
    digitalWrite(ledPin, LOW);
  }
  else
  {
    /* 否则打开LED */
    digitalWrite(ledPin, HIGH);
  }
  // led 状态取反
  ledState = !ledState;
  delay(500);
}