有源滤波电路设计

945 阅读4分钟

@TOC

一、低通滤波器

1、同相输入低通滤波器

(1)一阶低通滤波电路

即在一阶无源低通滤波器的基础上,加了一个集成运放。 在这里插入图片描述 它的截止频率计算公式为: 在这里插入图片描述

电路放大倍数为: 在这里插入图片描述

(2)二阶低通滤波电路(压控电压源;Sallen-Key)

压控电压源低通滤波电路 又叫 ==萨伦--基(Sallen-Key)==低通滤波电路。(可以理解为将二阶无源低通滤波电路中的第一个电容,通过正反馈的形式连接) 在这里插入图片描述 它的截止频率为: 在这里插入图片描述 :公式中的符号和上面电路图一 一对应,写两个相同的R,只是想说明两个R可以不一样。

电路放大倍数为: 在这里插入图片描述

2、反相输入低通滤波器

(1)一阶低通滤波电路

在这里插入图片描述 它的通带截止频率为: 在这里插入图片描述

实际的电路放大倍数为: 在这里插入图片描述 :应为为低通滤波电路,通带频率比较低,所以电容的阻值Rc比较大,导致Rc // R2 ≈ R2。所以最后放大倍数一般用用此公式计算: 在这里插入图片描述

(2)二阶低通滤波电路(无限增益多路反馈)

在这里插入图片描述 它的通带截止频率为: 在这里插入图片描述

此电路的放大倍数为: 在这里插入图片描述

二、高通滤波器

1、同相输入高通滤波器

(1)一阶高通滤波电路

在一阶无源高通滤波器的基础上,连接一个集成运放即可。(即将下面的二阶高通去点最左边的电容C和反馈电阻R,剩下的就是一阶高通滤波电路) 同样的通带截止频率为:1/( 2ΠRC)。 放大倍数为:1+Rf / R1

(2)二阶高通滤波电路(压控电压源;Sallen-Key)

压控电压源(sallen-key)二阶高通滤波电路: 在这里插入图片描述 它的通带截止频率为: 在这里插入图片描述 :电路中两个R可以不相等,两个电容值也可以不相等。此时通带截止频率为: 在这里插入图片描述

电路的放大倍数为: 在这里插入图片描述

2、反相输入高通滤波电路

(1)二阶高通滤波电路(无限增益多路反馈)

在这里插入图片描述 它的通带截止频率为: 在这里插入图片描述 此电路的放大倍数为: 在这里插入图片描述 其实就是两个电容阻值的比值,最后化简后就是上面的式子。

三、带通滤波器

1、同相输入带通滤波器

(1)二阶带通滤波电路(压控电压源;Sallen-Key)

有点像在二阶无源带通滤波器的基础上(左边R1和C构成低通滤波,C和R2构成高通滤波),加了一个反馈电阻R3。 在这里插入图片描述 它的通带中心频率为: 在这里插入图片描述(==这只是个人实践算出的,可能存在问题==)

:中心频率就是两边截止频率f1、f2的几何平均值。 在这里插入图片描述

在这里插入图片描述 其中品质因素Q,可以用来衡量滤波器的选择性,高Q值表示选择性很高的滤波器。通带宽度B越窄,品质因素Q就越高,能通过的频率也就越确定。(一般Q值应限制在10以内,电路工作情况好)

此电路的放大倍数为(公式中符号参考上面电路图): 在这里插入图片描述

2、反向输入带通滤波器

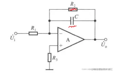
(1)二阶带通滤波电路(无限增益多路反馈)

在这里插入图片描述 :==为了将直流失调减到最小,在集成运放的同相输入端和地之间接一个等于R3的电阻==。

它的通带中心频率为: 在这里插入图片描述(==这只是个人实践算出的,可能存在问题==)

此电路的放大倍数为: 在这里插入图片描述

四、 带阻滤波器

(略)

五、查表法设计滤波器

在这里插入图片描述 滤波电路中,电容的选择可以根据电路信号频率,参考上面的取值。

==查表工具书超链接==:有源滤波器的快速使用设计

根据工具用书,举例说明。题目:设计一个中心频率为1000Hz,电路放大倍数(增益)为10倍。的选频滤波器(也算是带通滤波器,只是通带宽度特别窄而已)。

步骤: (1)、确定通用电路形式。(此处选用无限增益多路反馈带通滤波器的电路图) 在这里插入图片描述

(2)、根据公式计算K值。(C'的值就是电路中电容C的值,==以uF为单位==,取值可以参考上面那个图片——电容取值表) 在这里插入图片描述 根据电容取值表,我们选择电容C=0.01uF,计算得到K=10。

(3)选择一个品质因素Q=中心频率/通带宽度(这里设计的是选频滤波器,要求通带宽度要特别窄,所以选择品质因素Q=10,即通带宽度设置为100Hz,一般要求Q≤10),在书中进行查表,获取电阻R1、R2、R3的值。 在这里插入图片描述

注意:获取到的电阻值,是在K=1的情况下的,实际电阻值还要乘以K。

(4)、根据K值和查表得到的K=1时的电阻值。计算最终的电阻值。

R1=1.592  x 10=15.2K
R2=0.084  x 10=0.84K
R3=31.831 x 10=318.31K

(5)最后在multisim中仿真可知,符合题目设计要求: 在这里插入图片描述