本文已参与「新人创作礼」活动,一起开启掘金创作之路。
读《编码-隐匿在计算机软硬件背后的语言》一书有感。 该书从日常生活沟通场景着手,谈到编码,然后由编码讲解了莫斯编码、布莱叶盲文的历史背景和原理,剖析了编码背后的含义,阐述了编码的重要性,进一步讲到了电报机,从电报机讲到继电器,然后由继电器讲到逻辑门,从逻辑门讲到加法器,从加法器讲到存储、总线、芯片、微处理器、计算机总线、操作系统等等,内容广泛而不失深度,从历史背景一步步讲到原理,一气呵成的感觉。 非常推荐这本书。
在高中,我们学到了电的一个重要特性即电的磁效应。 在一根铁棒上面缠绕足够多的导线,然后将导线连接在电池的正负两极,此时铁棒就会有磁性。 如下图
利用电的磁效应,我们可以做出继电器,一种将信号放大的装置。 如下图
在长距离的电报通信过程中,电流会随着路程的增大而衰减。此时就可以在中间布设一个或多个继电器将电信号传递下去(将一个微弱的电流信号变成一个更强的电信号)。
同时,利用继电器闭合或断开电路的特性。 我们也可以做出各种各样的逻辑电路(当然这其中有逻辑学的发展历程,可以阅读《编码》一书详细了解)。
在逻辑学中有以下几种逻辑条件及其结果,即
与门,一假及假,其真值表如下:
| AND | 0 | 1 |
|---|---|---|
| 0 | 0 | 0 |
| 1 | 0 | 1 |
或门,一真即真,其真值表如下:
| OR | 0 | 1 |
|---|---|---|
| 0 | 0 | 1 |
| 1 | 1 | 1 |
非门就比较简单了,输入0时为1 ,输入为1时为0,即取反。
与或非也就是高中所学的知识,但是当时没有与计算机联系起来。但其实就是这几种逻辑门极大的促进了计算机的发展。
制作一个全加器,从简单的情况入手。先只考虑一位二进制数的加法,两个二进制数分别取0和1时总共有四种情况,不同取值及对应的和如下表,A、B分别代表两个一位的二进制数:
| A | B | SUM |
|---|---|---|
| 0 | 0 | 0 |
| 0 | 1 | 1 |
| 1 | 0 | 1 |
| 1 | 1 | 10 |
可以看到表格中最后一个单元格数是10 (二进制表示),因为1+1=2导致二进制发生了进位。将进位信息添加到表格最后一列后,然后尝试从表格数据中寻找使用逻辑门电路的替换方法。
| A | B | SUM | CARRY |
|---|---|---|---|
| 0 | 0 | 0 | 0 |
| 0 | 1 | 1 | 0 |
| 1 | 0 | 1 | 0 |
| 1 | 1 | 0 | 1 |
从上述表格可以看到,每一行的进位信息和与门的真值表是一致的,故我们可以采用与门来表示进位信息。 但是通过比较发现,和的当前位的值无法直接使用上面的逻辑门电路来表示。 如何处理呢?
仔细分析表格中SUM列的数据,可以发现,SUM只有在A和B不同的时候才为1,这种情况可以使用异或门来模拟。(此处是了解了异或门之后才会知晓,书中是通过将与门与或门尝试组合得到的规律)
我们将与门和或门及其对应的非门每种取值情况列出,方便我们从中找到规律。
| A | B | AND | OR | NAND(与非) | NOR(或非) |
|---|---|---|---|---|---|
| 0 | 0 | 0 | 0 | 1 | 1 |
| 0 | 1 | 0 | 1 | 1 | 0 |
| 1 | 0 | 0 | 1 | 1 | 0 |
| 1 | 1 | 1 | 1 | 0 | 0 |
将AND、OR、NAND、NOR这几列尝试进行与或非的计算,发现将OR和NAND进行与计算,则可以达到想到的逻辑值,即两个值不同时,结果为1,相同时为0. (这种门也成为异或门,即两个值相异结果才为1,否则为0)
为了绘制这个加法器,先罗列一下各种逻辑门的绘图表示方式
与门的符号图如下:
或门的符号图如下:
非门的符号图如下:
根据上面找到的规律,可以使用异或门来表示和的信息,使用与门来表示进位的信息。
绘制出电路符号图如下:
表示和的逻辑电路图
如上电路图的专有表示符号如下,后面用这种逻辑符号代替上面的异或电路图。
xor电路图符号
但是该加法器只能处理没有进位的两个二进制位,如果遇到了有进位信息的加法就无法工作了。所以该加法器也只成为半加器(与之对应的是全加器)。
在改进半加器之前,可以考虑一下,如何处理进位信息。 书中有一句话,让我印象深刻,即每一位上的二进制加法其实是三个数的加法(与原文可能略有出入)。 这三个中就包括了进位了。
这让我联想到了leetcode上一道题。摘录该题如下:
在此处摘录此题,是因为在解答该题时先设置了一个默认的进位为0,然后每个节点计算时都更新这个进位节点。
同时附上python版的解法,代码如下:
def addTwoNumbers(self, l1: ListNode, l2: ListNode) -> ListNode:
delta = 0
dummy = ListNode(-1)
head = dummy
while l1 is not None or l2 is not None:
a = 0 if l1 is None else l1.val
b = 0 if l2 is None else l2.val
// 从这里可以看出其实是三个数的加法
total = a + b + delta
delta = total // 10
tmp = total % 10
n = ListNode(tmp)
head.next = n
head = n
if l1 is not None:
l1 = l1.next
if l2 is not None:
l2 = l2.next
if delta != 0:
head.next = ListNode(delta)
return dummy.next
有了这个思想,我们可以使用三个数相加来实现一个全加器。 既然一个半加器可以处理两个数的相加,那么可不可以将两个半加器连接起来实现一个全加器呢?经过尝试,可以尝试如下方式将两个半加器连接起来,然后通过列出真值表来验证其正确性。
一位的全加器
注意,在上面的电路图中,使用了一个或门来计算总体的进位信息。 可以这样理解,相当于是A和B
先进行计算,然后其结果在和进位计算,这两个计算过程中只可能有一个进位信号产生,故使用或门,只要两个计算中有一个进位产生,那么最终就输出进位信号。
列出A与B相加,带有进位信息的预期值如下表
| A | B | Cin | SUM 理论值 | Cout 理论值 |
|---|---|---|---|---|
| 0 | 0 | 0 | 0 | 0 |
| 0 | 0 | 1 | 1 | 0 |
| 0 | 1 | 0 | 1 | 0 |
| 0 | 1 | 1 | 0 | 1 |
| 1 | 0 | 0 | 1 | 0 |
| 1 | 0 | 1 | 0 | 1 |
| 1 | 1 | 0 | 0 | 1 |
| 1 | 1 | 1 | 1 | 1 |
通过核对真值表发现,该电路完全可以实现两个二进制相加的各种结果。
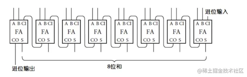
虽然这只能处理一位二进制的全加器,但是如果我们将8个全加器按如下方式连接起来,那么我们就实现了一个8为的全加器。
由于绘制繁琐,于是将上述的全加器进行一个抽象(在计算机领域经常使用抽象来屏蔽一些复杂的实现细节,这样便于学习)。
总体上看,全加器是一个有三个输入,两个输入的逻辑电路,简化如下(复制《编码》一书中的图):
Full Adder
如上的全加器只能完整的处理一位二进制的加法,如果将多个全加器按照一定规则连接起来,那么就可以实现多位二进制的加法了。 如连接8个全加器,实现8位二进制的加法,如下图:
8位全加器
将输入A、B及输出的绘制方式改一下,即将输入A的线路放在一起,输入B的线路放在一起,同理加和的输出也放在一起,绘制后的电路图就如下:
抽象8位加法器
如果将8位输入A在进一步抽象,用一个线条表示8位输出。同理输入B及输出S,可以得到下列抽象的8位全加器表示图,如下:
8位全加器抽象表示图
至此,我们得到了在各种书籍上看到的8位全加器表示图了。 有了上面的理解后,以后在看到这样的全加器表示图就不会在陌生了并且疑惑了。它们的背后是简单的逻辑电路的各种组合,通过这种简单的组合达到我们的目的。