实验七 集成功率放大电路

424 阅读3分钟

本文已参与「新人创作礼」活动,一起开启掘金创作之路。

目录

一、实验目的

1.熟悉集成功率放大电路的特点。
2.掌握集成功率放大电路的主要性能指标及测量方法。

二、实验仪器及材料

1.示波器
2.信号发生器
3.万用表

三、预习要求

1.复习集成功率放大电路工作原理,对照图12.2分析电路工作原理。
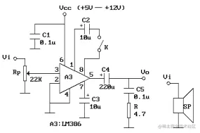
2.在图12.1电路中,若VCC=12V,RL=8Ω,估算该电路的Pcm、PV值。
3.阅读实验内容,准备记录表格。

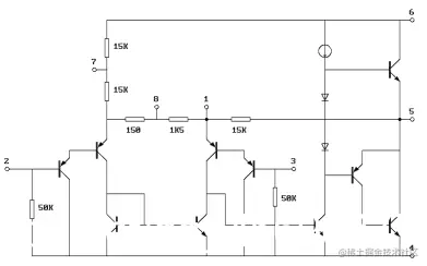
集成功率放大器是一种音频集成功放,具有自身功耗低、电压增益可调整、电压电源范围大、外接元件少和总谐波失真少的优点。分析其内部电路,可得到一般集成功放的结构特点。LM386是一个三级放大电路,第一级为直流差动放大电路,它可以减少温飘、加大共模抑制比的特点,由于不存在大电容,所以具有良好低频特性可以放大各类非正弦信号也便于集成。它以两路复合管作为放大管增大放大倍数,以两个三极管组成镜象电路源作差分发大电路的有源负载,使这个双端输入单端输出差分放大电路的放大倍数接近双端输出的放大倍数。第二级为共射放大电路,以恒流源为负载,增大放大倍数减小输出电阻。第三级为双向跟随的准互补放大电路,可以减小输出电阻,使输出信号峰峰值尽量大(接近于电源电压),两个二极管给电路提供合适的偏置电压,可消除交越失真。可用瞬间极性法判断出,引脚2为反相输入端,引脚3位同相输入端,电路是单电源供电,故为OTL(无输出变压器的功放电路),所以输出端应接大电容隔直再带负载。引脚5到引脚1的15KΩ电阻形成反馈通路,与引脚8引脚1之间的1.35KΩ和引脚8三极管发射极间的150Ω电阻形成深度电压串联负反馈。此时:在这里插入图片描述
,理论分析当引脚1引脚8之间开路时,有:在这里插入图片描述
,当当引脚1引脚8之间外部串联一个大电容和一个电阻R时,在这里插入图片描述
,因此当R=0时,在这里插入图片描述

四、实验内容

1.按图12.1电路在实验板上插装电路。不加信号时测静态工作电流。
在这里插入图片描述

				12.1

2.在输入端接1KHz信号,用示波器观察输出波形、逐渐增加输入电压幅度,直至出现失真为止,记录此时输入电压,输出电压幅值,并记录波形。

在这里插入图片描述

				图12.2  LM386内部电路

上图引脚1和引脚8之间电阻值错误,应为1.35KΩ,而不是1.5KΩ。
3.去掉10μ电容,重复上述实验。
4.改变电源电压(选5V、9V两档)重复上述实验。
实验电路图12.1中,开关与C2控制增益,C3为旁路电容,C1为去耦电容滤掉电源的高频交流部分,C4为输出隔直电容,C5与R串联构成校正网络来进行相位补偿。当负载为在这里插入图片描述
时,在这里插入图片描述,当输出信号峰峰值接近电源电压时,有在这里插入图片描述在这里插入图片描述

在这里插入图片描述

以上输入输出值均为峰值(峰峰值的一半)。IQ电流将万用表直流电流档位串到VCC和6管脚。

五、实验报告

1.根据实验测量值、计算各种情况下Pom、PV及η。
2.作出电源电压与输出电压、输出功率的关系曲线。

六,仿真图:

在这里插入图片描述