ZYNQ 设备树及驱动开发-GPIO综合

854 阅读1分钟

1 硬件电路原理图

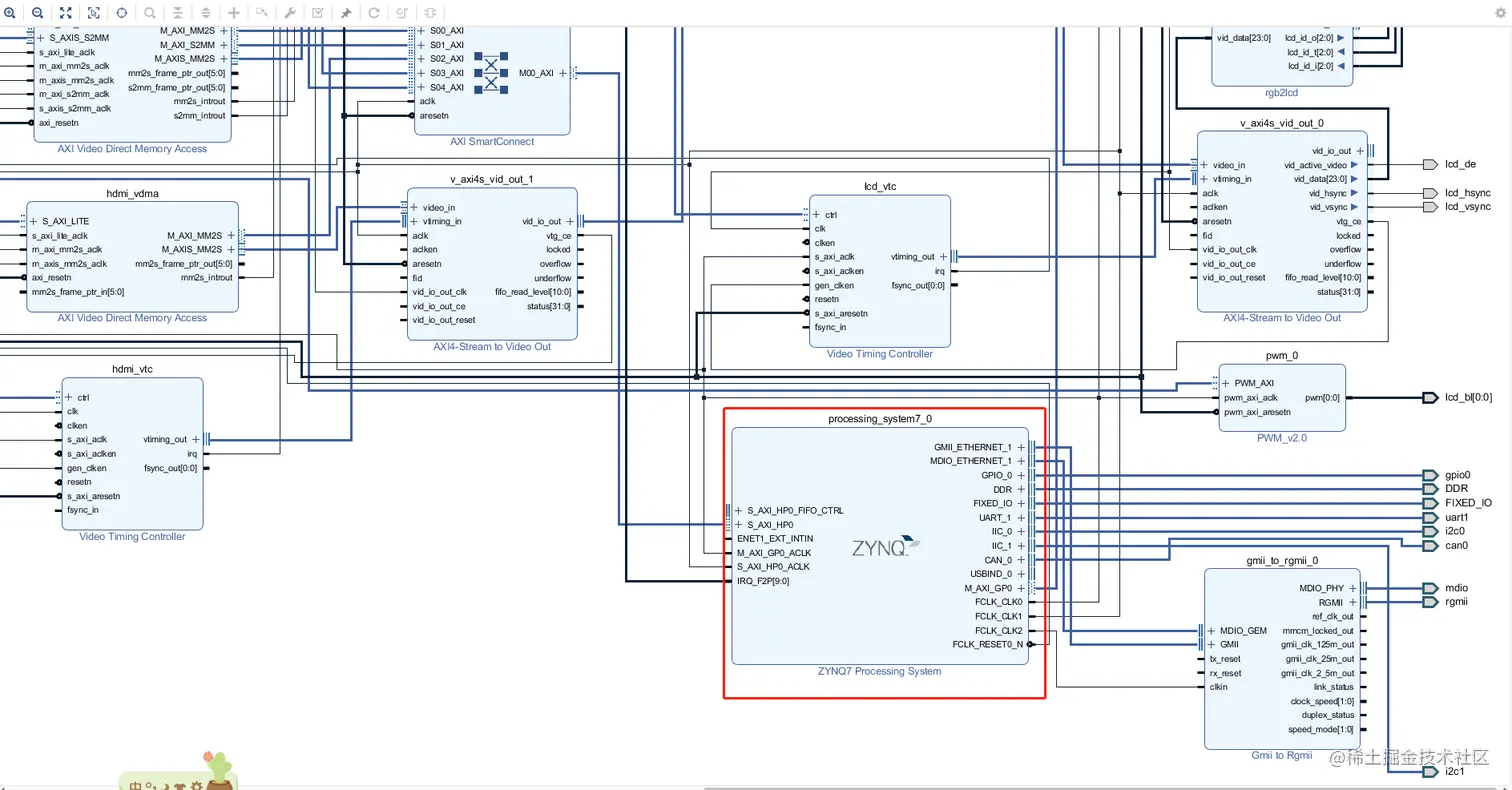
1.1 ZYNQ综合设计

image.png

1.2 GPIO综合

image.png

1.3 PL引脚说明

image.png image.png

1.4 PS引脚说明

image.png image.png

2 ZYNQ FPGA综合硬件电路设计(引脚约束)

image.png image.png image.png image.png image.png

3 设备树开发

3.1 Linux自带的LED驱动

image.png image.png image.png

3.2 EMIO引脚号计算方法

image.png

  • 由上面可以知道,M14 连接到了 EMIO 的第 7 个引脚 emio[6],由于 EMIO 对应的 GPIO起始编号是从 54 开始的,所以由此可知emio[6]对应的就是 GPIO 60(54 + 6) image.png