信息安全之消息认证

581 阅读4分钟

信息安全之消息认证

概 念

认证(Authentication):即鉴别、确认,它是证实某事是否名副其实,或是否有效的一个过程。

认证与加密的区别:

  • 加密用以确保数据的保密性,阻止对手的被动攻击,如截取、窃听。
  • 认证用以确保报文发送者和接受者的真实性以及原文的完整性,阻止对手的主动攻击,如冒充、篡改、重播等。

认证往往是应用系统中安全保护的第一道防线,极为重要(确保用户的合法性)。

MAC函数与加密函数的区别

  • MAC函数与加密函数类似,都需要明文、密钥和算法的参与。
  • 但MAC算法不要求可逆性,而加密算法必须是可逆的。
  • 例如:使用100比特的消息和10比特的MAC,那么总共有2100个不同的消息,但仅有210个不同的MAC。也就是说,平均每2^90个消息使用的MAC是相同的。
  • 因此,认证函数比加密函数更不易被攻破,因为即便攻破也无法验证其正确性。关键就在于加密函数是一对一的,而认证函数是多对一的。

MD5的算法框图

输入消息可任意长,压缩后输出为128bits。
在这里插入图片描述

算法步骤(1)-分组填充

在这里插入图片描述

  • 如果消息长度大于264,则取其对264的模。
  • 执行完后,消息的长度为512的倍数(设为L倍),则可将消息表示为分组长为512的一系列分组Y0,Y1,…,YL-1,而每一分组又可表示为16个32比特长的字,这样消息中的总字数为N=L×16,因此消息又可按字表示为M[0,…,N-1]。

算法步骤(2)-缓冲区初始化

hash函数的中间结果和最终结果保存于128位的缓冲区中,缓冲区用32位的寄存器表示。可用4个32bits字表示:A, B, C, D。初始存数以十六进制表示为

A=01234567
B=89ABCDEF
C=FEDCBA98
D=76543210
在这里插入图片描述

算法步骤(3) -HMD5运算

  • 以分组为单位对消息进行处理每一分组Yq(q=0,…,L-1)都经一压缩函数HMD5处理。HMD5是算法的核心,其中又有4轮处理过程。
  • HMD5的4轮处理过程结构一样,但所用的逻辑函数不同,分别表示为F、G、H、I。每轮的输入为当前处理的消息分组Yq和缓冲区的当前值A、B、C、D,输出仍放在缓冲区中以产生新的A、B、C、D。
  • 每轮又要进行16步迭代运算,4轮共需64步完成。
  • 第四轮的输出与第一轮的输入相加得到最后的输出。
    在这里插入图片描述
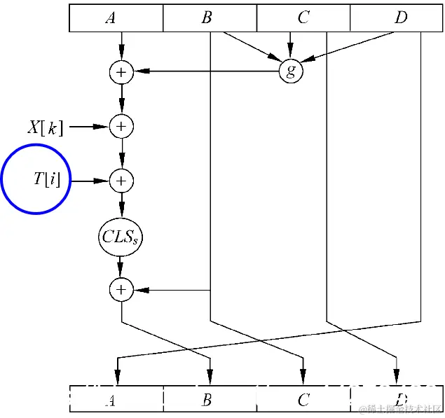
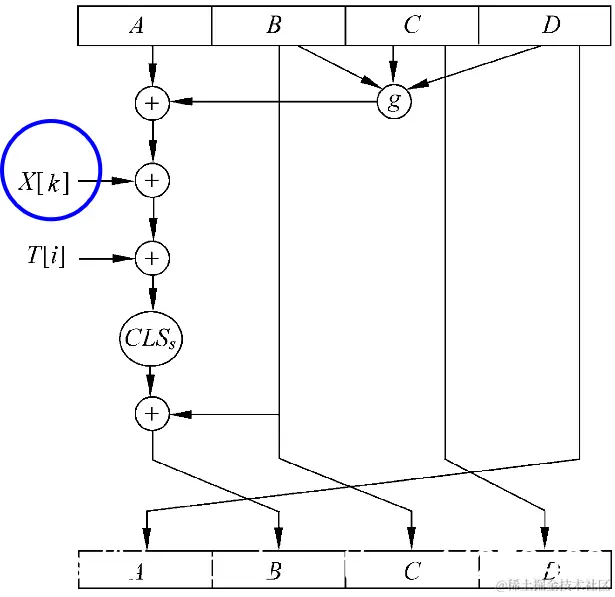
    压缩函数中的一步迭代
    在这里插入图片描述

基本逻辑函数定义
在这里插入图片描述
压缩函数中的一步迭代
在这里插入图片描述

X[k]当前分组的第k个32位的字。
在这里插入图片描述
压缩函数中的一步迭代
在这里插入图片描述

T[i]

T[1,…,64]为64个元素表,分四组参与不同轮的计算。T[i] = 232×abs(Sin(i))的整数部分,i是弧度。T[i]可用32 bit二元数表示,其目的就是参与计算消除输入数据的规律性。
在这里插入图片描述
压缩函数中的一步迭代
在这里插入图片描述

CLSs :循环左移s位

第一轮:7、12、17、22
第二轮:5、 9、14、20
第三轮:4、11、16、23
第四轮:6、10、15、21

算法描述

消息填充:与MD5完全相同
附加消息长度:64bit长度
缓冲区初始化
A=67452301
B=EFCDAB89
C=98BADCFB
D=10325476
E=C3D2E1F0

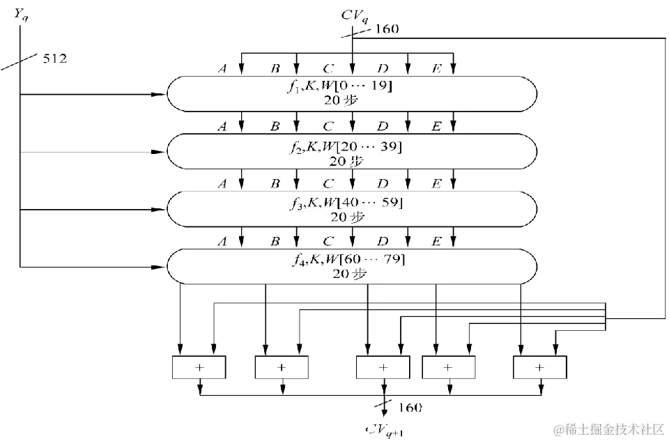
分组处理

在这里插入图片描述

SHA-1压缩函数(单步)

在这里插入图片描述

ft ----基本逻辑函数

在这里插入图片描述
SHA-1压缩函数(单步)
在这里插入图片描述

Wt —从当前512位输入分组导出的32位字

在这里插入图片描述
前16个值(即W0,W1,…,W15)直接取为输入分组的16个相应的字,其余值(即W16,W17,…,W79)取为
在这里插入图片描述

Kt —加法常量

在这里插入图片描述