智能小车实践教程

651 阅读24分钟

前言

先前做了一个外包app关于google的blockly二次开发,文见Android 基于Android blockly和蓝牙通信的机器人编程APP,于是乎对于硬件方面也产生了一些兴趣,自己实现了软件,但是硬件还不太懂,于是乎开始学习研究一下硬件方面的知识,也打算自己做一个智能小车。

如果你也是个软件开发者,也希望自己多少能懂一点硬件知识,软硬兼修的话,可以跟着我一起也来制作一个智能小车。期间会遇到很多硬件相关的术语或者专有名词,优秀的你,肯定会不懂就查不懂就学的,这是最重要的过程。

先上图

有点丑 线太多了 有条件的可以绑起来

底面

斜面

侧面

需要实现的功能

1、蓝牙控制小车的行进 2、小车的速度可调 3、超声波避障 4、循迹

准备硬件材料

我这里花了点时间把之前的采购清单整理了一下,我当时找了很多家店,那家的比较便宜,分享给大家,不是打广告,只是为了让大家省点钱。(当时前后购买了好几次,运费给了不少,这里大家可以一次性买清)

1、红外循迹传感器 4个 [item.taobao.com/item.htm?sp…] 2、BLE蓝牙hc-08(带引脚)[item.taobao.com/item.htm?sp…] 3、arduino uno [item.taobao.com/item.htm?sp…] 4、智能小车底盘及其轮子 [item.taobao.com/item.htm?sp…] 5、L298n电机驱动模块[item.taobao.com/item.htm?sp…] 6、超声波测距模块[item.taobao.com/item.htm?sp…] 7、杜邦线 10cm 20cm 30cm 和 母对母 母对公 公对公 每样一排40根 [item.taobao.com/item.htm?sp…] 8、18950电池盒[item.taobao.com/item.htm?sp…] 9、铜柱 各类长短 带头的 不带头的 都来个10根吧[item.taobao.com/item.htm?sp…] 10、螺丝 螺帽 若干 多数是3mm的 其他的也可以买点 15根+吧[item.taobao.com/item.htm?sp…] 11、螺丝刀[item.taobao.com/item.htm?sp…] 12、mini面包板[item.taobao.com/item.htm?sp…] 13、黑色电工胶带[item.taobao.com/item.htm?sp…] 14、sg90舵机[item.taobao.com/item.htm?sp…] 15、hr-sr04超声波模块支架[item.taobao.com/item.htm?sp…] 16、小电钻(可选)[item.taobao.com/item.htm?sp…] 17、充电电池18650 3.7v 2只(我这里是神火,较贵,可买其他的 注意:3.7v的 普通超市是没有的,不是一般的7号或者5号电池 )[item.jd.com/5171888.htm…] 18、充电器[item.jd.com/4284307.htm…]

组装小车

成型图:(多图预警!!!)

介绍图

1、首先按照小车的说明书把小车的马达和轮子都依次装上去,如图

2、然后把买来的杜邦线,可以直接拔掉接头,露出线
使用杜邦线 如图和马达连接
3、然后接线,左边两排的马达会有连接,右边两排的马达会有连接。注意,这里我们先按照如图所示的方法接线。
马达上面的接口线和另一个马达下面的接口线 接在一起
如图
4、第一层底盘底部装上3个循迹用的红外传感器,依次排列,9根线
现在装,是因为,如果后面盖上了上层底盘,就不太好装了
装上之后,第一层底盘的东西就装的差不多了 如图

5、第二层底盘上部,装上电池盒

现在装,是因为,如果后面盖上了上层底盘,就不太好装了

6、第二层底盘上部,装上舵机。这里使用到了,舵机支架和舵机,有点不太好装,耐心一点

现在装,是因为,如果后面盖上了上层底盘,就不太好装了

7、把两层底盘合并起来,OK,大功告成!!!!鼓掌👏 最终如图

这下小车就算拼装好了

ps: 这样一次性装好,可以避免多次的拆装底盘(我就是拆了好多次,好费神)

小车启动

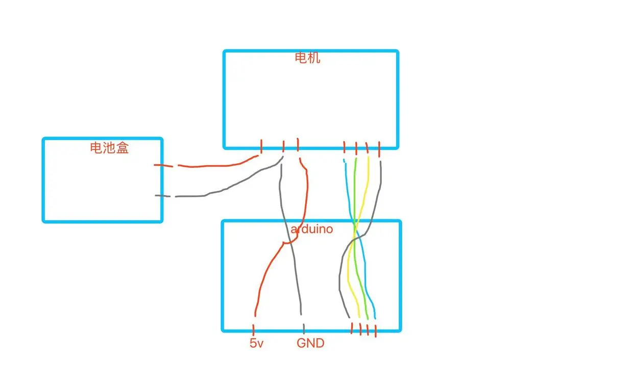
小车装好了,激动了一会儿,但是还不能动,现在就要让它能跑起来 跑起来的话,我们需要使用:电机驱动、电池、arduino的板子

先简单介绍一下电机驱动:

电机驱动

  • 电机1接口 out1 out2 和 电机2接口out3 out4用于和马达的交互,原理就是,给马达的高低电平的不同,使得马达往前转动还是往后转动
  • 供电正极:可接受5-12v的电压,和电池盒接在一起,两个3.7v的电池7.4伏,够用
  • 地线:和电池盒的地线、arduino的地线连在一起
  • 5v:连接arduino的电源线
  • ENA、ENB:调速用的,默认情况下,有个盖子,盖起来的,相当于直接连接,满压5v就代表全速。后面会接arduino的pwm接口,来调速 -In1~4: 接在arduino上

接入如图:

1、把马达对应的 4个线接入到电机的out1 out2 out3 out4口, 注意对照一下前面接线的颜色,顺序暂时可是弄成跟我的一样(因为后面arduino的代码里面要一致)

2、连接电池盒与电机(一般我们认为 红色是电源、黑色为地线),连接arduino与电机

3、连接电机的in1-4口和arduino的19、18、17、16(有人问是哪里,A0~A5其实分别对应的是14-19)

示意图:

连接好,装上电池,接下来解释,写arduino的程序了

1、去官网下载编译器

长这样,我是mac的,不过操作方法都差不多

2、通过电源接口连接到电脑

选择这个uno
连接成功之后就有自己板子的信息了,如果没有的话,去网上查一下,下载对应操作系统的arduino的驱动就好

3、代码 这里我们就简单的让小车 循环前后左右动。

#include <Servo.h>
//定义五中运动状态
#define STOP      0
#define FORWARD   1
#define BACKWARD  2
#define TURNLEFT  3
#define TURNRIGHT 4
//定义需要用到的引脚
int leftMotor1 = 16;
int leftMotor2 = 17;
int rightMotor1 = 18;
int rightMotor2 = 19;

void setup() {
  // put your setup code here, to run once:
  //设置控制电机的引脚为输出状态
  pinMode(leftMotor1, OUTPUT);
  pinMode(leftMotor2, OUTPUT);
  pinMode(rightMotor1, OUTPUT);
  pinMode(rightMotor2, OUTPUT);
}

void loop() {
  // put your main code here, to run repeatedly:
  int cmd;
  for(cmd=0;cmd<5;cmd++)//依次执行向前、向后、向左、想有、停止四个运动状态
  {
    motorRun(cmd);  
    delay(2000);//每个命令执行2s 
  } 
}
//运动控制函数
void motorRun(int cmd)
{
  switch(cmd){
    case FORWARD:
      digitalWrite(leftMotor1, LOW);
      digitalWrite(leftMotor2, HIGH);
      digitalWrite(rightMotor1, LOW);
      digitalWrite(rightMotor2, HIGH);
      break;
     case BACKWARD:
      digitalWrite(leftMotor1, HIGH);
      digitalWrite(leftMotor2, LOW);
      digitalWrite(rightMotor1, HIGH);
      digitalWrite(rightMotor2, LOW);
      break;
     case TURNLEFT:
      digitalWrite(leftMotor1, HIGH);
      digitalWrite(leftMotor2, LOW);
      digitalWrite(rightMotor1, LOW);
      digitalWrite(rightMotor2, HIGH);
      break;
     case TURNRIGHT:
      digitalWrite(leftMotor1, LOW);
      digitalWrite(leftMotor2, HIGH);
      digitalWrite(rightMotor1, HIGH);
      digitalWrite(rightMotor2, LOW);
      break;
     default:
      digitalWrite(leftMotor1, LOW);
      digitalWrite(leftMotor2, LOW);
      digitalWrite(rightMotor1, LOW);
      digitalWrite(rightMotor2, LOW);
  }
}

OK,不出意外的话,你的小车也可以动起来啦!!!!鼓掌👏

代码解析:

 case FORWARD:
      digitalWrite(leftMotor1, LOW);
      digitalWrite(leftMotor2, HIGH);
      digitalWrite(rightMotor1, LOW);
      digitalWrite(rightMotor2, HIGH);
      break;

可以看到 前进的时候,我们把引脚leftMotor1设置为了低电压,leftMotor2设置为了高电压

有人会问为啥 从图上看,为啥两个马达的 高低电压 不同,却是相同的方向。那是因为,这两个马达 是这样放的。

如果是你把后面那个摆成跟前面那个一样,后面的下上就变成了上下,其实上下的高低电压就一致了。所以,前后轮的转动方向就一致了(这里根据我们的接线方法 我们是前进,如果说接线方法不同或者接反了,可以把代码里面的LOW和HIGH进行互换)

转弯: 我们这里的行为方式是跟坦克类似的,因为我们没有转向轮。 如果想要左转,就是左边轮子向后,右边轮子向前。这样的话会是,原地的左转;如果想要,向左转弯,保持前进的话,就应该是,左边保持低速前进,右边保持高速前进;如果想要调整原地转动的速率和转幅,可以调整左轮的速度和右轮的速度差值来实现。后面的蓝牙小车调速会讲到。 右转也是同理。

蓝牙小车

我们会用到4个引脚

接线方法:

TX:接Arduino UNO开发板”RX”引脚 RX:接Arduino UNO开发板”TX”引脚 GND:接Arduino UNO开发板”GND”引脚 VCC:接Arduino UNO开发板”5V”或”3.3V”引脚

示意图

这里,我们使用到了调速功能,因为前面说到我们如果想要前进转弯,就需要设置左右两排轮子不同的速度来实现。这里需要电机驱动接入ENA ENB的引脚接口到arduino的PWM接口(arduino上面的引脚号码前有~的就是PWM接口,这里我们使用5、6)。

示意图

写入代码注意!:

我们这里如果接入了蓝牙的RXD、TXD的时候,如果想要连接arduino和电脑进行代码写入,是不行的。因为,如果蓝牙占用了RXD和TXD,没有办法写入了。拔掉一个,然后就可以了。

代码:

#include <Servo.h>


//定义五中运动状态
String STOP    =  "D105FFFF";

String UP  = "D101FFFF";
String DOWN = "D102FFFF";
String LEFT = "D103FFFF";
String RIGHT = "D104FFFF";

String LEFT_UP  = "D111FFFF";
String LEFT_DOWN = "D112FFFF";
String RIGHT_UP = "D113FFFF";
String RIGHT_DOWN = "D114FFFF";

//定义需要用到的引脚
int leftMotor1 = 16;
int leftMotor2 = 17;
int rightMotor1 = 18;
int rightMotor2 = 19;

int leftPWM = 5;
int rightPWM = 6;

int inputPin = 7; // 定义超声波信号接收接口
int outputPin = 8; // 定义超声波信号发出接口

String comdata = "";

void setup() {
  // put your setup code here, to run once:
  Serial.begin(9600);
  //设置控制电机的引脚为输出状态
  pinMode(leftMotor1, OUTPUT);
  pinMode(leftMotor2, OUTPUT);
  pinMode(rightMotor1, OUTPUT);
  pinMode(rightMotor2, OUTPUT);
  //超声波控制引脚初始化
  pinMode(inputPin, INPUT);
  pinMode(outputPin, OUTPUT);
  //调速
  pinMode(leftPWM, OUTPUT);
  pinMode(rightPWM, OUTPUT);
}

void loop() {
  while (Serial.available() > 0)
  {
    int i = Serial.read();
    char c = char(i);
    comdata += c;  //每次读一个char字符,并相加
    delay(2);
  }

  if (comdata.length() > 0) {
    Serial.println(comdata); //打印接收到的字符
    motorRun(comdata, 250);
    comdata = "";
  }
}

//运动控制函数
void motorRun(String cmd, int value)
{
  analogWrite(leftPWM, value);  //设置PWM输出,即设置速度
  analogWrite(rightPWM, value);
  if (cmd == UP) {
    Serial.println("UP");
    digitalWrite(leftMotor1, LOW);
    digitalWrite(leftMotor2, HIGH);
    digitalWrite(rightMotor1, HIGH);
    digitalWrite(rightMotor2, LOW);
  } else  if (cmd == DOWN) {
    Serial.println("DOWN");
    digitalWrite(leftMotor1, HIGH);
    digitalWrite(leftMotor2, LOW);
    digitalWrite(rightMotor1, LOW);
    digitalWrite(rightMotor2, HIGH);
  } else  if (cmd == LEFT) {
    Serial.println("left");
    analogWrite(leftPWM, value - 90); //设置PWM输出,即设置速度
    analogWrite(rightPWM, value - 70);
    digitalWrite(leftMotor1, LOW);
    digitalWrite(leftMotor2, HIGH);
    digitalWrite(rightMotor1, LOW);
    digitalWrite(rightMotor2, HIGH);
  } else  if (cmd == RIGHT) {
    Serial.println("right");
    analogWrite(leftPWM, value - 70); //设置PWM输出,即设置速度
    analogWrite(rightPWM, value - 90);
    digitalWrite(leftMotor1, HIGH);
    digitalWrite(leftMotor2, LOW);
    digitalWrite(rightMotor1, HIGH);
    digitalWrite(rightMotor2, LOW);
  } else  if (cmd == LEFT_UP) {
    analogWrite(leftPWM, value - 150); //设置PWM输出,即设置速度
    Serial.println("LEFT_UP");
    digitalWrite(leftMotor1, LOW);
    digitalWrite(leftMotor2, HIGH);
    digitalWrite(rightMotor1, HIGH);
    digitalWrite(rightMotor2, LOW);
  } else  if (cmd == LEFT_DOWN) {
    Serial.println("LEFT_DOWN");
    analogWrite(leftPWM, value - 150); //设置PWM输出,即设置速度
    digitalWrite(leftMotor1, HIGH);
    digitalWrite(leftMotor2, LOW);
    digitalWrite(rightMotor1, LOW);
    digitalWrite(rightMotor2, HIGH);
  } else  if (cmd == RIGHT_UP) {
    analogWrite(rightPWM, value - 150); //设置PWM输出,即设置速度
    Serial.println("RIGHT_UP");
    digitalWrite(leftMotor1, LOW);
    digitalWrite(leftMotor2, HIGH);
    digitalWrite(rightMotor1, HIGH);
    digitalWrite(rightMotor2, LOW);
  } else  if (cmd == RIGHT_DOWN) {
    analogWrite(rightPWM, value - 150); //设置PWM输出,即设置速度
    Serial.println("RIGHT_DOWN");
    digitalWrite(leftMotor1, HIGH);
    digitalWrite(leftMotor2, LOW);
    digitalWrite(rightMotor1, LOW);
    digitalWrite(rightMotor2, HIGH);
  } else {
    Serial.println("stop");
    digitalWrite(leftMotor1, LOW);
    digitalWrite(leftMotor2, LOW);
    digitalWrite(rightMotor1, LOW);
    digitalWrite(rightMotor2, LOW);
  }
}

代码解析:

  • 这里我们为了可以直接使用我自己的app,所以把指令直接定义为了和我app里面一样的。APP下载地址
  • 一共有9个指令,这里的app里面对于小车行进做了两种操作。一种是上下左右停,一种是摇杆(其实就是 上下左右 左上 右上 左下 右下)。如图:
    上下左右

摇杆

  analogWrite(leftPWM, value);  //设置PWM输出,即设置速度
  analogWrite(rightPWM, value);

是左右两边轮子的调速代码

  • 默认我们的对于PWM写入的最大速度值为255,按道理区间为1-255,但是,经过测试发现(根据不同电池情况),如果低于一定值的,就带不动马达转动了(我这里大约是100左右,如果电池没电了可能最小值更高)

  • 原地左转

  } else  if (cmd == LEFT) {
    Serial.println("left");
    analogWrite(leftPWM, value - 90); //设置PWM输出,即设置速度
    analogWrite(rightPWM, value - 70);
    digitalWrite(leftMotor1, LOW);
    digitalWrite(leftMotor2, HIGH);
    digitalWrite(rightMotor1, LOW);
    digitalWrite(rightMotor2, HIGH);

这里我的左转,我不想让它原地的转动的转幅太大,所以我调小了两边的转速

  • 左前
  } else  if (cmd == LEFT_UP) {
    analogWrite(leftPWM, value - 150); //设置PWM输出,即设置速度
    Serial.println("LEFT_UP");
    digitalWrite(leftMotor1, LOW);
    digitalWrite(leftMotor2, HIGH);
    digitalWrite(rightMotor1, HIGH);
    digitalWrite(rightMotor2, LOW);

这里,你会发现“左前”,其实代码是在“前进”的代码基础上加了一句调速代码,如我们先前所说,我们要保持前进的同时转弯,就需要向前,并且减速左边的轮子,就可以实现了。

ok,写入了代码,接好RX TX线,装上电池,就可以运行了。蓝牙的蓝色的灯也会亮起来。

成型图

这时候,可以使用下载好的app来连接蓝牙小车了。连接成功之后,就可以通过控制界面的两种控制方式来控制我们的小车啦!!!不出意外的话,鼓掌👏!!

超声波避障

超神波避障的主要原理: 利用超声波测距传感器测量小车与障碍之间的距离,小于一定值的时候就停下,然后利用舵机来改变超声波传感器的方向继续测距,如果哪边没有障碍,就往哪边转向来避开障碍,然后再前进。

我们这里需要用到的就是舵机和超声波传感器(及其支架)。舵机,之前装底盘的时候就装上去了,如果那时候没有装的话,现在要装的话就比较困难了。

插线:

  • 超声波有4个引脚,vcc、trig、echo、gnd,vcc和gnd插到arduino上,但是,现在来看,arduino上面已经没有足够的 vcc和gnd的引脚口了,所以,我们要利用 mini面包板来 扩展一些。

mini面包板

扩展原理:

示意图
这样连接的话,一竖排都是相当于是vcc或者gnd线的接口。

  • trig和echo分别接到arduino的“8、7”号引脚上面(“Trig”引脚控制超声波发出声波,对应int outputPin=8; “Echo”引脚反应接收到返回声波,对应int inputPin=7;)。大致原理就是 发送一个超声波,然后接受一个超声波,然后通过时间来算得距离

  • 舵机一般为三根线:灰色——GND,红色——VCC,橙色——控制信号。因此我们将灰色色线接到GND,红色线接到“+5V”引脚,橙色线接到“9”号引脚

成型图

成型图

示意图

代码:

#include <Servo.h>


//定义五中运动状态
String STOP    =  "D105FFFF";

String UP  = "D101FFFF";
String DOWN = "D102FFFF";
String LEFT = "D103FFFF";
String RIGHT = "D104FFFF";

String LEFT_UP  = "D111FFFF";
String LEFT_DOWN = "D112FFFF";
String RIGHT_UP = "D113FFFF";
String RIGHT_DOWN = "D114FFFF";


#define BIZHANG_START "D301FFFF"
#define BIZHANG_END "D302FFFF"

#define PIN_SERVO 9  //舵机信号控制引脚

//定义需要用到的引脚
int leftMotor1 = 16;
int leftMotor2 = 17;
int rightMotor1 = 18;
int rightMotor2 = 19;

int leftPWM = 5;
int rightPWM = 6;

int inputPin = 7; // 定义超声波信号接收接口
int outputPin = 8; // 定义超声波信号发出接口

Servo myServo;  //舵机

String lastCmd;

String comdata = "";

void setup() {
  // put your setup code here, to run once:
  Serial.begin(9600);
  //舵机引脚初始化
  myServo.attach(PIN_SERVO);
  //设置控制电机的引脚为输出状态
  pinMode(leftMotor1, OUTPUT);
  pinMode(leftMotor2, OUTPUT);
  pinMode(rightMotor1, OUTPUT);
  pinMode(rightMotor2, OUTPUT);
  //超声波控制引脚初始化
  pinMode(inputPin, INPUT);
  pinMode(outputPin, OUTPUT);
  //调速
  pinMode(leftPWM, OUTPUT);
  pinMode(rightPWM, OUTPUT);
}

void loop() {
  while (Serial.available() > 0)
  {
    int i = Serial.read();
    char c = char(i);
    comdata += c;  //每次读一个char字符,并相加
    delay(2);
  }

  if (comdata.length() > 0) {
    Serial.println(comdata); //打印接收到的字符
    if (comdata == BIZHANG_START) {
      avoidance();
    } else if (comdata == BIZHANG_END) {
      motorRun(STOP, 250);
    } else {
      motorRun(comdata, 250);
    }
    lastCmd = comdata;
    comdata = "";
  } else {
    if (lastCmd == BIZHANG_START) {
      Serial.println("现在是 避障");
      avoidance();
    }
  }
}

void avoidance()
{
  int pos;
  int dis[3];//距离
  motorRun(UP, 255);
  myServo.write(90);
  dis[1] = getDistance(); //中间
  Serial.println("mid dis:" + dis[1]);
  if (dis[1] < 30)
  {
    motorRun(DOWN,255);
    delay(300);                                                                                                                                                                           motorRun(STOP, 0);
    for (pos = 90; pos <= 150; pos += 1)
    {
      myServo.write(pos);              // tell servo to go to position in variable 'pos'
      delay(10);                       // waits 15ms for the servo to reach the position
    }
    dis[2] = getDistance(); //左边
    Serial.println("left dis:" + dis[2]);
    for (pos = 150; pos >= 30; pos -= 1)
    {
      myServo.write(pos);              // tell servo to go to position in variable 'pos'
      delay(10);                       // waits 15ms for the servo to reach the position
      if (pos == 90)
        dis[1] = getDistance(); //中间
      Serial.println("mid dis:" + dis[1]);
    }
    dis[0] = getDistance(); //右边
    Serial.println("right dis:" + dis[0]);
    for (pos = 30; pos <= 90; pos += 1)
    {
      myServo.write(pos);              // tell servo to go to position in variable 'pos'
      delay(10);                       // waits 15ms for the servo to reach the position
    }
    if (dis[0] < dis[2]) //右边距离障碍的距离比左边近
    {
      //左转
      motorRun(LEFT, 250);
      delay(500);
    }
    else  //右边距离障碍的距离比左边远
    {
      //右转
      motorRun(RIGHT, 250);
      delay(500);
    }
  }
}

int getDistance()
{
  digitalWrite(outputPin, LOW); // 使发出发出超声波信号接口低电平2μs
  delayMicroseconds(2);
  digitalWrite(outputPin, HIGH); // 使发出发出超声波信号接口高电平10μs,这里是至少10μs
  delayMicroseconds(10);
  digitalWrite(outputPin, LOW); // 保持发出超声波信号接口低电平
  int distance = pulseIn(inputPin, HIGH); // 读出脉冲时间
  distance = distance / 58; // 将脉冲时间转化为距离(单位:厘米)
  Serial.println("distance:" + distance); //输出距离值

  if (distance >= 50)
  {
    //如果距离小于50厘米返回数据
    return 50;
  }//如果距离小于50厘米
  else
    return distance;
}


//运动控制函数
void motorRun(String cmd, int value)
{
  analogWrite(leftPWM, value);  //设置PWM输出,即设置速度
  analogWrite(rightPWM, value);
  if (cmd == UP) {
    Serial.println("UP");
    digitalWrite(leftMotor1, LOW);
    digitalWrite(leftMotor2, HIGH);
    digitalWrite(rightMotor1, HIGH);
    digitalWrite(rightMotor2, LOW);
  } else  if (cmd == DOWN) {
    Serial.println("DOWN");
    digitalWrite(leftMotor1, HIGH);
    digitalWrite(leftMotor2, LOW);
    digitalWrite(rightMotor1, LOW);
    digitalWrite(rightMotor2, HIGH);
  } else  if (cmd == LEFT) {
    Serial.println("left");
    analogWrite(leftPWM, value - 90); //设置PWM输出,即设置速度
    analogWrite(rightPWM, value - 70);
    digitalWrite(leftMotor1, LOW);
    digitalWrite(leftMotor2, HIGH);
    digitalWrite(rightMotor1, LOW);
    digitalWrite(rightMotor2, HIGH);
  } else  if (cmd == RIGHT) {
    Serial.println("right");
    analogWrite(leftPWM, value - 70); //设置PWM输出,即设置速度
    analogWrite(rightPWM, value - 90);
    digitalWrite(leftMotor1, HIGH);
    digitalWrite(leftMotor2, LOW);
    digitalWrite(rightMotor1, HIGH);
    digitalWrite(rightMotor2, LOW);
  } else  if (cmd == LEFT_UP) {
    analogWrite(leftPWM, value - 150); //设置PWM输出,即设置速度
    Serial.println("LEFT_UP");
    digitalWrite(leftMotor1, LOW);
    digitalWrite(leftMotor2, HIGH);
    digitalWrite(rightMotor1, HIGH);
    digitalWrite(rightMotor2, LOW);
  } else  if (cmd == LEFT_DOWN) {
    Serial.println("LEFT_DOWN");
    analogWrite(leftPWM, value - 150); //设置PWM输出,即设置速度
    digitalWrite(leftMotor1, HIGH);
    digitalWrite(leftMotor2, LOW);
    digitalWrite(rightMotor1, LOW);
    digitalWrite(rightMotor2, HIGH);
  } else  if (cmd == RIGHT_UP) {
    analogWrite(rightPWM, value - 150); //设置PWM输出,即设置速度
    Serial.println("RIGHT_UP");
    digitalWrite(leftMotor1, LOW);
    digitalWrite(leftMotor2, HIGH);
    digitalWrite(rightMotor1, HIGH);
    digitalWrite(rightMotor2, LOW);
  } else  if (cmd == RIGHT_DOWN) {
    analogWrite(rightPWM, value - 150); //设置PWM输出,即设置速度
    Serial.println("RIGHT_DOWN");
    digitalWrite(leftMotor1, HIGH);
    digitalWrite(leftMotor2, LOW);
    digitalWrite(rightMotor1, LOW);   
    digitalWrite(rightMotor2, HIGH);
  } else {
    Serial.println("stop");
    digitalWrite(leftMotor1, LOW);
    digitalWrite(leftMotor2, LOW);
    digitalWrite(rightMotor1, LOW);
    digitalWrite(rightMotor2, LOW);
  }
}
代码解析:

超声波:

  1. 采用Trig引脚触发,给至少10us的高电平脉冲信号
  2. 模块自动发送8个40kHz的方波,自动检测是否有信号返回
  3. 有信号返回,通过Echo引脚输出一个高电平脉冲,高电平脉冲持续的时间就是超声波从发射到反射返回的时间。距离=(高电平脉冲时间*340)/2。(声音在空气中传播速度为340m/s)

超声波发出引脚“Trig”为高时对外发出超声波,为保证发出10μs声波,因此在发送之前需要将该引脚拉低,并给他一定反应时间。

digitalWrite(outputPin, LOW); // 使发出发出超声波信号接口低电平2μs
delayMicroseconds(2);

之后发送10μs超声波

digitalWrite(outputPin, HIGH); // 使发出发出超声波信号接口高电平10μs,这里是至少10μs

声波发送之后禁止其继续发送,同时开始检测是否反射回来的声波

digitalWrite(outputPin, LOW); // 保持发出超声波信号接口低电平
  int distance = pulseIn(inputPin, HIGH); // 读出脉冲时间

pulseIn()单位为微秒,声速344m/s,所以距离cm=344100/1000000pulseIn()/2约等于pulseIn()/58.0 distance= distance/58; // 将脉冲时间转化为距离(单位:厘米)

超声波模块工作受物体表面反射程度影响,并且在传播过程中信号强度容易衰减,因此该模块适用的检测距离有限,一般在50cm以内相对正确,而且我们在避障时不需要检测太远的距离,因此超过50cm以上的都按50cm计算

舵机:

 dis[1] = getDistance(); //中间
  Serial.println("mid dis:" + dis[1]);
  if (dis[1] < 30)
  {
    motorRun(DOWN,255);
    delay(300);                                                                                                                                                                           motorRun(STOP, 0);
    for (pos = 90; pos <= 150; pos += 1)
    {
      myServo.write(pos);              // tell servo to go to position in variable 'pos'
      delay(10);                       // waits 15ms for the servo to reach the position
    }
    dis[2] = getDistance(); //左边
    Serial.println("left dis:" + dis[2]);
    for (pos = 150; pos >= 30; pos -= 1)
    {
      myServo.write(pos);              // tell servo to go to position in variable 'pos'
      delay(10);                       // waits 15ms for the servo to reach the position
      if (pos == 90)
        dis[1] = getDistance(); //中间
      Serial.println("mid dis:" + dis[1]);
    }
    dis[0] = getDistance(); //右边
    Serial.println("right dis:" + dis[0]);
    for (pos = 30; pos <= 90; pos += 1)
    {
      myServo.write(pos);              // tell servo to go to position in variable 'pos'
      delay(10);                       // waits 15ms for the servo to reach the position
    }
    if (dis[0] < dis[2]) //右边距离障碍的距离比左边近
    {
      //左转
      motorRun(LEFT, 250);
      delay(500);
    }
    else  //右边距离障碍的距离比左边远
    {
      //右转
      motorRun(RIGHT, 250);
      delay(500);
    }

先获取中间时候的距离,小于30之后停下。向左边转60度左右,然后到达最左边的时候,获取左边的距离,然后转动到中间获取中间的距离,然后转动到右边,获取右边的距离。 比较左右边距离,哪边长小车就往哪边 转动,然后继续向前。

ok,如果线接好了、代码录入了,装上电池就可以使用app的避障,“开始”和“结束”按钮,来运行了。 不出意外,你的小车就有了简单的避障功能了。故障👏!!!

ps:利用超声波避障,总会有些不太精准的情况,比如障碍不是一个较为平整的能够被很好测算距离的情况。总之,我们追求的是过程,过程最重要嘛。

循迹

循迹的话由于循迹算法比较粗糙,有时候会有一些小问题,比如冲出黑线区域等。所以这里,简单的介绍一下。

上一下所有的代码

#include <Servo.h>


//定义五中运动状态
String STOP    =  "D105FFFF";

String UP  = "D101FFFF";
String DOWN = "D102FFFF";
String LEFT = "D103FFFF";
String RIGHT = "D104FFFF";

String LEFT_UP  = "D111FFFF";
String LEFT_DOWN = "D112FFFF";
String RIGHT_UP = "D113FFFF";
String RIGHT_DOWN = "D114FFFF";


#define BIZHANG_START "D301FFFF"
#define BIZHANG_END "D302FFFF"
#define XUNJI_START "D201FFFF"
#define XUNJI_END "D202FFFF"

#define PIN_SERVO 9  //舵机信号控制引脚

//定义需要用到的引脚
int leftMotor1 = 16;
int leftMotor2 = 17;
int rightMotor1 = 18;
int rightMotor2 = 19;

int follow1 = 10;
int follow2 = 11;
int follow3 = 12;

int leftPWM = 5;
int rightPWM = 6;

int inputPin = 7; // 定义超声波信号接收接口
int outputPin = 8; // 定义超声波信号发出接口

int xunjiSpeed = 170;

Servo myServo;  //舵机

String lastCmd;

String comdata = "";

void setup() {
  // put your setup code here, to run once:
  Serial.begin(9600);
  //舵机引脚初始化
  myServo.attach(PIN_SERVO);
  //设置控制电机的引脚为输出状态
  pinMode(leftMotor1, OUTPUT);
  pinMode(leftMotor2, OUTPUT);
  pinMode(rightMotor1, OUTPUT);
  pinMode(rightMotor2, OUTPUT);
  //超声波控制引脚初始化
  pinMode(inputPin, INPUT);
  pinMode(outputPin, OUTPUT);
  //调速
  pinMode(leftPWM, OUTPUT);
  pinMode(rightPWM, OUTPUT);
  //寻迹模块引脚初始化
  pinMode(follow1, INPUT);
  pinMode(follow2, INPUT);
  pinMode(follow3, INPUT);
}

void loop() {
  while (Serial.available() > 0)
  {
    int i = Serial.read();
    char c = char(i);
    comdata += c;  //每次读一个char字符,并相加
    delay(2);
  }

  if (comdata.length() > 0) {
    Serial.println(comdata); //打印接收到的字符
    if (comdata == XUNJI_START) {
      follow();
    } else if (comdata == XUNJI_END) {
      motorRun(STOP, 250);
    } else if (comdata == BIZHANG_START) {
      avoidance();
    } else if (comdata == BIZHANG_END) {
      motorRun(STOP, 250);
    } else {
      motorRun(comdata, 250);
    }
    lastCmd = comdata;
    comdata = "";
  } else {
    if (lastCmd == XUNJI_START) {
      Serial.println("现在是 循迹");
      follow();
    } else if (lastCmd == BIZHANG_START) {
      Serial.println("现在是 避障");
      avoidance();
    }
  }
}

void follow()
{
  int data[3];
  data[0] = digitalRead(follow1);
  data[1] = digitalRead(follow2);
  data[2] = digitalRead(follow3);

  //data[x] == 0的时候说明检测到了 黑线
  if (data[0] && data[1] && data[2])//3个都检测到黑线说明 走到了T字  停止
  {
    Serial.println("我stop了现在-");
    motorRun(STOP, 0);
  } else if (!data[0] && data[1] && !data[2] ) { //中间监测到黑线 就直线
    Serial.println("我UP了现在-");
    motorRun(UP, 100);
  } else if (data[0] && !data[1] && !data[2] ) {
Serial.println("我LEFT了现在-");    
    motorRun(LEFT, 180);
  } else if (!data[0] && !data[1] && data[2]) {
    Serial.println("我RIGHT了现在-");
    motorRun(RIGHT, 180);
  } else {
    motorRun(UP, 100);
    Serial.println("不知道干啥-");
  }

  Serial.println("00:" + data[0]);
  Serial.println("---");
  Serial.println("11:" + data[1]);
  Serial.println("---");
  Serial.println("22:" + data[2]);
}

void avoidance()
{
  int pos;
  int dis[3];//距离
  motorRun(UP, xunjiSpeed);
  myServo.write(90);
  dis[1] = getDistance(); //中间
  Serial.println("mid dis:" + dis[1]);
  if (dis[1] < 30)
  {
    motorRun(DOWN,255);
    delay(300);
    motorRun(STOP, 0);
    for (pos = 90; pos <= 150; pos += 1)
    {
      myServo.write(pos);              // tell servo to go to position in variable 'pos'
      delay(10);                       // waits 15ms for the servo to reach the position
    }
    dis[2] = getDistance(); //左边
    Serial.println("left dis:" + dis[2]);
    for (pos = 150; pos >= 30; pos -= 1)
    {
      myServo.write(pos);              // tell servo to go to position in variable 'pos'
      delay(10);                       // waits 15ms for the servo to reach the position
      if (pos == 90)
        dis[1] = getDistance(); //中间
      Serial.println("mid dis:" + dis[1]);
    }
    dis[0] = getDistance(); //右边
    Serial.println("right dis:" + dis[0]);
    for (pos = 30; pos <= 90; pos += 1)
    {
      myServo.write(pos);              // tell servo to go to position in variable 'pos'
      delay(10);                       // waits 15ms for the servo to reach the position
    }
    if (dis[0] < dis[2]) //右边距离障碍的距离比左边近
    {
      //左转
      motorRun(LEFT, 250);
      delay(500);
    }
    else  //右边距离障碍的距离比左边远
    {
      //右转
      motorRun(RIGHT, 250);
      delay(500);
    }
  }
}

int getDistance()
{
  digitalWrite(outputPin, LOW); // 使发出发出超声波信号接口低电平2μs
  delayMicroseconds(2);
  digitalWrite(outputPin, HIGH); // 使发出发出超声波信号接口高电平10μs,这里是至少10μs
  delayMicroseconds(10);
  digitalWrite(outputPin, LOW); // 保持发出超声波信号接口低电平
  int distance = pulseIn(inputPin, HIGH); // 读出脉冲时间
  distance = distance / 58; // 将脉冲时间转化为距离(单位:厘米)
  Serial.println("distance:" + distance); //输出距离值

  if (distance >= 50)
  {
    //如果距离小于50厘米返回数据
    return 50;
  }//如果距离小于50厘米
  else
    return distance;
}


//运动控制函数
void motorRun(String cmd, int value)
{
  analogWrite(leftPWM, value);  //设置PWM输出,即设置速度
  analogWrite(rightPWM, value);
  if (cmd == UP) {
    Serial.println("UP");
    digitalWrite(leftMotor1, LOW);
    digitalWrite(leftMotor2, HIGH);
    digitalWrite(rightMotor1, HIGH);
    digitalWrite(rightMotor2, LOW);
  } else  if (cmd == DOWN) {
    Serial.println("DOWN");
    digitalWrite(leftMotor1, HIGH);
    digitalWrite(leftMotor2, LOW);
    digitalWrite(rightMotor1, LOW);
    digitalWrite(rightMotor2, HIGH);
  } else  if (cmd == LEFT) {
    Serial.println("left");
    analogWrite(leftPWM, value - 90); //设置PWM输出,即设置速度
    analogWrite(rightPWM, value - 70);
    digitalWrite(leftMotor1, LOW);
    digitalWrite(leftMotor2, HIGH);
    digitalWrite(rightMotor1, LOW);
    digitalWrite(rightMotor2, HIGH);
  } else  if (cmd == RIGHT) {
    Serial.println("right");
    analogWrite(leftPWM, value - 70); //设置PWM输出,即设置速度
    analogWrite(rightPWM, value - 90);
    digitalWrite(leftMotor1, HIGH);
    digitalWrite(leftMotor2, LOW);
    digitalWrite(rightMotor1, HIGH);
    digitalWrite(rightMotor2, LOW);
  } else  if (cmd == LEFT_UP) {
    analogWrite(leftPWM, value - 150); //设置PWM输出,即设置速度
    Serial.println("LEFT_UP");
    digitalWrite(leftMotor1, LOW);
    digitalWrite(leftMotor2, HIGH);
    digitalWrite(rightMotor1, HIGH);
    digitalWrite(rightMotor2, LOW);
  } else  if (cmd == LEFT_DOWN) {
    Serial.println("LEFT_DOWN");
    analogWrite(leftPWM, value - 150); //设置PWM输出,即设置速度
    digitalWrite(leftMotor1, HIGH);
    digitalWrite(leftMotor2, LOW);
    digitalWrite(rightMotor1, LOW);
    digitalWrite(rightMotor2, HIGH);
  } else  if (cmd == RIGHT_UP) {
    analogWrite(rightPWM, value - 150); //设置PWM输出,即设置速度
    Serial.println("RIGHT_UP");
    digitalWrite(leftMotor1, LOW);
    digitalWrite(leftMotor2, HIGH);
    digitalWrite(rightMotor1, HIGH);
    digitalWrite(rightMotor2, LOW);
  } else  if (cmd == RIGHT_DOWN) {
    analogWrite(rightPWM, value - 150); //设置PWM输出,即设置速度
    Serial.println("RIGHT_DOWN");
    digitalWrite(leftMotor1, HIGH);
    digitalWrite(leftMotor2, LOW);
    digitalWrite(rightMotor1, LOW);
    digitalWrite(rightMotor2, HIGH);
  } else {
    Serial.println("stop");
    digitalWrite(leftMotor1, LOW);
    digitalWrite(leftMotor2, LOW);
    digitalWrite(rightMotor1, LOW);
    digitalWrite(rightMotor2, LOW);
  }
}

循迹模块的接线,也比较简单,增加了10,11,12号引脚的接入,和蓝牙控制命令 #define XUNJI_START "D201FFFF" #define XUNJI_END "D202FFFF"

接线

这里可以看到3个循迹的模块,一共9根线,其中每个模块的一个input线就接到arduino对应的引脚号上面,其余的就是电源和地线,接到面包板上面(面包板之前已经讲过原理,不懂的自己查一下)

最后循迹的线可以自己定一下,反正重点就是个T字

循迹

完结

ok! 大功告成 😬

PS:

有些人买的蓝牙型号不一致,只要是BLE就行。 不过如果有些CharacteristicSerial不一致的话,需要修改一下 修改地址

public static final String UUID_SERVICE = "0000ffe0-0000-1000-8000-00805f9b34fb"; public static final String UUID_INDICATE = "0000000-0000-0000-8000-00805f9b0000"; public static final String UUID_NOTIFY = "0000ffe1-0000-1000-8000-00805f9b34fb"; public static final String UUID_WRITE = "0000ffe1-0000-1000-8000-00805f9b34fb"; public static final String UUID_READ = "3f3e3d3c-3b3a-3938-3736-353433323130";

里面就有对应的一些特征序列号。如果不知道的话,卖家那里问问,或者手上一些软件可以查看(连上蓝牙,手机上来看特征序列号)

主要就是READ,WRITE,NOTIFY这几个