用Arduino制作一个功能最基础的辉光钟

5,069 阅读5分钟

辉光管,原本是在电子管时代用作显示的器件,一般多用在科学仪表上面。后来,随着LED的出现和普及,需要高压驱动,且相对成本高昂的辉光管便逐渐被淘汰,推出了历史舞台。

然而,因为辉光管有着非常高逼格的显示效果,管中的氖气在170V高压下产生的橘色辉光所带来的视觉感受是普通LED数码管所不能比拟的,所以现在越来越多的装逼极客对辉光管产生了兴趣。当然,我也是其中之一。

话说其实很早我就对辉光管深深中毒,那时候上淘宝搜索辉光钟,发现几乎所有的价格都在千元以上,让我下意识地捂住了自己的钱包。不过价格是一方面,另外一方面,作为一个高逼格的理工男,想要真正的用辉光管来装逼,必然还是需要自己DIY一个辉光钟。

所以在学习了辉光管相关知识之后,我便开始准备DIY一个自己的辉光钟。

废话不多说,先上最后的成品图吧

成品图
虽然这是我第一次自己做电路方面的DIY,不过最终的效果我个人觉得还行。PCB使用了黑色沉金,外加上下两片亚克力玻璃,通过铜柱连接,正面看上去还是比较美观(虽然背面由于PCB设计失误,改了很多飞线╮(╯▽╰)╭)。辉光管使用了6只苏联产IN-14辉光管,显示效果不错,再加上2*2的4只小氖泡作为冒号。由于我个人不喜欢LED,就喜欢原汁原味的辉光管颜色,所以我并没有在板子上加上不同颜色的LED照亮辉光管。关于PCB沉金这一点,其实后来觉得没必要。这样做板子确实好看,但是元件焊上去之后沉金就完全看不见了,心痛,肉疼。 最后的成品在夜间显示效果如下:
夜晚
下面对辉光钟的每个部分具体的介绍一下吧

辉光管 这里我使用的是苏联产IN-14辉光管,某宝拆机管价格50左右,新管价格100左右,至于用拆机还是全新,则视荷包而定。IN-14这款辉光管应该算比较经典的一款,也是辉光管爱好者使用最多的一款辉光管。

辉光管
主控芯片 主控芯片可以用各类单片机,网上也有很多大神分享各种教程,甚至直接给出了很多的AD原理图和PCB文件,我看到的绝大部分都用的stm32或者arduino。因为我个人对arduino比较熟悉,所以我选则了ATmega2560这块芯片,烧录上arduino的bootloader之后就可以当作普通的arduino来用,非常方便,编程个人感觉比32简单很多,也应该是我太菜hhh。

辉光管驱动芯片 驱动辉光管的方式有各种各样,甚至有给辉光管每个引脚接一个高压三极管做开关这样控制的,不过这样会占用主控芯片很多引脚。这里我用一种最简单的方式之一,俄罗斯的K155ID1(K155ИД1)辉光管专用驱动IC,本质上是一个4位-10位的译码器。不愧是战斗民族的物件,这种几十年前的辉光管驱动芯片,毛子直到最近貌似还在生产。

K155ID1(K155ИД1)
引脚输入输出对应关系:
连接方式:
原理相当简单,辉光管可以看作是一个共阳极的数码管,串联一个限流电阻,接170V高压。其0-9各位数字分别接驱动IC上10个引脚,通过对驱动IC的不同输入,其对应的不同引脚导通,使辉光管对应数字点亮。

时钟模块 这里同样用最简单的DS3231,网上一大堆资料,就不详细介绍了。我选了一个黑色的,看起来和我的pcb整体搭一点。

当然,也可以直接用ds3231芯片,自己搭外围电路,我这里图个方便直接买模块了。

升压模块 升压模块是辉光钟最重要的部分之一(废话,没有升压辉光管也点不亮啊)。可以自己画升压电路,但是我是小白,模电数电都没学过,菜鸡一个hhh。为了求稳,还是在某宝上直接买了升压模块。不过这个东西可能会有些坑。最早我买的一家的模块最多只能驱动两只IN14,再多输出电压就不正常了,后来换了一家就一切正常了。所以这个东西如果要买的话要看好。

在这里插入图片描述
——————分割线———————

基本上以上就是一个最简要最基础的辉光钟所必备的所有内容了,其余比如显示日期,按键更改时间可以根据自己的能力和喜好加上去。后面有时间我也应该会试试做一版功能丰富的来试试。

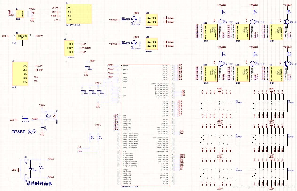
最后在AD里面画好了原理图,布好PCB之后,就可以拿出去打样了。

原理图
PCB
3D效果图
在这里插入图片描述
其实我这个pcb很多元件摆放位置都不合理,画这个的时候我还几乎是个纯小白(现在也很白),现在看看惨不忍睹。然后最开始想给每个辉光管加一个三极管做开关,结果忘记加电阻了。时钟模块和升压模块因为最开始计划用的和最后实际用的不一样,所以引脚不对应,只好用飞线连在pcb背面,还好不影响正面整体观感。 上下亚克力玻璃画好图之后找某宝直接加工切割,铜柱连接上,最后终于大功告成!
在这里插入图片描述
程序和原理图可以参考这里:github.com/hh997y/nixi…

也算是第一次体会到了电子DIY的乐趣,所以记录一下分享出来,继续学习哈哈。

后面应该还会再分享一版功能设计完善一些的版本。